| Номер на схеме | Каталожный номер | Название | Количество | Детали | |||
|---|---|---|---|---|---|---|---|
| ? | EK4010 | MAT,RUBBER | 1 | SN: 80001- KIT-FLAG: _- SERIALNO: 80001- |
|||
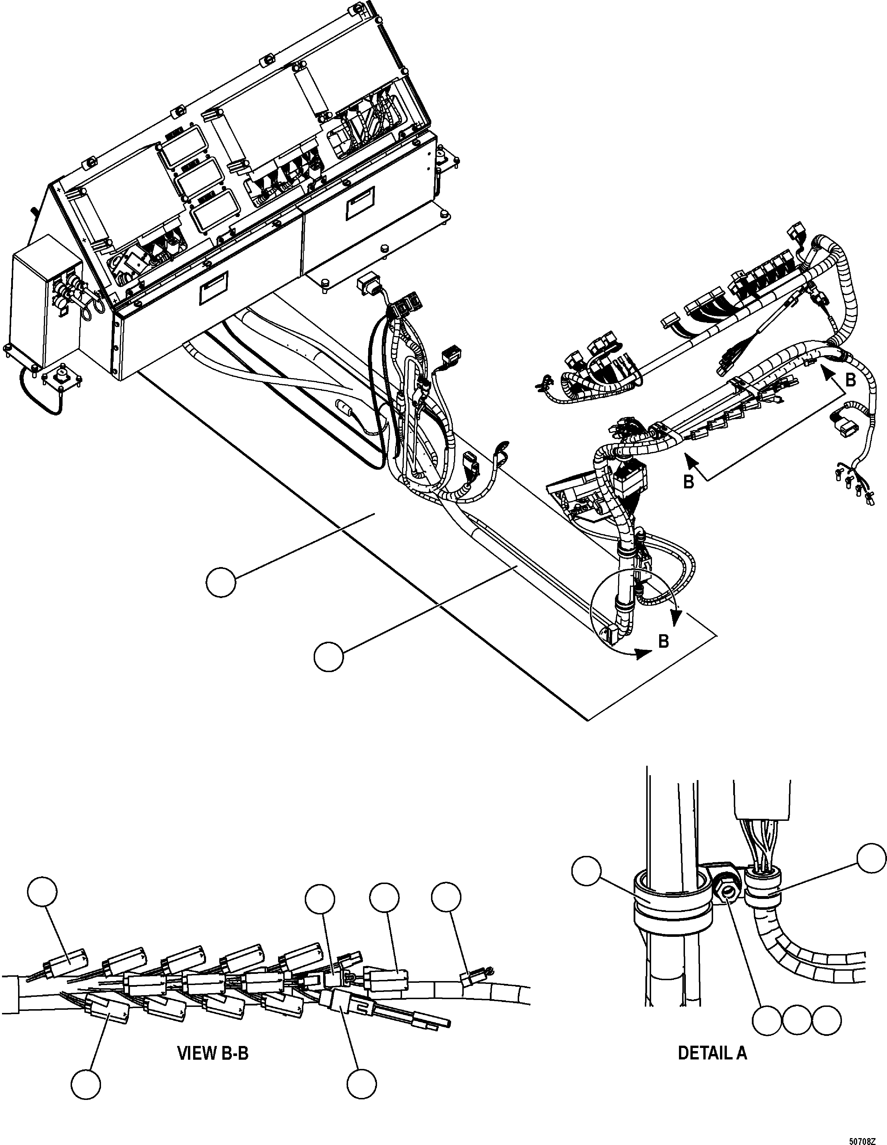
| ? | EM0638 | HARNESS,CAB | 1 | SN: 80001- KIT-FLAG: _- SERIALNO: 80001- |
|||
| ? | WB3097 | CLAMP,CUSHION | 2 | SN: 80001- KIT-FLAG: _- SERIALNO: 80001- |
|||
| ? | MM0177 | NUT | 2 | SN: 80001- KIT-FLAG: _- SERIALNO: 80001- |
|||
| ? | MM0470 | LOCK WASHER | 2 | SN: 80001- KIT-FLAG: _- SERIALNO: 80001- |
|||
| ? | MM0460 | WASHER | 2 | SN: 80001- KIT-FLAG: _- SERIALNO: 80001- |
|||
| ? | WB1305 | CLAMP,CUSHION | 2 | SN: 80001- KIT-FLAG: _- SERIALNO: 80001- |
|||
| ? | EJ2137 | JUMPER | 1 | SN: 80001- KIT-FLAG: _- SERIALNO: 80001- |
|||
| ? | 421-06-11970 | DIODE | 15 | SN: 80001- KIT-FLAG: _- SERIALNO: 80001- |
|||
| ? | EK5344 | JUMPER | 1 | SN: 80001- KIT-FLAG: _- SERIALNO: 80001- |
|||
| ? | EK8250 | JUMPER | 1 | SN: 80001- KIT-FLAG: _- SERIALNO: 80001- |