| Номер на схеме | Каталожный номер | Название | Количество | Детали | |||
|---|---|---|---|---|---|---|---|
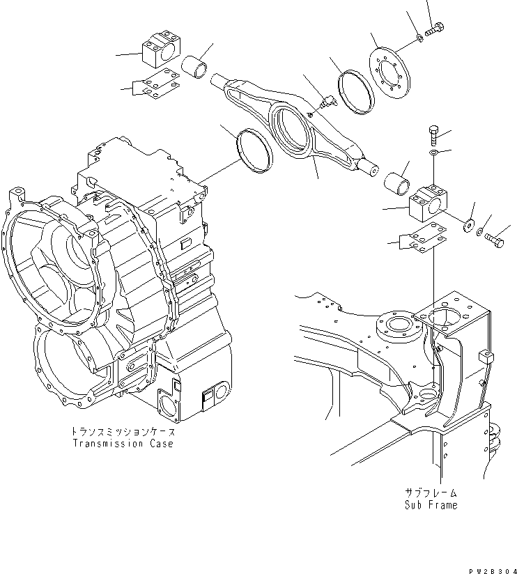
| ? | 56B-16-11121 | TRUNNION | 1 | SN: 1001- |
|||
| ? | 56B-16-11190 | RING | 2 | SN: 1001- |
|||
| ? | 56B-16-11180 | PLATE | 1 | SN: 1001- |
|||
| ? | 01010-81235 | BOLT | 8 | SN: 1001- |
|||
| ? | 01643-31232 | WASHER | 8 | SN: 1001- |
|||
| ? | 56B-16-11130 | HOUSING | 2 | SN: 1001- |
|||
| ? | 566-14-41130 | CUSHION | 2 | SN: 1001- |
|||
| ? | 566-14-41170 | WASHER | 2 | SN: 1001- |
|||
| ? | 01010-81630 | BOLT | 2 | SN: 1001- |
|||
| ? | 01643-31645 | WASHER | 2 | SN: 1001- |
|||
| ? | 07020-00675 | FITTING,GREASE | 1 | SN: 1001- |
|||
| ? | 56B-16-11230 | SHIM¤ 1.0MM | 8 | SN: 1001- |
|||
| ? | 01011-81620 | BOLT | 8 | SN: 1001- |
|||
| ? | 01643-31645 | WASHER | 8 | SN: 1001- |