| Номер на схеме | Каталожный номер | Название | Количество | Детали | |||
|---|---|---|---|---|---|---|---|
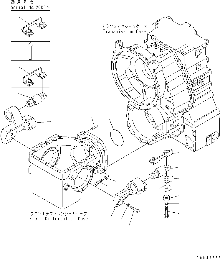
| ? | 56B-16-11110 | BRACKET | 2 | SN: 2001- KIT-FLAG: _- SERIALNO: 2001- |
|||
| ? | 01010-62070 | BOLT | 16 | SN: 2001- KIT-FLAG: _- SERIALNO: 2001- |
|||
| ? | 01643-32060 | WASHER | 16 | SN: 2001- KIT-FLAG: _- SERIALNO: 2001- |
|||
| ? | 56B-16-11211 | CUSHION | 2 | SN: 2001- KIT-FLAG: _- SERIALNO: 2001- |
|||
| ? | 56B-16-11161 | BRACKET | 1 | SN: 2002- KIT-FLAG: _- SERIALNO: 2002- |
|||
| ? | 56B-16-11161 | BRACKET | 2 | SN: 2001-2001 KIT-FLAG: _- SERIALNO: 2001-2001 |
|||
| ? | 56B-16-21160 | BRACKET | 1 | SN: 2002- KIT-FLAG: _- SERIALNO: 2002- |
|||
| ? | 01011-62730 | BOLT | 4 | SN: 2001- KIT-FLAG: _- SERIALNO: 2001- |
|||
| ? | 01643-32780 | WASHER | 4 | SN: 2001- KIT-FLAG: _- SERIALNO: 2001- |
|||
| ? | 208-03-11350 | SHIM, 1.0MM | 28 | SN: 2001- KIT-FLAG: _- SERIALNO: 2001- |
|||
| ? | 176-30-12140 | SPACER | 4 | SN: 2001- KIT-FLAG: _- SERIALNO: 2001- |
|||
| ? | 01010-62065 | BOLT | 9 | SN: 2001- KIT-FLAG: _- SERIALNO: 2001- |
|||
| ? | 01643-32060 | WASHER | 9 | SN: 2001- KIT-FLAG: _- SERIALNO: 2001- |
|||
| ? | 04020-01638 | PIN,DOWEL | 1 | SN: 2001- KIT-FLAG: _- SERIALNO: 2001- |
|||
| ? | 07000-A5155 | O-RING | 1 | SN: 2001- KIT-FLAG: _- SERIALNO: 2001- |