| Номер на схеме | Каталожный номер | Название | Количество | Детали | |||
|---|---|---|---|---|---|---|---|
| ? | SERIAL NO. IN ( ) INDICATES TRANSMISSION SERIAL NO. | SERIALNO: |
|||||
| ? | (56B-13-20002) | TRANSMISSION ASS'Y | 1 | SN: 2017- KIT-FLAG: _- SERIALNO: 2017- |
|||
| ? | (□56B-13-20001) | TRANSMISSION ASS'Y | 1 | SN: (100120)-00002016 KIT-FLAG: _- SERIALNO: (100120)-00002016 |
|||
| ? | (□56B-13-20000) | TRANSMISSION ASS'Y | 1 | SN: 2001-(100119) KIT-FLAG: _- SERIALNO: 2001-(100119) |
|||
| ? | THESE ASSEMBLIES CONSIST OF ALL PARTS SHOWN IN FIGS.F3300-51A0 TO F3300-64A0. | SERIALNO: |
|||||
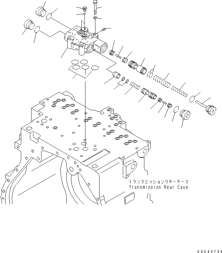
| ? | 56B-15-26000 | • VALVE ASS'Y | 1 | SN: 2001- KIT-FLAG: _- SERIALNO: 2001- |
|||
| ? | ☆ | • • VALVE BODY | 1 | SN: 2001- KIT-FLAG: _- SERIALNO: 2001- |
|||
| ? | 708-8E-16150 | • • PLUG | 2 | SN: 2001- KIT-FLAG: _- SERIALNO: 2001- |
|||
| ? | 07002-61023 | • • O-RING (K2) | 2 | SN: 2001- KIT-FLAG: _- SERIALNO: 2001- |
|||
| ? | 14X-15-15850 | • • PLUG | 1 | SN: 2001- KIT-FLAG: _- SERIALNO: 2001- |
|||
| ? | 07002-03034 | • • O-RING (K2) | 1 | SN: 2001- KIT-FLAG: _- SERIALNO: 2001- |
|||
| ? | 23C-15-55230 | • • VALVE | 1 | SN: 2001- KIT-FLAG: _- SERIALNO: 2001- |
|||
| ? | 426-15-15490 | • • VALVE | 1 | SN: 2001- KIT-FLAG: _- SERIALNO: 2001- |
|||
| ? | 562-15-16110 | • • SPRING | 1 | SN: 2001- KIT-FLAG: _- SERIALNO: 2001- |
|||
| ? | 426-15-15480 | • • VALVE | 1 | SN: 2001- KIT-FLAG: _- SERIALNO: 2001- |
|||
| ? | 56B-15-16660 | • • SHIM, 0.50MM | 7 | SN: 2001- KIT-FLAG: _- SERIALNO: 2001- |
|||
| ? | 56B-15-16250 | • • SPRING | 1 | SN: 2001- KIT-FLAG: _- SERIALNO: 2001- |
|||
| ? | 426-15-16261 | • • SPRING, (L=108.0) | 1 | SN: 2001- KIT-FLAG: _- SERIALNO: 2001- |
|||
| ? | 426-15-15810 | • • PLUG | 1 | SN: 2001- KIT-FLAG: _- SERIALNO: 2001- |
|||
| ? | 07002-03034 | • • O-RING (K2) | 1 | SN: 2001- KIT-FLAG: _- SERIALNO: 2001- |
|||
| ? | ☆ | • • SPOOL | 1 | SN: 2001- KIT-FLAG: _- SERIALNO: 2001- |
|||
| ? | 104-15-25490 | • • VALVE | 1 | SN: 2001- KIT-FLAG: _- SERIALNO: 2001- |
|||
| ? | 125-15-15290 | • • SPRING | 1 | SN: 2001- KIT-FLAG: _- SERIALNO: 2001- |
|||
| ? | 104-15-25480 | • • VALVE | 1 | SN: 2001- KIT-FLAG: _- SERIALNO: 2001- |
|||
| ? | 14X-15-16210 | • • SPRING | 1 | SN: 2001- KIT-FLAG: _- SERIALNO: 2001- |
|||
| ? | 175-15-56470 | • • SHIM, 0.50MM | 2 | SN: 2001- KIT-FLAG: _- SERIALNO: 2001- |
|||
| ? | 12H-15-14140 | • • GUIDE | 1 | SN: 2001- KIT-FLAG: _- SERIALNO: 2001- |
|||
| ? | 14X-15-15850 | • • PLUG | 2 | SN: 2001- KIT-FLAG: _- SERIALNO: 2001- |
|||
| ? | 07002-03034 | • • O-RING (K2) | 2 | SN: 2001- KIT-FLAG: _- SERIALNO: 2001- |
|||
| ? | 07042-20108 | • PLUG | 1 | SN: 2001- KIT-FLAG: _- SERIALNO: 2001- |
|||
| ? | 07000-73030 | • O-RING (K2) | 5 | SN: 2001- KIT-FLAG: _- SERIALNO: 2001- |
|||
| ? | 01010-81065 | • BOLT | 4 | SN: 2001- KIT-FLAG: _- SERIALNO: 2001- |
|||
| ? | 01643-31032 | • WASHER | 4 | SN: 2001- KIT-FLAG: _- SERIALNO: 2001- |