k-part
Номер на схеме Каталожный номер Название Количество Детали
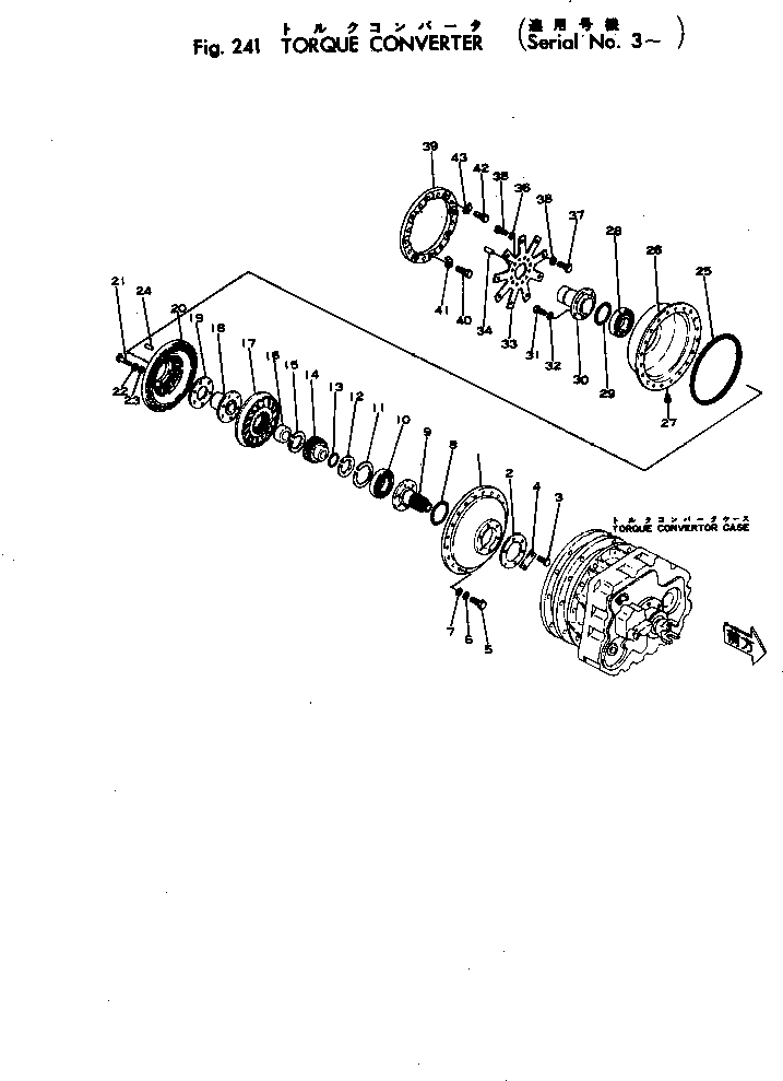
? 380-886451-1 TORQUE CONVERTER 1
SN: 3-3916
? 380-890044-1 • WHEEL 1
SN: 81221026-3916
? ▩380-885781-1 • WHEEL 1
SN: 3-81221025
? (380-890044-1{380-S268-000(20))}
? 380-887169-1 • SPACER 1
SN: 3-3916
? 380-S268-000 • BOLT 6
SN: .-3916
? □380-S267-000 • BOLT 6
SN: 3-.
? 380-885775-1 • WASHER 3
SN: 3-3916
? 380-S269-000 • BOLT 20
SN: 81221026-3916
? 380-S268-000 • BOLT 20
SN: 3-81221025
? 380-WL16-000 • WASHER 20
SN: 3-3916
? 380-WF36-000 • WASHER 20
SN: 3-3916
? 380-885779-1 • O-RING (K1) 1
SN: 3-3916
? 380-885778-1 • CARRIER 1
SN: 3-3916
? 380-885777-1 • BEARING 1
SN: 3-3916
? 380-885776-1 • RING 1
SN: 3-3916
? 380-885773-1 • RING 1
SN: 3-3916
? 380-885785-1 • O-RING (K1) 1
SN: 3-3916
? 380-885774-1 • HUB 1
SN: 3-3916
? 380-885773-1 • RING 1
SN: 3-3916
? 380-885771-1 • RING 1
SN: 3-3916
? 380-885772-1 • WHEEL 1
SN: 3-3916
? 380-890067-1 • HUB 1
SN: 1023-3916
? □380-885770-1 • HUB 1
SN: 3-1022
? 380-890316-1 • SPACER 1
SN: 1011-1022
? 380-885768-1 • WHEEL 1
SN: 3-3916
? 380-S266-000 • BOLT 6
SN: 3-3916
? 380-WL16-000 • WASHER 6
SN: 3-3916
? 380-WF36-000 • WASHER 6
SN: 3-3916
? 380-885769-1 • PIN 2
SN: 3-3916
? 380-885780-1 • O-RING (K1) 1
SN: 3-3916
? 380-885764-1 • COVER 1
SN: 3-3916
? 380-P14-0000 • PLUG 1
SN: 3-3916
? 380-885763-1 • BEARING 1
SN: 3-3916
? 380-885760-1 • O-RING (K1) 1
SN: 3-3916
? 380-885759-1 • GUIDE 1
SN: 3-3916
? 380-S268-000 • BOLT 6
SN: 3-3916
? 380-WL16-000 • WASHER 6
SN: 3-3916
? 380-885761-1 • PLATE 1
SN: 3-3916
? 380-885762-1 • PIN 6
SN: 3-3916
? 380-S267-000 • BOLT 6
SN: 3-3916
? 380-WL16-000 • WASHER 6
SN: 3-3916
? 380-S276-000 BOLT 9
SN: 3-3916
? 380-WL17-000 WASHER 9
SN: 3-3916
? 380-885165-1 SPACER 1
SN: 3-3916
? 01040-41025 BOLT 7
SN: 3-3916
? 01650-01012 WASHER 7
SN: 3-3916
? 380-885166-1 BOLT 2
SN: 3-3916
? 01650-01012 WASHER 2
SN: 3-3916

Wheel Loaders Komatsu / JH60-1 S/N 3-3916(jh60-1r) / TORQUE CONVERTER(060010 : 241)