| Номер на схеме | Каталожный номер | Название | Количество | Детали | |||
|---|---|---|---|---|---|---|---|
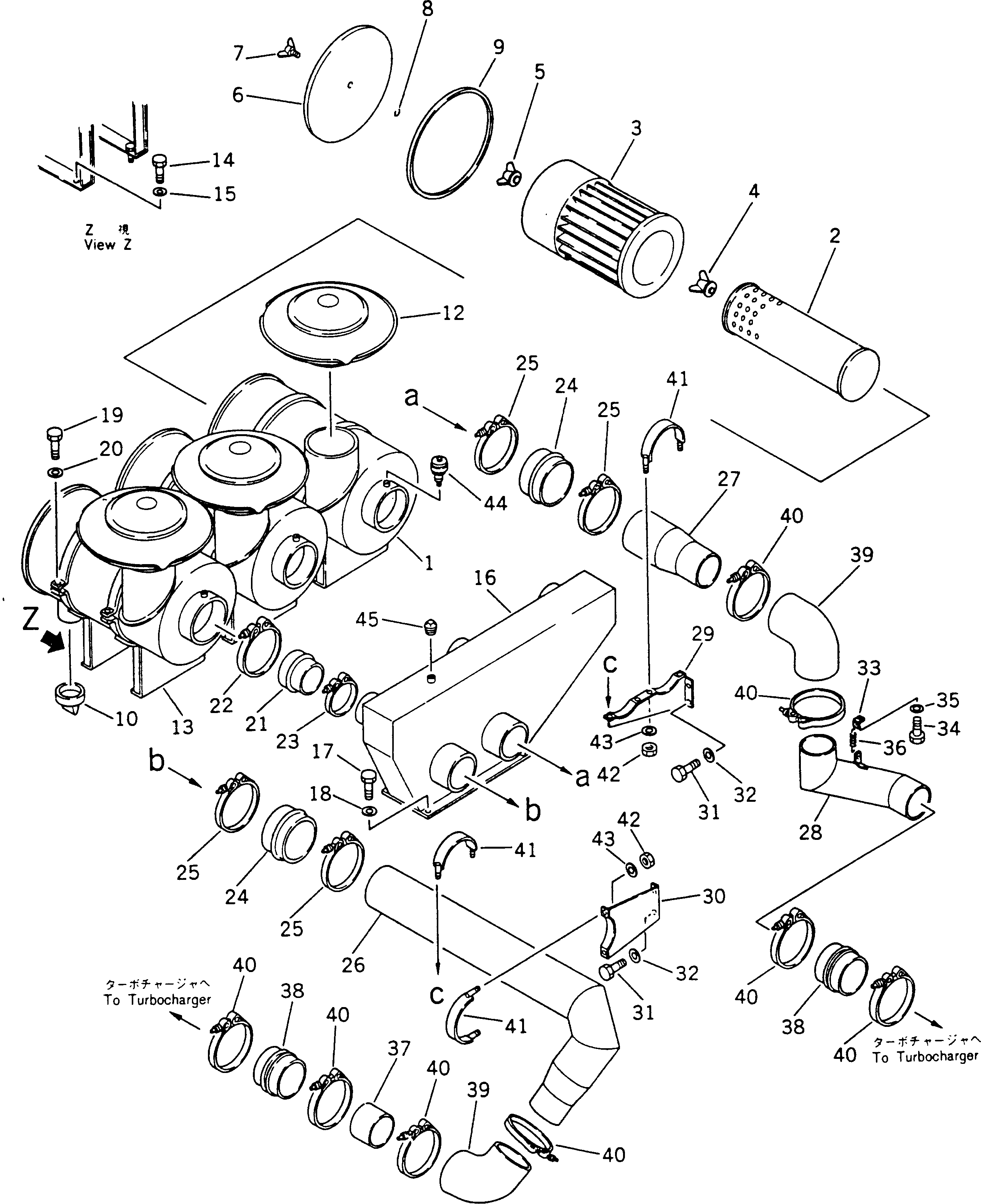
| ? | (561-02-32000) | AIR INTAKE ASS'Y | 1 | SN: 1002- |
|||
| ? | 561-02-12300 | • AIR CLEANER ASS'Y | 3 | SN: 1002- |
|||
| ? | 561-02-12310 | • • BODY | 1 | SN: 1002- |
|||
| ? | 561-02-12320 | • • ELEMENT | 1 | SN: 1002- |
|||
| ? | 561-02-12330 | • • ELEMENT | 1 | SN: 1002- |
|||
| ? | 491-02-11330 | • • NUT | 1 | SN: 1002- |
|||
| ? | 561-02-12350 | • • NUT | 1 | SN: 1002- |
|||
| ? | 561-02-12360 | • • COVER | 1 | SN: 1002- |
|||
| ? | 561-02-12370 | • • NUT | 1 | SN: 1002- |
|||
| ? | 561-02-12380 | • • CLIP | 1 | SN: 1002- |
|||
| ? | 561-02-12390 | • • GASKET | 1 | SN: 1002- |
|||
| ? | 561-02-12410 | • • VALVE | 1 | SN: 1002- |
|||
| ? | 600-181-4980 | • CAP | 3 | SN: 1002- |
|||
| ? | 561-02-12110 | • BAND | 6 | SN: 1002- |
|||
| ? | 01010-51230 | • BOLT | 12 | SN: 1002- |
|||
| ? | 01602-21236 | • WASHER | 12 | SN: 1002- |
|||
| ? | 561-02-32110 | • BOX | 1 | SN: 1002- |
|||
| ? | 01010-51230 | • BOLT | 6 | SN: 1002- |
|||
| ? | 01602-21236 | • WASHER | 6 | SN: 1002- |
|||
| ? | 01010-51040 | • BOLT | 6 | SN: 1002- |
|||
| ? | 01602-21030 | • WASHER | 6 | SN: 1002- |
|||
| ? | 569-02-12230 | • HOSE | 3 | SN: 1002- |
|||
| ? | 561-09-11120 | • CLAMP | 3 | SN: 1002- |
|||
| ? | 566-09-15210 | • CLAMP | 3 | SN: 1002- |
|||
| ? | 568-02-22230 | • HOSE | 2 | SN: 1002- |
|||
| ? | 568-09-11210 | • CLAMP | 4 | SN: 1002- |
|||
| ? | 561-02-32120 | • TUBE | 1 | SN: 1002- |
|||
| ? | 561-02-32130 | • TUBE | 1 | SN: 1002- |
|||
| ? | 561-02-32140 | • TUBE | 1 | SN: 1002- |
|||
| ? | 561-02-12140 | • BRACKET | 1 | SN: 1002- |
|||
| ? | 561-02-32150 | • BRACKET | 1 | SN: 1002- |
|||
| ? | 01010-51225 | • BOLT | 4 | SN: 1002- |
|||
| ? | 01602-21236 | • WASHER | 4 | SN: 1002- |
|||
| ? | 566-35-11280 | • PLATE | 1 | SN: 1002- |
|||
| ? | 01010-51016 | • BOLT | 1 | SN: 1002- |
|||
| ? | 01602-21030 | • WASHER | 1 | SN: 1002- |
|||
| ? | 482-43-13290 | • SPRING | 1 | SN: 1002- |
|||
| ? | 581-02-12350 | • TUBE | 1 | SN: 1002- |
|||
| ? | 6685-11-4333 | • HOSE | 2 | SN: 1002- |
|||
| ? | 568-02-22240 | • ELBOW | 2 | SN: 1002- |
|||
| ? | 287-09-11410 | • CLAMP | 8 | SN: 1002- |
|||
| ? | 566-02-11930 | • BAND | 3 | SN: 1002- |
|||
| ? | 01580-11008 | • NUT | 6 | SN: 1002- |
|||
| ? | 01602-21030 | • WASHER | 6 | SN: 1002- |
|||
| ? | 08670-00635 | • INDICATOR | 3 | SN: 1002- |
