| Номер на схеме | Каталожный номер | Название | Количество | Детали | |||
|---|---|---|---|---|---|---|---|
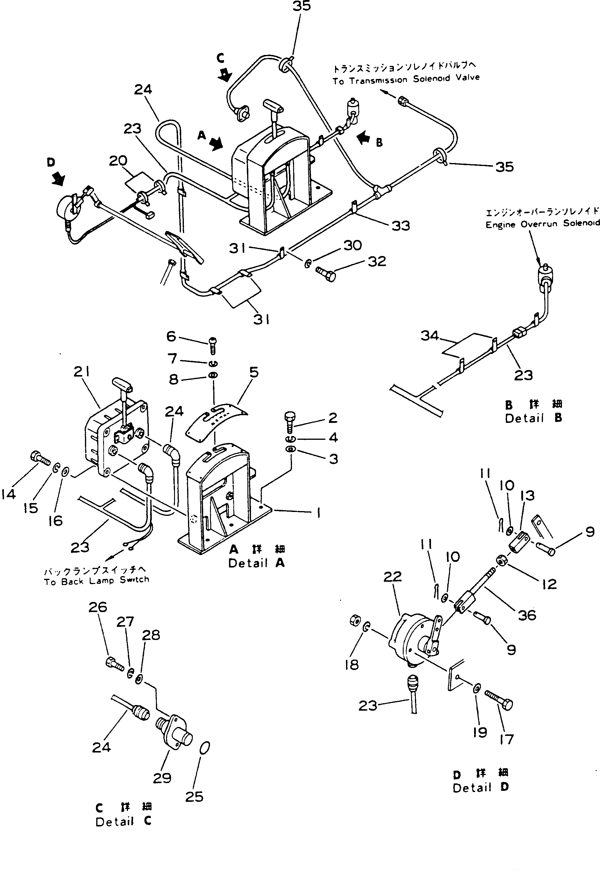
| ? | 566-17-18510 | CONSOLE | 1 | SN: 1002- |
|||
| ? | 01010-51225 | BOLT | 4 | SN: 1002- |
|||
| ? | 01643-31232 | WASHER | 4 | SN: 1002- |
|||
| ? | 01602-21236 | WASHER | 4 | SN: 1002- |
|||
| ? | 287-43-13161 | PLATE | 1 | SN: 1002- |
|||
| ? | 01220-40610 | SCREW | 6 | SN: 1002- |
|||
| ? | 01602-20619 | WASHER | 6 | SN: 1002- |
|||
| ? | 01641-20608 | WASHER | 6 | SN: 1002- |
|||
| ? | 04205-10825 | PIN | 2 | SN: 1002- |
|||
| ? | 01641-20812 | WASHER | 2 | SN: 1002- |
|||
| ? | 04050-12012 | PIN | 2 | SN: 1002- |
|||
| ? | 01580-10806 | NUT | 1 | SN: 1002- |
|||
| ? | 04211-20844 | YOKE | 1 | SN: 1002- |
|||
| ? | 01010-51050 | BOLT | 4 | SN: 1002- |
|||
| ? | 01602-21030 | WASHER | 4 | SN: 1002- |
|||
| ? | 01643-31032 | WASHER | 4 | SN: 1002- |
|||
| ? | 01010-50660 | BOLT | 3 | SN: 1002- |
|||
| ? | 01602-20619 | WASHER | 3 | SN: 1002- |
|||
| ? | 01640-20610 | WASHER | 3 | SN: 1002- |
|||
| ? | 08034-00414 | BAND | 2 | SN: 1002- |
|||
| ? | (569-17-21101) | CONTROLLER ASS'Y | 1 | SN: 1002- |
|||
| ? | 287-17-18901 | SENSOR ASS'Y | 1 | SN: 1002- |
|||
| ? | 569-17-18111 | HARNESS | 1 | SN: 1002- |
|||
| ? | 568-17-18120 | HARNESS | 1 | SN: 1000-1000 |
|||
| ? | 561-17-38110 | HARNESS | 1 | SN: 1002- |
|||
| ? | 07000-63045 | O-RING | 1 | SN: 1002- |
|||
| ? | 01010-50830 | BOLT | 2 | SN: 1002- |
|||
| ? | 01602-20825 | WASHER | 2 | SN: 1002- |
|||
| ? | 01643-30823 | WASHER | 2 | SN: 1002- |
|||
| ? | (287-17-28610) | SENSOR | 1 | SN: 1000-1000 |
|||
| ? | (287-17-28611) | SENSOR | 1 | SN: 1002- |
|||
| ? | 01602-21030 | WASHER | 6 | SN: 1002- |
|||
| ? | 08036-02514 | CLIP | 5 | SN: 1002- |
|||
| ? | 01010-51016 | BOLT | 6 | SN: 1002- |
|||
| ? | 08036-01814 | CLIP | 1 | SN: 1000-1000 |
|||
| ? | 08036-11214 | CLIP | 2 | SN: 1000-1000 |
|||
| ? | 08036-11214 | CLIP | 3 | SN: 1002- |
|||
| ? | 08034-00536 | BAND | 2 | SN: 1000-1000 |
|||
| ? | 08034-00536 | BAND | 3 | SN: 1002- |
|||
| ? | 04244-50806 | ROD | 1 | SN: 1002- |
