| Номер на схеме | Каталожный номер | Название | Количество | Детали | |||
|---|---|---|---|---|---|---|---|
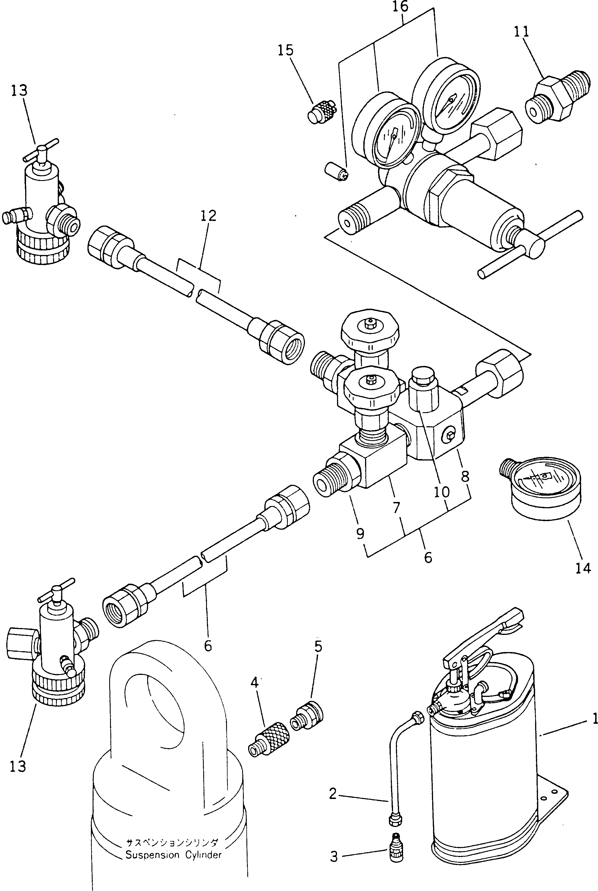
| ? | 566-98-14001 | TOOL ASS'Y,SERVICE | 1 | SN: 1002- |
|||
| ? | 566-98-14300 | • PUMP ASS'Y | 1 | SN: 1002- |
|||
| ? | 566-98-11700 | • • PUMP ASS'Y | 1 | SN: 1002- |
|||
| ? | 566-98-11710 | • • • HOSE | 1 | SN: 1002- |
|||
| ? | 566-98-11720 | • • • JOINT | 1 | SN: 1002- |
|||
| ? | 566-98-14160 | • • JOINT | 1 | SN: 1002- |
|||
| ? | 07020-21732 | • • FITTING | 1 | SN: 1002- |
|||
| ? | 566-98-14400 | • TOOL ASS'Y,CHARGING | 1 | SN: 1002- |
|||
| ? | 566-98-14102 | • • VALVE ASS'Y | 1 | SN: 1002- |
|||
| ? | 566-98-14111 | • • • VALVE | 1 | SN: 1002- |
|||
| ? | 566-98-14122 | • • • VALVE | 1 | SN: 1002- |
|||
| ? | 566-98-14141 | • • • VALVE | 1 | SN: 1002- |
|||
| ? | 566-98-14530 | • • • VALVE | 1 | SN: 1002- |
|||
| ? | 566-98-11180 | • • NIPPLE | 1 | SN: 1002- |
|||
| ? | 566-98-14150 | • • HOSE | 2 | SN: 1002- |
|||
| ? | 566-98-14170 | • • VALVE | 2 | SN: 1002- |
|||
| ? | 281-50-11440 | • • GAUGE | 1 | SN: 1002- |
|||
| ? | 09282-00020 | • • CAP | 1 | SN: 1002- |
|||
| ? | (566-98-14200) | • • REGULATOR ASS'Y | 1 | SN: 1002- |
