| Номер на схеме | Каталожный номер | Название | Количество | Детали | |||
|---|---|---|---|---|---|---|---|
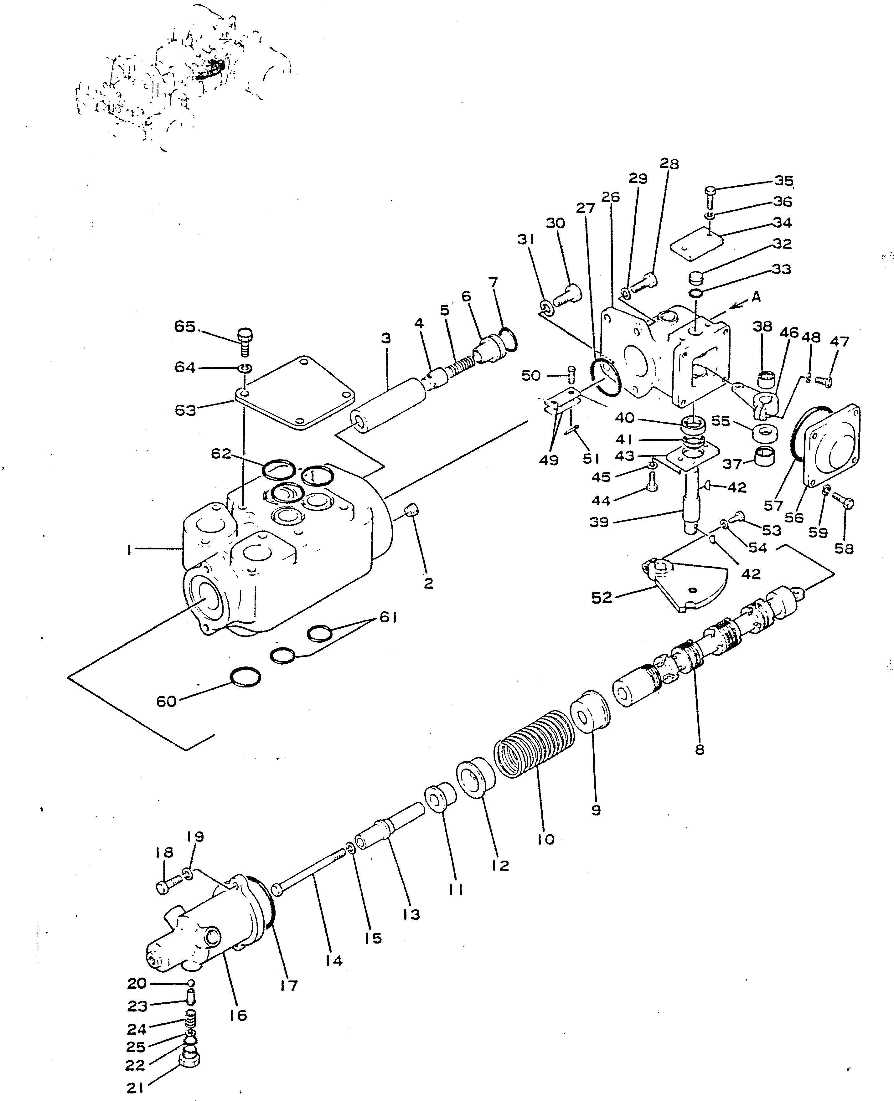
| ? | (561-60-17000) | HOIST VALVE ASS'Y | 1 | SN: 1002-1108 KIT-FLAG: _- SERIALNO: 1002-1108 |
|||
| ? | (568-60-97000) | HOIST VALVE ASS'Y,(-40 DEG. SPEC.) | 1 | SN: 1109- KIT-FLAG: _- SERIALNO: 1109- |
|||
| ? | 701-51-13002 | • HOIST VALVE ASS'Y | 1 | SN: 1079-1108 KIT-FLAG: _- SERIALNO: 1079-1108 |
|||
| ? | 701-52-13000 | • HOIST VALVE ASS'Y,(-40 DEG. SPEC.) | 1 | SN: 1109- KIT-FLAG: _- SERIALNO: 1109- |
|||
| ? | 701-51-32001 | • • VALVE BODY ASS'Y | 1 | SN: 1002-1108 KIT-FLAG: _- SERIALNO: 1002-1108 |
|||
| ? | 701-51-45000 | • • VALVE BODY ASS'Y,(-40 DEG. SPEC.) | 1 | SN: 1109- KIT-FLAG: _- SERIALNO: 1109- |
|||
| ? | ☆ | • • • BODY | 1 | SN: 1002- KIT-FLAG: _- SERIALNO: 1002- |
|||
| ? | 07043-00415 | • • • PLUG | 1 | SN: 1002- KIT-FLAG: _- SERIALNO: 1002- |
|||
| ? | ☆ | • • • COLLAR | 1 | SN: 1002- KIT-FLAG: _- SERIALNO: 1002- |
|||
| ? | 701-53-31120 | • • • VALVE | 1 | SN: 1002- KIT-FLAG: _- SERIALNO: 1002- |
|||
| ? | 701-53-31130 | • • • SPRING | 1 | SN: 1002- KIT-FLAG: _- SERIALNO: 1002- |
|||
| ? | 701-51-32130 | • • • SEAT | 1 | SN: 1002- KIT-FLAG: _- SERIALNO: 1002- |
|||
| ? | 07000-13045 | • • • O-RING | 1 | SN: 1002- KIT-FLAG: _- SERIALNO: 1002- |
|||
| ? | 07000-53045 | • • • O-RING,(-40 DEG. SPEC.) | 1 | SN: 1109- KIT-FLAG: _- SERIALNO: 1109- |
|||
| ? | ☆ | • • • SPOOL | 1 | SN: 1002- KIT-FLAG: _- SERIALNO: 1002- |
|||
| ? | 701-51-31190 | • • • SPACER | 1 | SN: 1002- KIT-FLAG: _- SERIALNO: 1002- |
|||
| ? | 701-51-31231 | • • • SPRING | 1 | SN: 1002- KIT-FLAG: _- SERIALNO: 1002- |
|||
| ? | 701-53-31170 | • • • COLLAR | 1 | SN: 1002- KIT-FLAG: _- SERIALNO: 1002- |
|||
| ? | 701-51-31210 | • • • SPACER | 1 | SN: 1002- KIT-FLAG: _- SERIALNO: 1002- |
|||
| ? | 701-53-31181 | • • • DETENT | 1 | SN: 1002- KIT-FLAG: _- SERIALNO: 1002- |
|||
| ? | 01011-31260 | • • • BOLT | 1 | SN: 1002- KIT-FLAG: _- SERIALNO: 1002- |
|||
| ? | 01602-01236 | • • • WASHER | 1 | SN: 1002- KIT-FLAG: _- SERIALNO: 1002- |
|||
| ? | 701-51-32140 | • • • CASE | 1 | SN: 1002- KIT-FLAG: _- SERIALNO: 1002- |
|||
| ? | 07000-02090 | • • • O-RING | 1 | SN: 1002- KIT-FLAG: _- SERIALNO: 1002- |
|||
| ? | 07000-42090 | • • • O-RING,(-40 DEG. SPEC.) | 1 | SN: 1109- KIT-FLAG: _- SERIALNO: 1109- |
|||
| ? | 01010-51235 | • • • BOLT | 2 | SN: 1002- KIT-FLAG: _- SERIALNO: 1002- |
|||
| ? | 01602-21236 | • • • WASHER | 2 | SN: 1002- KIT-FLAG: _- SERIALNO: 1002- |
|||
| ? | 701-53-31220 | • • • BALL | 3 | SN: 1002- KIT-FLAG: _- SERIALNO: 1002- |
|||
| ? | 701-51-32230 | • • • PLUG | 3 | SN: 1002- KIT-FLAG: _- SERIALNO: 1002- |
|||
| ? | 07002-02434 | • • • O-RING | 3 | SN: 1002- KIT-FLAG: _- SERIALNO: 1002- |
|||
| ? | 07002-42434 | • • • O-RING,(-40 DEG. SPEC.) | 3 | SN: 1109- KIT-FLAG: _- SERIALNO: 1109- |
|||
| ? | 701-53-31231 | • • • GUIDE | 3 | SN: 1002- KIT-FLAG: _- SERIALNO: 1002- |
|||
| ? | 701-53-31241 | • • • SPRING | 3 | SN: 1002- KIT-FLAG: _- SERIALNO: 1002- |
|||
| ? | 01642-00608 | • • • WASHER | 9 | SN: 1002- KIT-FLAG: _- SERIALNO: 1002- |
|||
| ? | 701-51-32150 | • • • CASE | 1 | SN: 1002- KIT-FLAG: _- SERIALNO: 1002- |
|||
| ? | 07000-02075 | • • • O-RING | 1 | SN: 1002- KIT-FLAG: _- SERIALNO: 1002- |
|||
| ? | 07000-42075 | • • • O-RING,(-40 DEG. SPEC.) | 1 | SN: 1109- KIT-FLAG: _- SERIALNO: 1109- |
|||
| ? | 01010-51235 | • • • BOLT | 2 | SN: 1002- KIT-FLAG: _- SERIALNO: 1002- |
|||
| ? | 01602-21236 | • • • WASHER | 2 | SN: 1002- KIT-FLAG: _- SERIALNO: 1002- |
|||
| ? | 01010-51435 | • • • BOLT | 2 | SN: 1002- KIT-FLAG: _- SERIALNO: 1002- |
|||
| ? | 01602-21442 | • • • WASHER | 2 | SN: 1002- KIT-FLAG: _- SERIALNO: 1002- |
|||
| ? | 701-51-32240 | • • • SEAT | 1 | SN: 1002- KIT-FLAG: _- SERIALNO: 1002- |
|||
| ? | 07000-02020 | • • • O-RING | 1 | SN: 1002- KIT-FLAG: _- SERIALNO: 1002- |
|||
| ? | 07000-42020 | • • • O-RING,(-40 DEG. SPEC.) | 1 | SN: 1109- KIT-FLAG: _- SERIALNO: 1109- |
|||
| ? | 701-51-32250 | • • • PLATE | 1 | SN: 1002- KIT-FLAG: _- SERIALNO: 1002- |
|||
| ? | 01010-50820 | • • • BOLT | 2 | SN: 1002- KIT-FLAG: _- SERIALNO: 1002- |
|||
| ? | 01602-20825 | • • • WASHER | 2 | SN: 1002- KIT-FLAG: _- SERIALNO: 1002- |
|||
| ? | 06120-02520 | • • • BEARING | 1 | SN: 1002- KIT-FLAG: _- SERIALNO: 1002- |
|||
| ? | 06120-02016 | • • • BEARING | 1 | SN: 1002- KIT-FLAG: _- SERIALNO: 1002- |
|||
| ? | 701-51-32160 | • • • SHAFT | 1 | SN: 1002- KIT-FLAG: _- SERIALNO: 1002- |
|||
| ? | 07430-11161 | • • • SEAL | 1 | SN: 1002- KIT-FLAG: _- SERIALNO: 1002- |
|||
| ? | (☒07430-11162) | • • • SEAL | 1 | SN: (1002-.) KIT-FLAG: _- SERIALNO: (1002-.) |
|||
| ? | 07430-11260 | • • • SEAL,OIL (-40 DEG. SPEC.) | 1 | SN: 1109- KIT-FLAG: _- SERIALNO: 1109- |
|||
| ? | 07016-00256 | • • • SEAL | 1 | SN: 1002- KIT-FLAG: _- SERIALNO: 1002- |
|||
| ? | 07016-10256 | • • • SEAL,(-40 DEG. SPEC.) | 1 | SN: 1109- KIT-FLAG: _- SERIALNO: 1109- |
|||
| ? | 04010-00519 | • • • KEY | 2 | SN: 1002- KIT-FLAG: _- SERIALNO: 1002- |
|||
| ? | 701-51-32170 | • • • PLATE | 1 | SN: 1002- KIT-FLAG: _- SERIALNO: 1002- |
|||
| ? | 01010-50820 | • • • BOLT | 2 | SN: 1002- KIT-FLAG: _- SERIALNO: 1002- |
|||
| ? | 01602-20825 | • • • WASHER | 2 | SN: 1002- KIT-FLAG: _- SERIALNO: 1002- |
|||
| ? | 701-51-32260 | • • • LEVER | 1 | SN: 1002- KIT-FLAG: _- SERIALNO: 1002- |
|||
| ? | 01010-30830 | • • • BOLT | 1 | SN: 1002- KIT-FLAG: _- SERIALNO: 1002- |
|||
| ? | 01602-00825 | • • • WASHER | 1 | SN: 1002- KIT-FLAG: _- SERIALNO: 1002- |
|||
| ? | 141-60-32170 | • • • YOKE | 2 | SN: 1002- KIT-FLAG: _- SERIALNO: 1002- |
|||
| ? | 04205-01028 | • • • PIN | 2 | SN: 1002- KIT-FLAG: _- SERIALNO: 1002- |
|||
| ? | 04050-03015 | • • • PIN | 2 | SN: 1002- KIT-FLAG: _- SERIALNO: 1002- |
|||
| ? | 701-51-32280 | • • • LEVER | 1 | SN: 1002- KIT-FLAG: _- SERIALNO: 1002- |
|||
| ? | 01010-50830 | • • • BOLT | 1 | SN: 1002- KIT-FLAG: _- SERIALNO: 1002- |
|||
| ? | 01602-20825 | • • • WASHER | 1 | SN: 1002- KIT-FLAG: _- SERIALNO: 1002- |
|||
| ? | 701-51-32270 | • • • SPACER | 1 | SN: 1002- KIT-FLAG: _- SERIALNO: 1002- |
|||
| ? | 701-51-32190 | • • • COVER | 1 | SN: 1002- KIT-FLAG: _- SERIALNO: 1002- |
|||
| ? | 07000-02090 | • • • O-RING | 1 | SN: 1002- KIT-FLAG: _- SERIALNO: 1002- |
|||
| ? | 07000-42090 | • • • O-RING,(-40 DEG. SPEC.) | 1 | SN: 1109- KIT-FLAG: _- SERIALNO: 1109- |
|||
| ? | 01010-51030 | • • • BOLT | 4 | SN: 1002- KIT-FLAG: _- SERIALNO: 1002- |
|||
| ? | 01602-21030 | • • • WASHER | 4 | SN: 1002- KIT-FLAG: _- SERIALNO: 1002- |
|||
| ? | 07000-13055 | • • • O-RING | 1 | SN: 1002- KIT-FLAG: _- SERIALNO: 1002- |
|||
| ? | 07000-53055 | • • • O-RING,(-40 DEG. SPEC.) | 1 | SN: 1109- KIT-FLAG: _- SERIALNO: 1109- |
|||
| ? | 701-51-31250 | • • • O-RING | 2 | SN: 1002- KIT-FLAG: _- SERIALNO: 1002- |
|||
| ? | 701-51-31390 | • • • O-RING,(-40 DEG. SPEC.) | 2 | SN: 1109- KIT-FLAG: _- SERIALNO: 1109- |
|||
| ? | 07000-12055 | • • • O-RING | 3 | SN: 1002- KIT-FLAG: _- SERIALNO: 1002- |
|||
| ? | 07000-52055 | • • • O-RING,(-40 DEG. SPEC.) | 3 | SN: 1109- KIT-FLAG: _- SERIALNO: 1109- |
|||
| ? | 701-51-32290 | • • • PLATE | 1 | SN: 1079- KIT-FLAG: _- SERIALNO: 1079- |
|||
| ? | 01010-51440 | • • • BOLT | 4 | SN: 1079- KIT-FLAG: _- SERIALNO: 1079- |
|||
| ? | 01602-21442 | • • • WASHER | 4 | SN: 1079- KIT-FLAG: _- SERIALNO: 1079- |
