| Номер на схеме | Каталожный номер | Название | Количество | Детали | |||
|---|---|---|---|---|---|---|---|
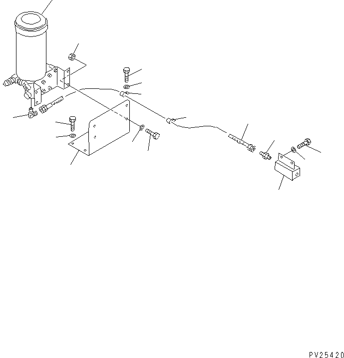
| ? | 566-95-6A111 | BRACKET | 1 | SN: 1001- KIT-FLAG: _- SERIALNO: 1001- |
|||
| ? | 01010-81220 | BOLT | 4 | SN: 1001- KIT-FLAG: _- SERIALNO: 1001- |
|||
| ? | 01643-31232 | WASHER | 4 | SN: 1001- KIT-FLAG: _- SERIALNO: 1001- |
|||
| ? | 566-95-6A190 | PUMP ASS'Y | 1 | SN: 1001- KIT-FLAG: _- SERIALNO: 1001- |
|||
| ? | 421-S95-3330 | • MOTOR | 1 | SN: 1001- KIT-FLAG: _- SERIALNO: 1001- |
|||
| ? | 566-95-6A860 | • TANK,GREASE | 1 | SN: 1001- KIT-FLAG: _- SERIALNO: 1001- |
|||
| ? | 01010-80820 | BOLT | 4 | SN: 1001- KIT-FLAG: _- SERIALNO: 1001- |
|||
| ? | 01643-31032 | WASHER | 4 | SN: 1001- KIT-FLAG: _- SERIALNO: 1001- |
|||
| ? | 01580-10806 | NUT | 1 | SN: 1001- KIT-FLAG: _- SERIALNO: 1001- |
|||
| ? | 566-95-6A121 | JOINT | 1 | SN: 1001- KIT-FLAG: _- SERIALNO: 1001- |
|||
| ? | 01010-81020 | BOLT | 2 | SN: 1001- KIT-FLAG: _- SERIALNO: 1001- |
|||
| ? | 01643-31032 | WASHER | 2 | SN: 1001- KIT-FLAG: _- SERIALNO: 1001- |
|||
| ? | 07121-00313 | HOSE | 1 | SN: 1001- KIT-FLAG: _- SERIALNO: 1001- |
|||
| ? | 566-35-14380 | ELBOW | 1 | SN: 1001- KIT-FLAG: _- SERIALNO: 1001- |
|||
| ? | 07238-10315 | CONNECTOR | 1 | SN: 1001- KIT-FLAG: _- SERIALNO: 1001- |
|||
| ? | 04434-50610 | CLIP | 2 | SN: 1001- KIT-FLAG: _- SERIALNO: 1001- |
|||
| ? | 01010-81020 | BOLT | 2 | SN: 1001- KIT-FLAG: _- SERIALNO: 1001- |
|||
| ? | 01643-31032 | WASHER | 2 | SN: 1001- KIT-FLAG: _- SERIALNO: 1001- |