| Номер на схеме | Каталожный номер | Название | Количество | Детали | |||
|---|---|---|---|---|---|---|---|
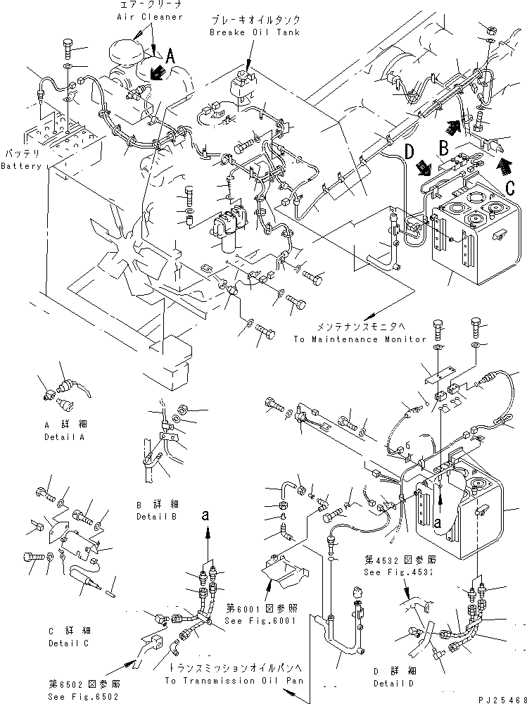
| ? | 7861-92-4400 | SENSOR,BATTERY LIQUID LEVEL | 1 | SN: 1001-@ |
|||
| ? | 08053-01512 | CLIP | 6 | SN: 1001-@ |
|||
| ? | 01010-51016 | BOLT | 4 | SN: 1001-@ |
|||
| ? | 01643-31032 | WASHER | 4 | SN: 1001-@ |
|||
| ? | 01010-51220 | BOLT | 1 | SN: 1001-@ |
|||
| ? | 01643-31232 | WASHER | 1 | SN: 1001-@ |
|||
| ? | 7861-92-4311 | SENSOR,BRAKE DISC WEAR | 2 | SN: 1001-@ |
|||
| ? | 07002-21823 | • O-RING | 1 | SN: 1001-@ |
|||
| ? | 566-86-6A130 | COVER,L.H. | 1 | SN: 1001-@ |
|||
| ? | 566-86-6A310 | ROD | 2 | SN: 1001-@ |
|||
| ? | 566-86-6A120 | COVER,R.H. | 1 | SN: 1001-@ |
|||
| ? | 566-86-6A150 | COVER | 2 | SN: 1001-@ |
|||
| ? | 01010-51016 | BOLT | 4 | SN: 1001-@ |
|||
| ? | 01643-31032 | WASHER | 4 | SN: 1001-@ |
|||
| ? | 01252-31025 | BOLT | 4 | SN: 1001-@ |
|||
| ? | 01643-51032 | WASHER | 4 | SN: 1001-@ |
|||
| ? | 566-86-6A140 | WIRING HARNESS | 1 | SN: 1001-@ |
|||
| ? | 7861-92-4210 | SENSOR,HYDRAULIC OIL LEVEL | 1 | SN: 1001-@ |
|||
| ? | 7861-91-4220 | • O-RING | 1 | SN: 1001-@ |
|||
| ? | 01010-50612 | BOLT | 3 | SN: 1001-@ |
|||
| ? | 01643-30623 | WASHER | 3 | SN: 1001-@ |
|||
| ? | (7861-92-4210) | SENSOR,ENGINE OIL LEVEL | 1 | SN: 1001-@ |
|||
| ? | (7861-91-4220) | • O-RING | 1 | SN: 1001-@ |
|||
| ? | (01010-50612) | BOLT | 3 | SN: 1001-@ |
|||
| ? | (01643-30623) | WASHER | 3 | SN: 1001-@ |
|||
| ? | (6212-51-5702) | OIL FILTER ASS'Y,FULL FLOW | 1 | SN: 1001-@ |
|||
| ? | ((☒6212-51-5700)) | OIL FILTER ASS'Y,FULL FLOW | 1 | SN: (1001-1054) |
|||
| ? | (600-211-1940) | • ALARM ASS'Y,FULL FLOW FILTER | 1 | SN: 1001-@ |
|||
| ? | (07005-01612) | • GASKET | 1 | SN: 1001-@ |
|||
| ? | (566-60-6G211) | TANK,HYDRAULIC | 1 | SN: .-@ |
|||
| ? | (□566-60-6B112) | TANK,HYDRAULIC | 1 | SN: 1001-. |
|||
| ? | 7815-16-2700 | SENSOR,AIR CLEANER | 1 | SN: 1001-@ |
|||
| ? | 566-86-6A220 | TEE | 1 | SN: .-1054 |
|||
| ? | □566-06-42390 | JOINT | 1 | SN: 1001-. |
|||
| ? | 7861-92-4520 | SENSOR,TRANSMISSION OIL LEVEL | 1 | SN: 1001-@ |
|||
| ? | 07002-23634 | O-RING | 1 | SN: 1001-@ |
|||
| ? | 566-86-6A112 | WIRING HARNESS | 1 | SN: 1001-1054 |
|||
| ? | 08036-01414 | CLIP | 13 | SN: 1001-@ |
|||
| ? | 08036-01014 | CLIP | 11 | SN: 1001-@ |
|||
| ? | 01010-51016 | BOLT | 2 | SN: 1001-@ |
|||
| ? | 01643-31032 | WASHER | 2 | SN: 1001-@ |
|||
| ? | 08034-00414 | BAND | 21 | SN: 1001-@ |
|||
| ? | 08034-00519 | BAND | 8 | SN: 1001-@ |
|||
| ? | 566-60-6B612 | TUBE,FILLER | 1 | SN: 1001-@ |
|||
| ? | 07822-00604 | TUBE | 1 | SN: 1001-@ |
|||
| ? | 07834-00613 | ELBOW | 2 | SN: 1001-@ |
|||
| ? | 07831-00612 | SLEEVE | 2 | SN: 1001-@ |
|||
| ? | 07832-00614 | NUT | 2 | SN: 1001-@ |
|||
| ? | 566-35-14350 | ELBOW | 3 | SN: 1001-@ |
|||
| ? | 566-35-14340 | NIPPLE | 4 | SN: 1001-@ |
|||
| ? | 566-35-14360 | NIPPLE | 1 | SN: 1001-@ |
|||
| ? | 07102-20305 | HOSE | 4 | SN: 1001-@ |
|||
| ? | 281-04-15540 | TUBE,SPIRAL | 4 | SN: 1001-@ |
|||
| ? | 391-62-19240 | CLIP | 2 | SN: 1001-@ |
|||
| ? | 569-06-62780 | BLOCK | 2 | SN: 1001-@ |
|||
| ? | 07000-32014 | O-RING | 4 | SN: 1001-@ |
|||
| ? | 7861-92-1910 | SENSOR,HYDRAULIC OIL FILTER | 2 | SN: 1001-@ |
|||
| ? | 07002-21623 | O-RING | 2 | SN: 1001-@ |
|||
| ? | 01010-50645 | BOLT | 4 | SN: 1001-@ |
|||
| ? | 01010-50655 | BOLT | 4 | SN: 1001-@ |
|||
| ? | 01643-30623 | WASHER | 8 | SN: 1001-@ |
|||
| ? | 566-06-6A150 | COVER | 1 | SN: 1001-@ |
|||
| ? | 08053-01512 | CLIP | 4 | SN: 1001-@ |
|||
| ? | 01010-51020 | BOLT | 4 | SN: 1001-@ |
|||
| ? | 01643-31032 | WASHER | 5 | SN: 1001-@ |
|||
| ? | 01580-11008 | NUT | 1 | SN: 1001-@ |
|||
| ? | 561-61-63660 | PLATE | 1 | SN: 1001-@ |
|||
| ? | 07283-24354 | CLIP | 2 | SN: 1001-@ |
|||
| ? | 01643-31032 | WASHER | 4 | SN: 1001-@ |
|||
| ? | 01599-01011 | NUT | 4 | SN: 1001-@ |
|||
| ? | 144-874-7470 | BOSS | 8 | SN: 1001-@ |
|||
| ? | 01010-81060 | BOLT | 8 | SN: 1001-@ |
|||
| ? | 01643-31032 | WASHER | 8 | SN: 1001-@ |