k-part
Номер на схеме Каталожный номер Название Количество Детали
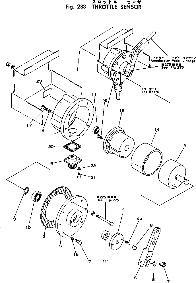
? 287-17-18901 SENSOR ASS'Y 1
SN: 1002-
? 287-17-18911 • HOUSING 1
SN: 1002-
? 287-17-18920 • GASKET 1
SN: 1002-
? 287-17-18931 • COVER 1
SN: 1002-
? 287-17-18941 • WASHER 1
SN: 1002-
? 01224-30306 • SCREW 2
SN: 1002-
? 287-17-18951 • LEVER 1
SN: 1002-
? 04010-00310 • KEY 1
SN: 1002-
? 01010-50625 • BOLT 1
SN: 1002-
? 01602-20619 • WASHER 1
SN: 1002-
? 287-17-18981 • SHAFT 1
SN: 1002-
? 06000-06001 • BEARING 1
SN: 1002-
? 06000-00626 • BEARING 1
SN: 1002-
? 287-17-19730 • SEAL 1
SN: 1002-
? 04064-01210 • RING 1
SN: 1002-
? 287-17-17911 • SWITCH ASS'Y 1
SN: 1002-
? 287-17-18971 • HOLDER 1
SN: 1002-
? 287-17-19740 • SCREW 3
SN: 1002-
? 01220-40412 • SCREW 5
SN: 1002-
? 01601-20410 • WASHER 5
SN: 1002-
? 566-06-12760 • RECEPTACLE 1
SN: 1002-
? 566-06-12660 • GASKET 1
SN: 1002-
? 01220-40310 • SCREW 4
SN: 1002-
? 01601-20307 • WASHER 4
SN: 1002-
? 7802-85-2820 • PLATE 1
SN: 1002-

Dump Trucks Komatsu / HD460-1 S/N 1002-UP(hd460-1r) / THROTTLE SENSOR(060340 : 283)