| Номер на схеме | Каталожный номер | Название | Количество | Детали | |||
|---|---|---|---|---|---|---|---|
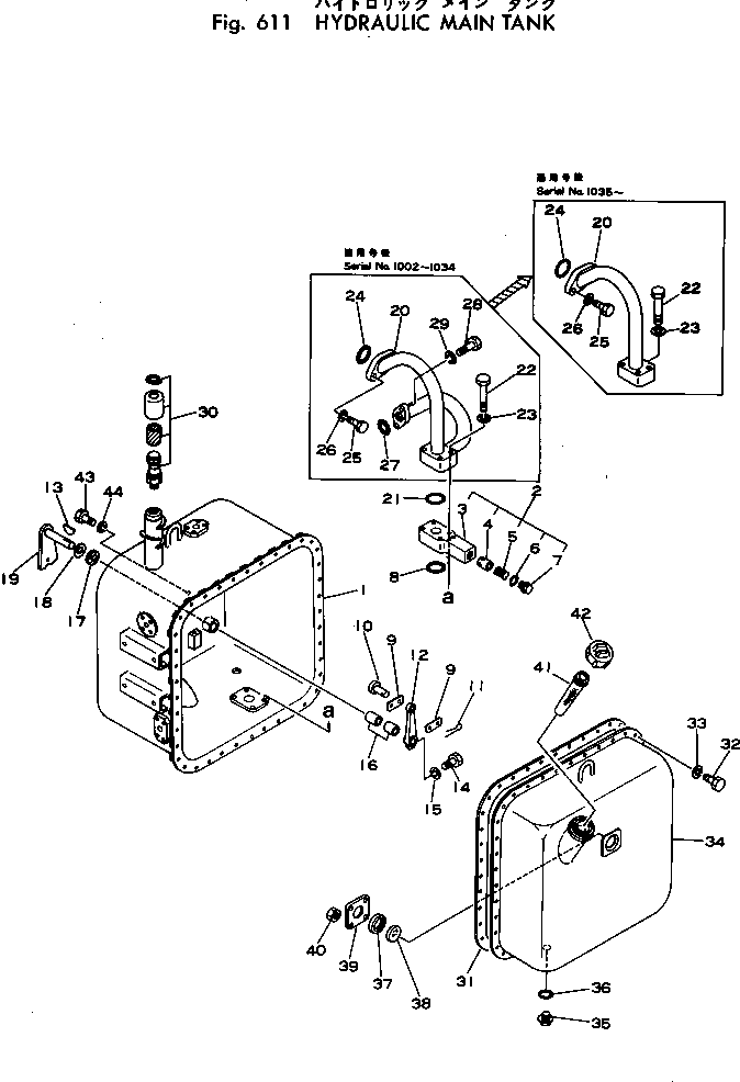
| ? | 569-60-15004 | MAIN TANK ASS'Y | 1 | SN: 1069- |
|||
| ? | 569-60-15003 | MAIN TANK ASS'Y | 1 | SN: 1047-1068 |
|||
| ? | □569-60-15002 | MAIN TANK ASS'Y | 1 | SN: 1035-1046 |
|||
| ? | □569-60-15001 | MAIN TANK ASS'Y | 1 | SN: 1002-1034 |
|||
| ? | 569-60-15112 | • TANK | 1 | SN: 1069- |
|||
| ? | 569-60-15111 | • TANK | 1 | SN: 1002-1068 |
|||
| ? | 569-60-15101 | • RELIEF VALVE ASS'Y | 1 | SN: 1069- |
|||
| ? | 569-60-15100 | • RELIEF VALVE ASS'Y | 1 | SN: 1002-1068 |
|||
| ? | 569-60-15120 | • • BODY | 1 | SN: 1002- |
|||
| ? | 701-30-67121 | • • VALVE | 1 | SN: 1002- |
|||
| ? | 561-60-11170 | • • SPRING | 1 | SN: 1069- |
|||
| ? | 568-61-15611 | • • SPRING | 1 | SN: 1002-1068 |
|||
| ? | 566-16-11351 | • • PLUG | 1 | SN: 1002- |
|||
| ? | 07000-03032 | • • O-RING | 1 | SN: 1035- |
|||
| ? | □07000-23032 | • • O-RING | 1 | SN: 1002-1034 |
|||
| ? | 07000-02060 | • O-RING | 1 | SN: 1035- |
|||
| ? | □07000-22060 | • O-RING | 1 | SN: 1002-1034 |
|||
| ? | 566-60-15230 | • PLATE | 2 | SN: 1002- |
|||
| ? | 04205-01026 | • PIN | 2 | SN: 1002- |
|||
| ? | 04050-03015 | • PIN | 2 | SN: 1002- |
|||
| ? | 04240-10232 | • LEVER | 1 | SN: 1002- |
|||
| ? | 04010-00519 | • KEY | 1 | SN: 1002- |
|||
| ? | 01010-50830 | • BOLT | 1 | SN: 1002- |
|||
| ? | 01602-20825 | • WASHER | 1 | SN: 1002- |
|||
| ? | 06120-02016 | • BEARING | 2 | SN: 1069- |
|||
| ? | □06120-02030 | • BEARING | 2 | SN: 1002-1068 |
|||
| ? | 130-09-11450 | • SEAL,OIL | 1 | SN: 1002- |
|||
| ? | 01640-22032 | • WASHER | 1 | SN: 1002- |
|||
| ? | 566-60-15242 | • LEVER | 1 | SN: 1002- |
|||
| ? | 569-60-15131 | • TUBE | 1 | SN: 1035- |
|||
| ? | 569-60-15130 | • TUBE | 1 | SN: 1002-1034 |
|||
| ? | 07000-02060 | • O-RING | 1 | SN: 1035- |
|||
| ? | □07000-22060 | • O-RING | 1 | SN: 1002-1034 |
|||
| ? | 01011-31215 | • BOLT | 4 | SN: 1002-1034 |
|||
| ? | 01010-31285 | • BOLT | 4 | SN: 1035- |
|||
| ? | 01602-01236 | • WASHER | 4 | SN: 1002- |
|||
| ? | 07000-03042 | • O-RING | 1 | SN: 1035- |
|||
| ? | □07000-23042 | • O-RING | 1 | SN: 1002-1034 |
|||
| ? | 01010-51440 | • BOLT | 2 | SN: 1002- |
|||
| ? | 01602-21442 | • WASHER | 2 | SN: 1002- |
|||
| ? | 07000-23035 | • O-RING | 1 | SN: 1002- |
|||
| ? | 01010-51030 | • BOLT | 2 | SN: 1002- |
|||
| ? | 01602-21030 | • WASHER | 2 | SN: 1002- |
|||
| ? | 568-60-15330 | • BREATHER | 1 | SN: 1002- |
|||
| ? | 285-62-17320 | • • ELEMENT | 1 | SN: 1002- |
|||
| ? | 130-60-13181 | • GASKET | 1 | SN: 1002- |
|||
| ? | 01010-51025 | • BOLT | 40 | SN: 1002- |
|||
| ? | 01602-21030 | • WASHER | 40 | SN: 1002- |
|||
| ? | 565-60-18140 | • TANK | 1 | SN: 1002- |
|||
| ? | 07044-13620 | • PLUG | 1 | SN: 1002- |
|||
| ? | 07002-03634 | • O-RING | 1 | SN: 1002- |
|||
| ? | 07715-11257 | • RING | 1 | SN: 1002- |
|||
| ? | 07715-00651 | • COVER | 1 | SN: 1002- |
|||
| ? | 07715-21074 | • CASE | 1 | SN: 1002- |
|||
| ? | 01598-11011 | • NUT | 4 | SN: 1002- |
|||
| ? | 141-60-33730 | • STRAINER | 1 | SN: 1069- |
|||
| ? | □07056-10045 | • STRAINER | 1 | SN: 1002-1068 |
|||
| ? | 07051-00000 | • CAP | 1 | SN: 1002- |
|||
| ? | 01010-51225 | • BOLT | 2 | SN: 1002- |
|||
| ? | 01602-21236 | • WASHER | 2 | SN: 1002- |
