k-part
Номер на схеме Каталожный номер Название Количество Детали
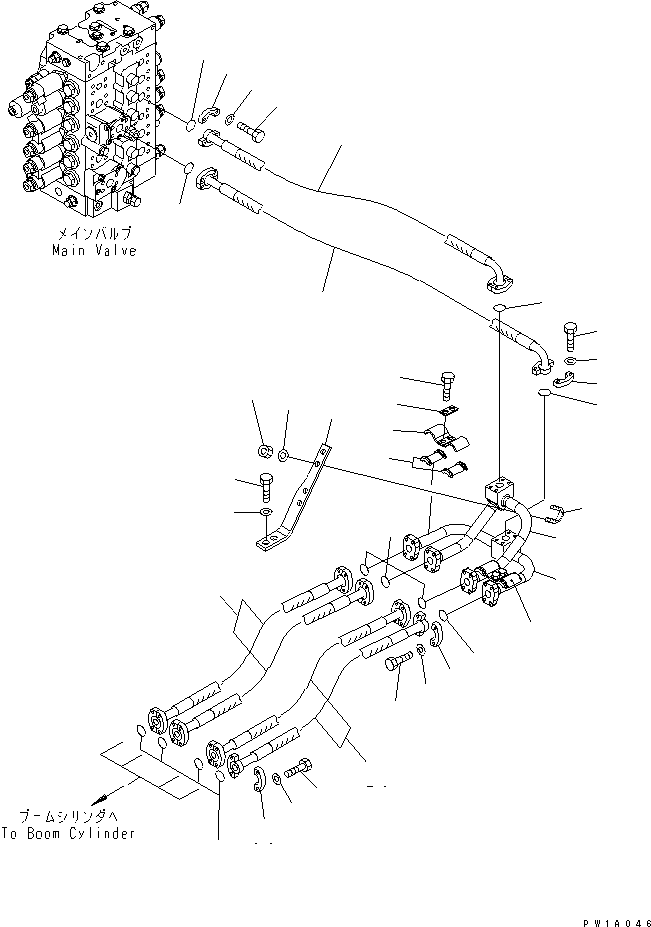
? 22U-62-22141 HOSE 1
SN: 20001-
? 07000-13025 O-RING 1
SN: 20001-
? 21T-09-11460 O-RING 1
SN: 20001-
? 22U-62-22150 HOSE 1
SN: 20001-
? 07000-13025 O-RING 1
SN: 20001-
? 21T-09-11460 O-RING 1
SN: 20001-
? 07371-30640 FLANGE 4
SN: 20001-
? 07372-21035 BOLT 8
SN: 20001-
? 01643-51032 WASHER 8
SN: 20001-
? 07371-31049 FLANGE 4
SN: 20001-
? 07372-21035 BOLT 8
SN: 20001-
? 01643-51032 WASHER 8
SN: 20001-
? 22U-62-21361 TUBE 1
SN: 20001-
? 22U-62-21371 TUBE 1
SN: 20001-
? 20Y-62-13230 CLAMP 2
SN: 20001-
? 20Y-62-13760 • SEAT 4
SN: 20001-
? 01010-81235 BOLT 4
SN: 20001-
? 20Y-62-13450 PLATE 2
SN: 20001-
? 22U-62-21411 PLATE 1
SN: 20001-
? 07283-32738 CLIP 2
SN: 20001-
? 01597-01009 NUT 4
SN: 20001-
? 01643-31032 WASHER 4
SN: 20001-
? 01010-81230 BOLT 2
SN: 20001-
? 01643-31232 WASHER 2
SN: 20001-
? 20Y-62-17480 HOSE 4
SN: 20001-
? 07000-13025 O-RING 8
SN: 20001-
? 07371-30640 FLANGE 8
SN: 20001-
? 07372-21035 BOLT 16
SN: 20001-
? 01643-51032 WASHER 16
SN: 20001-
? 07371-30640 FLANGE 8
SN: 20001-
? 07372-21035 BOLT 16
SN: 20001-
? 01643-51032 WASHER 16
SN: 20001-

Excavators Komatsu / PC228USLC-3N-YA S/N 30001-UP(pc228uqr) / BOOM LINE(#20001-)(150180 : H1210-01A0)
?
?
?
?
?
?
?
?
?
?
?
?
?
?
?
?
?
?
?
?
?
?
?
?
?
?
?
?
?
?
?
?
?
?
?
?