k-part
Номер на схеме Каталожный номер Название Количество Детали
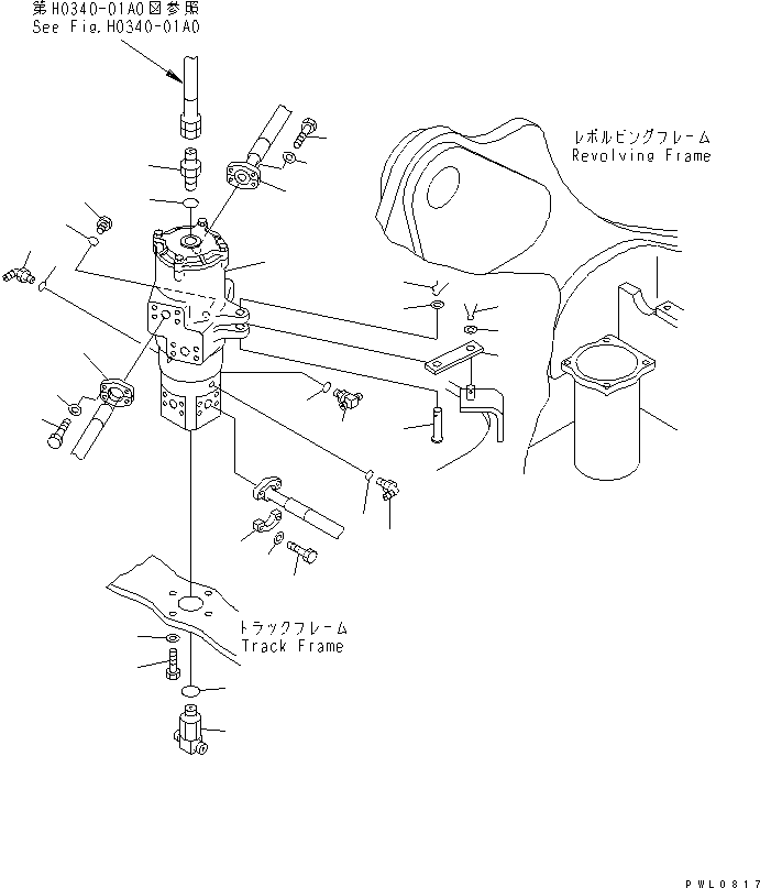
? 703-10-00120 SWIVEL JOINT ASS'Y 1
SN: 11001-
? 07230-20522 UNION 1
SN: 11001-
? 07235-10522 ELBOW 2
SN: 11001-
? 07002-12434 O-RING 3
SN: 11001-
? 07235-10210 ELBOW 1
SN: 11001-
? 07002-01423 O-RING 1
SN: 11001-
? 208-26-11611 TEE 1
SN: 11001-
? 07002-01423 O-RING 1
SN: 11001-
? 20Y-62-21870 TEE 1
SN: 11001-
? 07002-02434 O-RING 1
SN: 11001-
? 07371-30640 FLANGE 20
SN: 11001-
? 07372-21035 BOLT 40
SN: 11001-
? 01643-51032 WASHER 40
SN: 11001-
? 205-62-52560 PLATE 1
SN: 11001-
? 209-62-52560 PIN 1
SN: 11001-
? 01641-21626 WASHER 2
SN: 11001-
? 04052-11664 PIN 1
SN: 11001-
? 04050-14025 PIN 1
SN: 11001-
? 01010-81235 BOLT 4
SN: 11001-
? 01643-31232 WASHER 4
SN: 11001-

Excavators Komatsu / PC228USLC-1-TN S/N 11001-UP(pc228usr) / SWIVEL JOINT (CONNECTING PARTS) (TRAVEL SPEED 3RD) (BLADE SPEC.)(270050 : N1310-01A2)
?
?
?
?
?
?
?
?
?
?
?
?
?
?
?
?
?
?
?
?
?
?
?
?
?
?
?
?
?
?