| Номер на схеме | Каталожный номер | Название | Количество | Детали | |||
|---|---|---|---|---|---|---|---|
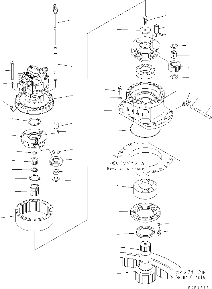
| ? | (706-75-01170) | MOTOR ASS'Y | 1 | SN: 15001- |
|||
| ? | 20Y-26-22270 | RING | 1 | SN: 15001- |
|||
| ? | 07042-30108 | PLUG | 1 | SN: 15001- |
|||
| ? | 20Y-26-22210 | CASE | 1 | SN: 15001- |
|||
| ? | 20Y-26-22330 | BEARING | 1 | SN: 15001- |
|||
| ? | 20Y-26-22340 | BEARING | 1 | SN: 15001- |
|||
| ? | 20Y-26-22191 | COVER | 1 | SN: 15001- |
|||
| ? | 01010-81045 | BOLT | 12 | SN: 15001- |
|||
| ? | 01643-31032 | WASHER | 12 | SN: 15001- |
|||
| ? | 20Y-26-22420 | SEAL | 1 | SN: 15001- |
|||
| ? | 20Y-26-21141 | SHAFT ? 15 TEETH | 1 | SN: 15001- |
|||
| ? | 20Y-26-22170 | CARRIER | 1 | SN: 15001- |
|||
| ? | 20Y-26-22141 | GEAR ? 36 TEETH | 4 | SN: 15001- |
|||
| ? | 20G-26-11240 | BEARING | 4 | SN: 15001- |
|||
| ? | 20Y-27-21240 | WASHER | 8 | SN: 15001- |
|||
| ? | 20Y-26-22250 | PIN | 4 | SN: 15001- |
|||
| ? | 20Y-27-21280 | PIN | 4 | SN: 15001- |
|||
| ? | 20Y-26-21240 | PLATE | 1 | SN: 15001- |
|||
| ? | 112-32-11211 | BOLT ? SHOE | 1 | SN: 15001- |
|||
| ? | 20Y-26-22150 | GEAR ? 101 TEETH | 1 | SN: 15001- |
|||
| ? | 20Y-26-22131 | GEAR ? 27 TEETH | 1 | SN: 15001- |
|||
| ? | 04064-07525 | RING | 1 | SN: 15001- |
|||
| ? | 20Y-26-22220 | THRUST WASHER | 1 | SN: 15001- |
|||
| ? | 20Y-26-22160 | CARRIER | 1 | SN: 15001- |
|||
| ? | 20Y-26-22120 | GEAR ? 39 TEETH | 3 | SN: 15001- |
|||
| ? | 20Y-26-21280 | BEARING | 3 | SN: 15001- |
|||
| ? | 20Y-27-21240 | WASHER | 6 | SN: 15001- |
|||
| ? | 20Y-26-22240 | PIN | 3 | SN: 15001- |
|||
| ? | 20Y-27-21280 | PIN | 3 | SN: 15001- |
|||
| ? | 20Y-26-22110 | GEAR ? 22 TEETH | 1 | SN: 15001- |
|||
| ? | 20Y-26-22230 | THRUST WASHER | 1 | SN: 15001- |
|||
| ? | 195-03-13241 | VALVE | 1 | SN: 15001- |
|||
| ? | 205-26-71620 | TUBE | 1 | SN: 15001- |
|||
| ? | 07281-00197 | CLAMP | 1 | SN: 15001- |
|||
| ? | 01011-81465 | BOLT | 18 | SN: 15001- |
|||
| ? | 01643-31445 | WASHER | 18 | SN: 15001- |
|||
| ? | 20Y-26-21340 | GAUGE | 1 | SN: 15001- |
|||
| ? | 20Y-26-22260 | FILLER | 1 | SN: 15001- |
|||
| ? | 07000-15240 | O-RING | 1 | SN: 15752- |
|||
| ? | 07000-05240 | O-RING | 1 | SN: 15001-15751 |
|||
| ? | 01010-82060 | BOLT | 12 | SN: 15001- |
|||
| ? | 01643-32060 | WASHER | 12 | SN: 15001- |