| Номер на схеме | Каталожный номер | Название | Количество | Детали | |||
|---|---|---|---|---|---|---|---|
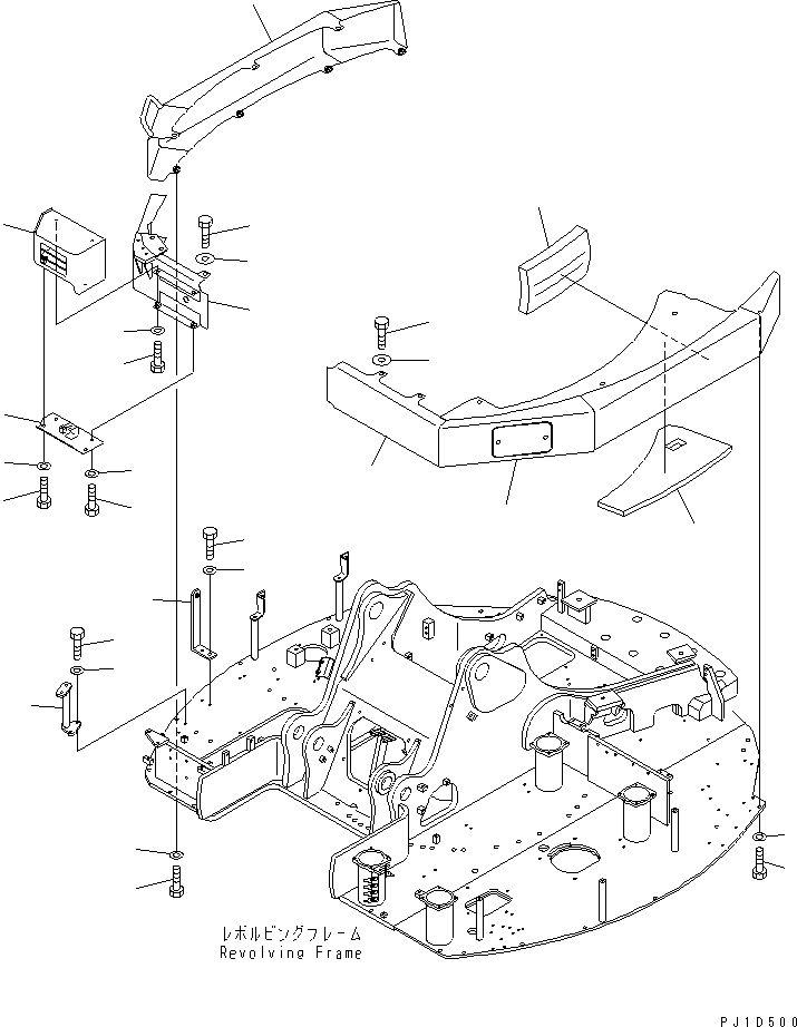
| ? | 22U-54-15842 | COVER,R.H. | 1 | SN: 11700- |
|||
| ? | 22U-54-15861 | COVER,R.H. | 1 | SN: 11700- |
|||
| ? | 22U-54-15812 | COVER,L.H. | 1 | SN: 11700- |
|||
| ? | 22U-54-12661 | • SHEET | 1 | SN: 11700- |
|||
| ? | 22U-54-12670 | • SHEET | 1 | SN: 11700- |
|||
| ? | 22U-54-15831 | COVER | 1 | SN: 11700- |
|||
| ? | 01010-81240 | BOLT | 13 | SN: 11700- |
|||
| ? | 01643-31232 | WASHER | 13 | SN: 11700- |
|||
| ? | 01010-81240 | BOLT | 9 | SN: 11700- |
|||
| ? | 175-54-34170 | WASHER | 9 | SN: 11700- |
|||
| ? | 22U-54-14480 | COVER | 1 | SN: 11700- |
|||
| ? | 22U-54-14490 | COVER | 1 | SN: 11700- |
|||
| ? | 01010-81225 | BOLT | 2 | SN: 11700- |
|||
| ? | 01643-31232 | WASHER | 2 | SN: 11700- |
|||
| ? | 01010-81230 | BOLT | 4 | SN: 11700- |
|||
| ? | 01643-31232 | WASHER | 4 | SN: 11700- |
|||
| ? | 22U-54-12561 | BRACKET | 1 | SN: 11700- |
|||
| ? | 01010-81230 | BOLT | 2 | SN: 11700- |
|||
| ? | 01643-31232 | WASHER | 2 | SN: 11700- |
|||
| ? | 22U-54-12970 | BRACKET | 1 | SN: 11700- |
|||
| ? | 01010-81230 | BOLT | 2 | SN: 11700- |
|||
| ? | 01643-31232 | WASHER | 2 | SN: 11700- |