| Номер на схеме | Каталожный номер | Название | Количество | Детали | |||
|---|---|---|---|---|---|---|---|
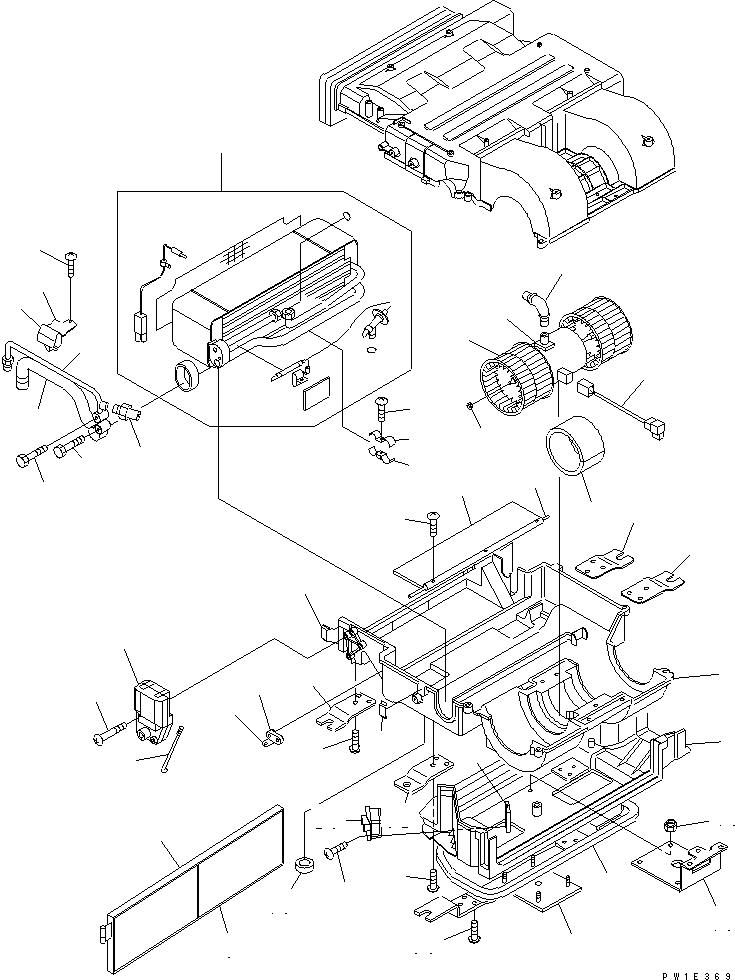
| ? | (22B-979-1660) | AIRCON UNIT A. | 1 | SN: 20001- KIT-FLAG: _- SERIALNO: 20001- |
|||
| ? | TW534136-9321 | • CASE ASS'Y | 1 | SN: 20001- KIT-FLAG: _- SERIALNO: 20001- |
|||
| ? | TW534461-8902 | • COVER | 1 | SN: 20001- KIT-FLAG: _- SERIALNO: 20001- |
|||
| ? | 22B-979-1730 | • FILTER | 1 | SN: 20001- KIT-FLAG: _- SERIALNO: 20001- |
|||
| ? | ☆ | • • FILTER | 1 | SN: 20001- KIT-FLAG: _- SERIALNO: 20001- |
|||
| ? | ☆ | • • LINING | 2 | SN: 20001- KIT-FLAG: _- SERIALNO: 20001- |
|||
| ? | (TW503700-3990) | • EVAPORATOR ASS'Y | 1 | SN: 20001- KIT-FLAG: _- SERIALNO: 20001- |
|||
| ? | TW580534-1500 | • CLIP | 1 | SN: 20001- KIT-FLAG: _- SERIALNO: 20001- |
|||
| ? | TW580534-1600 | • CLIP | 1 | SN: 20001- KIT-FLAG: _- SERIALNO: 20001- |
|||
| ? | TW012114-1240 | • SCREW | 1 | SN: 20001- KIT-FLAG: _- SERIALNO: 20001- |
|||
| ? | TW534057-3520 | • PIPE | 1 | SN: 20001- KIT-FLAG: _- SERIALNO: 20001- |
|||
| ? | TW581520-9300 | • • O-RING | 1 | SN: 20001- KIT-FLAG: _- SERIALNO: 20001- |
|||
| ? | TW534057-3720 | • PIPE ASS'Y | 1 | SN: 20001- KIT-FLAG: _- SERIALNO: 20001- |
|||
| ? | TW534057-3620 | • • PIPE | 1 | SN: 20001- KIT-FLAG: _- SERIALNO: 20001- |
|||
| ? | TW581520-9700 | • • • O-RING | 1 | SN: 20001- KIT-FLAG: _- SERIALNO: 20001- |
|||
| ? | TW582532-0700 | • • PRESSURE SWITCH | 1 | SN: 20001- KIT-FLAG: _- SERIALNO: 20001- |
|||
| ? | TW596092-0300 | • • • O-RING | 1 | SN: 20001- KIT-FLAG: _- SERIALNO: 20001- |
|||
| ? | TW020058-3040 | • BOLT | 1 | SN: 20001- KIT-FLAG: _- SERIALNO: 20001- |
|||
| ? | TW020046-3040 | • BOLT | 1 | SN: 20001- KIT-FLAG: _- SERIALNO: 20001- |
|||
| ? | TW580534-1900 | • CLIP | 1 | SN: 20001- KIT-FLAG: _- SERIALNO: 20001- |
|||
| ? | TW580534-2000 | • CLIP | 1 | SN: 20001- KIT-FLAG: _- SERIALNO: 20001- |
|||
| ? | TW592022-3700 | • SCREW | 2 | SN: 20001- KIT-FLAG: _- SERIALNO: 20001- |
|||
| ? | TW502725-1730 | • FAN MOTOR | 1 | SN: 20001- KIT-FLAG: _- SERIALNO: 20001- |
|||
| ? | ☆ | • • MOTOR | 1 | SN: 20001- KIT-FLAG: _- SERIALNO: 20001- |
|||
| ? | ☆ | • • IMPELLER | 2 | SN: 20001- KIT-FLAG: _- SERIALNO: 20001- |
|||
| ? | TW592050-0500 | • • RING, SNAP | 2 | SN: 20001- KIT-FLAG: _- SERIALNO: 20001- |
|||
| ? | TW534510-5200 | • HOSE | 1 | SN: 20001- KIT-FLAG: _- SERIALNO: 20001- |
|||
| ? | TW592405-1700 | • ISOLATOR | 1 | SN: 20001- KIT-FLAG: _- SERIALNO: 20001- |
|||
| ? | TW536021-5200 | • WIRING HARNESS | 1 | SN: 20001- KIT-FLAG: _- SERIALNO: 20001- |
|||
| ? | TW582571-4300 | • RESISTOR | 1 | SN: 20001- KIT-FLAG: _- SERIALNO: 20001- |
|||
| ? | TW012514-1640 | • TAPPING SCREW | 2 | SN: 20001- KIT-FLAG: _- SERIALNO: 20001- |
|||
| ? | TW523100-0700 | • PLATE | 1 | SN: 20001- KIT-FLAG: _- SERIALNO: 20001- |
|||
| ? | TW502752-3250 | • MOTOR ACTUATOR | 1 | SN: 20001- KIT-FLAG: _- SERIALNO: 20001- |
|||
| ? | TW580140-0300 | • TAPPING SCREW | 3 | SN: 20001- KIT-FLAG: _- SERIALNO: 20001- |
|||
| ? | TW534270-7920 | • DOOR | 1 | SN: 20001- KIT-FLAG: _- SERIALNO: 20001- |
|||
| ? | TW534470-9200 | • LEVER | 1 | SN: 20001- KIT-FLAG: _- SERIALNO: 20001- |
|||
| ? | TW592055-0900 | • CLIP | 1 | SN: 20001- KIT-FLAG: _- SERIALNO: 20001- |
|||
| ? | TW536160-2100 | • ROD | 1 | SN: 20001- KIT-FLAG: _- SERIALNO: 20001- |
|||
| ? | TW534104-4300 | • BRACKET | 1 | SN: 20001- KIT-FLAG: _- SERIALNO: 20001- |
|||
| ? | TW534104-4400 | • BRACKET | 1 | SN: 20001- KIT-FLAG: _- SERIALNO: 20001- |
|||
| ? | TW534104-5000 | • BRACKET | 2 | SN: 20001- KIT-FLAG: _- SERIALNO: 20001- |
|||
| ? | TW592022-3700 | • SCREW | 20 | SN: 20001- KIT-FLAG: _- SERIALNO: 20001- |
|||
| ? | TW012514-1640 | • TAPPING SCREW | 21 | SN: 20001- KIT-FLAG: _- SERIALNO: 20001- |
|||
| ? | TW580521-7700 | • CLIP | 3 | SN: 20001- KIT-FLAG: _- SERIALNO: 20001- |
|||
| ? | TW592024-1800 | • CLIP | 1 | SN: 20001- KIT-FLAG: _- SERIALNO: 20001- |
|||
| ? | TW534190-0300 | • LINING | 1 | SN: 20001- KIT-FLAG: _- SERIALNO: 20001- |
|||
| ? | TW534234-6300 | • SEAL | 2 | SN: 20001- KIT-FLAG: _- SERIALNO: 20001- |
|||
| ? | TW012153-0640 | • SCREW | 6 | SN: 20001- KIT-FLAG: _- SERIALNO: 20001- |
|||
| ? | TW534280-1500 | • SHAFT | 1 | SN: 20001- KIT-FLAG: _- SERIALNO: 20001- |
|||
| ? | TW534104-7300 | • BRACKET | 1 | SN: 20001- KIT-FLAG: _- SERIALNO: 20001- |
|||
| ? | TW534104-7500 | • BRACKET | 1 | SN: 20001- KIT-FLAG: _- SERIALNO: 20001- |
|||
| ? | TW029200-6240 | • NUT | 4 | SN: 20001- KIT-FLAG: _- SERIALNO: 20001- |