k-part
Номер на схеме Каталожный номер Название Количество Детали
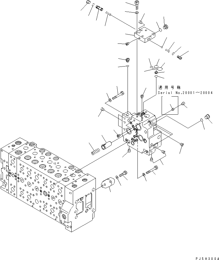
? (723-47-20104) VALVE ASS'Y 1
SN: 21290-
KIT-FLAG: _-
SERIALNO: 21290-
? (723-47-20103) VALVE ASS'Y 1
SN: 20805-21289
KIT-FLAG: _-
SERIALNO: 20805-21289
? (723-47-20102) VALVE ASS'Y 1
SN: 20005-20804
KIT-FLAG: _-
SERIALNO: 20005-20804
? (723-47-20101) VALVE ASS'Y 1
SN: 20001-20004
KIT-FLAG: _-
SERIALNO: 20001-20004
? THESE ASSEMBLIES CONSIST OF ALL PARTS SHOWN IN FIGS.Y1662-01A0 TO Y1662-19A0.
SERIALNO:
? (723-40-71103) • VALVE ASS'Y 1
SN: 21290-
KIT-FLAG: _-
SERIALNO: 21290-
? (723-40-71102) • VALVE ASS'Y 1
SN: 20005-21289
KIT-FLAG: _-
SERIALNO: 20005-21289
? (723-40-71100) • VALVE ASS'Y 1
SN: 20001-20004
KIT-FLAG: _-
SERIALNO: 20001-20004
? 723-40-71430 • • VALVE 1
SN: 20001-
KIT-FLAG: _-
SERIALNO: 20001-
? 702-21-55460 • • SPRING 1
SN: 20001-
KIT-FLAG: _-
SERIALNO: 20001-
? 702-21-55420 • • O-RING 1
SN: 20001-
KIT-FLAG: _-
SERIALNO: 20001-
? 702-21-55520 • • O-RING 1
SN: 20001-
KIT-FLAG: _-
SERIALNO: 20001-
? 702-21-55440 • • O-RING 1
SN: 20001-
KIT-FLAG: _-
SERIALNO: 20001-
? 702-21-53120 • • FILTER 1
SN: 20001-
KIT-FLAG: _-
SERIALNO: 20001-
? 07000-12011 • • O-RING 1
SN: 20001-
KIT-FLAG: _-
SERIALNO: 20001-
? • • BLOCK 1
SN: 20005-
KIT-FLAG: _-
SERIALNO: 20005-
? • • BLOCK 1
SN: 20001-20004
KIT-FLAG: _-
SERIALNO: 20001-20004
? • • SPOOL 1
SN: 20001-
KIT-FLAG: _-
SERIALNO: 20001-
? 702-21-55640 • • SPRING 1
SN: 20001-
KIT-FLAG: _-
SERIALNO: 20001-
? 702-21-55620 • • PLUG 1
SN: 20001-
KIT-FLAG: _-
SERIALNO: 20001-
? 07002-11423 • • O-RING 1
SN: 20001-
KIT-FLAG: _-
SERIALNO: 20001-
? 702-21-55710 • • SEAT 1
SN: 20001-
KIT-FLAG: _-
SERIALNO: 20001-
? 702-21-55720 • • SPRING 1
SN: 20001-
KIT-FLAG: _-
SERIALNO: 20001-
? 04260-00793 • • BALL 1
SN: 20001-
KIT-FLAG: _-
SERIALNO: 20001-
? 07000-11009 • • O-RING 1
SN: 20001-
KIT-FLAG: _-
SERIALNO: 20001-
? • • PLUG 2
SN: 20001-
KIT-FLAG: _-
SERIALNO: 20001-
? 708-8H-11530 • • PLUG 1
SN: 20001-
KIT-FLAG: _-
SERIALNO: 20001-
? 07002-11423 • • O-RING 1
SN: 20001-
KIT-FLAG: _-
SERIALNO: 20001-
? 01252-61040 • • BOLT 3
SN: 20001-
KIT-FLAG: _-
SERIALNO: 20001-
? 01643-51032 • • WASHER 3
SN: 20001-
KIT-FLAG: _-
SERIALNO: 20001-
? 702-21-55620 • • PLUG 1
SN: 20001-
KIT-FLAG: _-
SERIALNO: 20001-
? 07002-11423 • • O-RING 1
SN: 20001-
KIT-FLAG: _-
SERIALNO: 20001-
? 708-8E-16160 • • PLUG 1
SN: 20001-
KIT-FLAG: _-
SERIALNO: 20001-
? 07002-11023 • • O-RING 1
SN: 20001-
KIT-FLAG: _-
SERIALNO: 20001-
? 07000-12011 • • O-RING 1
SN: 20001-
KIT-FLAG: _-
SERIALNO: 20001-
? • • ORIFICE 1
SN: 20001-20004
KIT-FLAG: _-
SERIALNO: 20001-20004
? • • PLUG 15
SN: 20001-
KIT-FLAG: _-
SERIALNO: 20001-
? 01010-61470 • BOLT 3
SN: 20001-
KIT-FLAG: _-
SERIALNO: 20001-
? 01010-61460 • BOLT 1
SN: 20001-
KIT-FLAG: _-
SERIALNO: 20001-
? 01643-31445 • WASHER 4
SN: 20001-
KIT-FLAG: _-
SERIALNO: 20001-
? 723-46-17560 • PLATE 1
SN: 20001-
KIT-FLAG: _-
SERIALNO: 20001-
? 01643-51032 • WASHER 2
SN: 20001-
KIT-FLAG: _-
SERIALNO: 20001-
? 01010-81040 • BOLT 2
SN: 20001-
KIT-FLAG: _-
SERIALNO: 20001-

Excavators Komatsu / PC228USLC-3S S/N 20001-29999 (For U.S.A.)(pc228u7c) / MAIN VALVE (1-ACTUATOR) (14/19) (ARM CRANE ? DEMOLITION SPEC. ? 2-PIECE BOOM ? SLIDE ARM)(#20001-)(480590 : Y1662-14A0)
?
?
?
?
?
?
?
?
?
?
?
?
?
?
?
?
?
?
?
?
?
?
?
?
?
?
?
?
?
?
?
?
?
?
?
?
?
?
?
?
?
?