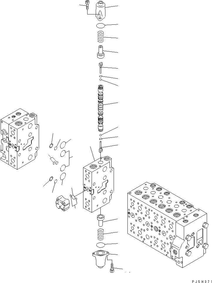
| Номер на схеме | Каталожный номер | Название | Количество | Детали | |||
|---|---|---|---|---|---|---|---|
| ? | (723-48-20202) | VALVE ASS'Y | 1 | SN: 21290- |
|||
| ? | (723-48-20201) | VALVE ASS'Y | 1 | SN: 20001-21289 |
|||
| ? | THESE ASSEMBLIES CONSIST OF ALL PARTS SHOWN IN FIGS.Y1664-61A0 TO Y1664-81A0. | ||||||
| ? | ☆ | • BODY SUB ASS'Y | 1 | SN: 20001- |
|||
| ? | ☆ | • • BLOCK,VALVE | 1 | SN: 20001- |
|||
| ? | ☆ | • • SPOOL | 1 | SN: 20001- |
|||
| ? | 723-46-15130 | • • PLUG | 2 | SN: 20001- |
|||
| ? | 07002-10823 | • • O-RING | 2 | SN: 20001- |
|||
| ? | 708-7T-16460 | • • BALL | 2 | SN: 20001- |
|||
| ? | 723-46-15120 | • • RETAINER | 2 | SN: 20001- |
|||
| ? | 723-46-14110 | • • SPRING | 2 | SN: 20001- |
|||
| ? | 723-46-15111 | • • CASE | 2 | SN: 20001- |
|||
| ? | 07430-71380 | • • O-RING | 2 | SN: 20001- |
|||
| ? | 01252-60820 | • • BOLT | 4 | SN: 20001- |
|||
| ? | 07000-11009 | • • O-RING | 2 | SN: 20001- |
|||
| ? | 07000-12021 | • • O-RING | 1 | SN: 20001- |
|||
| ? | 723-11-19130 | • • O-RING | 2 | SN: 20001- |
|||
| ? | 07000-13032 | • • O-RING | 2 | SN: 20001- |
|||
| ? | 723-46-17510 | • • O-RING | 2 | SN: 20001- |
|||
| ? | 723-46-17520 | • • RING,BACK-UP | 2 | SN: 20001- |
|||
| ? | 723-46-17530 | • • O-RING | 2 | SN: 20001- |