| Номер на схеме | Каталожный номер | Название | Количество | Детали | |||
|---|---|---|---|---|---|---|---|
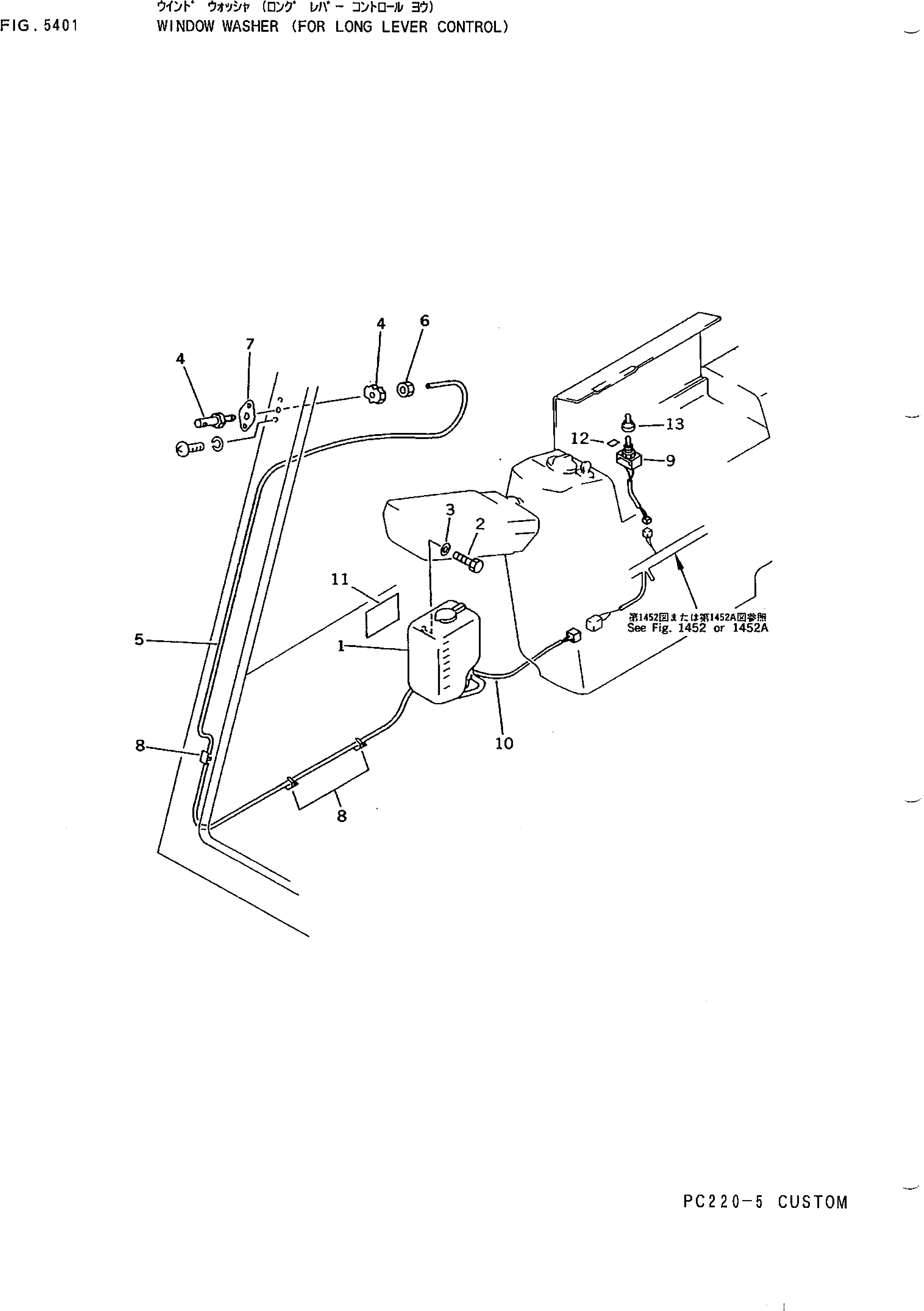
| ? | (☉20Y-06-X9011) | WINDOW WASHER GROUP | 1 | SN: 35001- KIT-FLAG: _- SERIALNO: 35001- |
|||
| ? | ==================== | SERIALNO: |
|||||
| ? | 206-06-15230 | TANK | 1 | SN: 35001- KIT-FLAG: _- SERIALNO: 35001- |
|||
| ? | 01010-50612 | BOLT | 2 | SN: 35001- KIT-FLAG: _- SERIALNO: 35001- |
|||
| ? | 01643-30623 | WASHER | 2 | SN: 35001- KIT-FLAG: _- SERIALNO: 35001- |
|||
| ? | 205-06-61220 | NOZZLE ASS'Y | 1 | SN: 35001- KIT-FLAG: _- SERIALNO: 35001- |
|||
| ? | 205-06-71470 | HOSE | 1 | SN: 35001- KIT-FLAG: _- SERIALNO: 35001- |
|||
| ? | 205-06-71610 | NUT | 1 | SN: 35001- KIT-FLAG: _- SERIALNO: 35001- |
|||
| ? | 205-06-71590 | BRACKET | 1 | SN: 35001- KIT-FLAG: _- SERIALNO: 35001- |
|||
| ? | 08051-00801 | CLIP | 3 | SN: 35001- KIT-FLAG: _- SERIALNO: 35001- |
|||
| ? | 20Y-06-15551 | SWITCH | 1 | SN: 35001- KIT-FLAG: _- SERIALNO: 35001- |
|||
| ? | 20Y-06-15561 | WIRING HARNESS | 1 | SN: 35001- KIT-FLAG: _- SERIALNO: 35001- |
|||
| ? | 09699-03000 | PLATE, CAUTION,(ENGLISH) | 1 | SN: 35001- KIT-FLAG: _- SERIALNO: 35001- |
|||
| ? | 09699-01000 | PLATE, CAUTION,(SPANISH) | 1 | SN: 35001- KIT-FLAG: _- SERIALNO: 35001- |
|||
| ? | 09699-02000 | PLATE, CAUTION,(GERMAN) | 1 | SN: 35001- KIT-FLAG: _- SERIALNO: 35001- |
|||
| ? | 09699-04000 | PLATE, CAUTION,(RUSSIAN) | 1 | SN: 35001- KIT-FLAG: _- SERIALNO: 35001- |
|||
| ? | 09699-05000 | PLATE, CAUTION,(FRENCH) | 1 | SN: 35001- KIT-FLAG: _- SERIALNO: 35001- |
|||
| ? | 09699-00500 | PLATE, CAUTION,(INDONESIAN) | 1 | SN: 35001- KIT-FLAG: _- SERIALNO: 35001- |
|||
| ? | 09699-00400 | PLATE, CAUTION,(PERSIAN) | 1 | SN: 35001- KIT-FLAG: _- SERIALNO: 35001- |
|||
| ? | 203-00-52260 | PLATE, OPERATING | 1 | SN: 35001- KIT-FLAG: _- SERIALNO: 35001- |
|||
| ? | 203-06-41610 | CAP | 1 | SN: 35001- KIT-FLAG: _- SERIALNO: 35001- |
|||
| ? | ==================== | SERIALNO: |
