| Номер на схеме | Каталожный номер | Название | Количество | Детали | |||
|---|---|---|---|---|---|---|---|
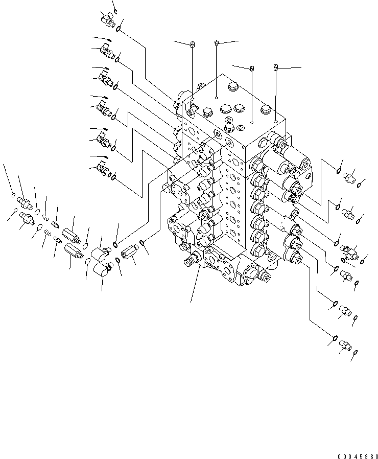
| ? | (723-47-23203) | VALVE ASS'Y | 1 | SN: 80076- KIT-FLAG: _- SERIALNO: 80076- |
|||
| ? | (□723-47-23201) | VALVE ASS'Y | 1 | SN: 80001-80075 KIT-FLAG: _- SERIALNO: 80001-80075 |
|||
| ? | 07049-01012 | PLUG | 2 | SN: 80001- KIT-FLAG: _- SERIALNO: 80001- |
|||
| ? | 07049-01215 | PLUG | 2 | SN: 80001- KIT-FLAG: _- SERIALNO: 80001- |
|||
| ? | 20Y-62-45620 | ELBOW | 2 | SN: 80001- KIT-FLAG: _- SERIALNO: 80001- |
|||
| ? | 02896-11008 | O-RING | 2 | SN: 80001- KIT-FLAG: _- SERIALNO: 80001- |
|||
| ? | 20Y-62-45610 | NIPPLE | 2 | SN: 80001- KIT-FLAG: _- SERIALNO: 80001- |
|||
| ? | 02896-11008 | O-RING | 2 | SN: 80001- KIT-FLAG: _- SERIALNO: 80001- |
|||
| ? | 11Y-62-12160 | ELBOW | 3 | SN: 80001- KIT-FLAG: _- SERIALNO: 80001- |
|||
| ? | 02896-11008 | O-RING | 3 | SN: 80001- KIT-FLAG: _- SERIALNO: 80001- |
|||
| ? | 02782-10311 | ELBOW | 1 | SN: 80001- KIT-FLAG: _- SERIALNO: 80001- |
|||
| ? | 02896-11009 | O-RING | 1 | SN: 80001- KIT-FLAG: _- SERIALNO: 80001- |
|||
| ? | 11Y-62-12330 | ELBOW | 1 | SN: 80001- KIT-FLAG: _- SERIALNO: 80001- |
|||
| ? | 02896-11008 | O-RING | 2 | SN: 80001- KIT-FLAG: _- SERIALNO: 80001- |
|||
| ? | 11Y-62-12130 | NIPPLE | 2 | SN: 80001- KIT-FLAG: _- SERIALNO: 80001- |
|||
| ? | 02896-11008 | O-RING | 2 | SN: 80001- KIT-FLAG: _- SERIALNO: 80001- |
|||
| ? | 11Y-62-12520 | NIPPLE | 1 | SN: 80001- KIT-FLAG: _- SERIALNO: 80001- |
|||
| ? | 02896-11009 | O-RING | 1 | SN: 80001- KIT-FLAG: _- SERIALNO: 80001- |
|||
| ? | 07002-11423 | O-RING | 12 | SN: 80001- KIT-FLAG: _- SERIALNO: 80001- |
|||
| ? | 20Y-62-22160 | ADAPTER | 1 | SN: 80001- KIT-FLAG: _- SERIALNO: 80001- |
|||
| ? | 20F-61-12460 | ELBOW | 2 | SN: 80001- KIT-FLAG: _- SERIALNO: 80001- |
|||
| ? | 07002-11423 | O-RING | 3 | SN: 80001- KIT-FLAG: _- SERIALNO: 80001- |
|||
| ? | 20Y-62-41602 | VALVE ASS'Y | 2 | SN: 80001- KIT-FLAG: _- SERIALNO: 80001- |
|||
| ? | ☆ | • BODY | 1 | SN: 80001- KIT-FLAG: _- SERIALNO: 80001- |
|||
| ? | 20Y-60-22270 | • POPPET | 1 | SN: 80001- KIT-FLAG: _- SERIALNO: 80001- |
|||
| ? | 20Y-62-41971 | • NIPPLE | 1 | SN: 80001- KIT-FLAG: _- SERIALNO: 80001- |
|||
| ? | 701-20-61230 | • SPRING | 1 | SN: 80001- KIT-FLAG: _- SERIALNO: 80001- |
|||
| ? | 07002-11423 | • O-RING | 1 | SN: 80001- KIT-FLAG: _- SERIALNO: 80001- |
|||
| ? | 02896-11008 | O-RING | 2 | SN: 80001- KIT-FLAG: _- SERIALNO: 80001- |
|||
| ? | 07002-11423 | O-RING | 2 | SN: 80001- KIT-FLAG: _- SERIALNO: 80001- |