| Номер на схеме | Каталожный номер | Название | Количество | Детали | |||
|---|---|---|---|---|---|---|---|
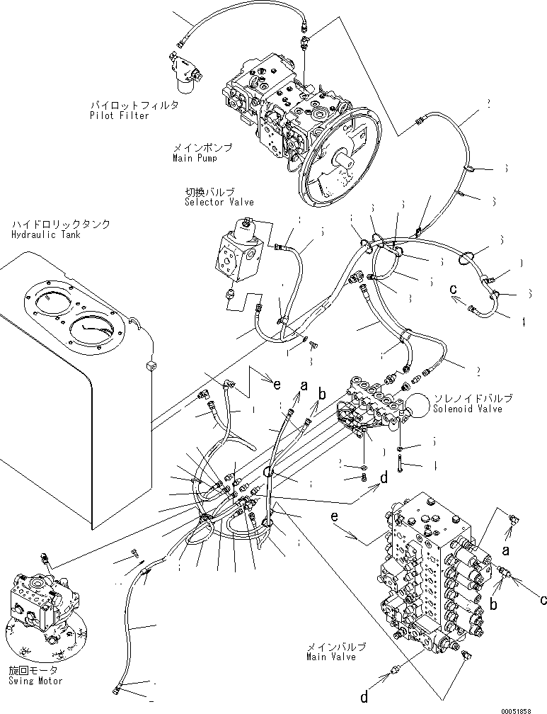
| ? | 208-62-72310 | HOSE, 950MM | 1 | SN: 80001- KIT-FLAG: _- SERIALNO: 80001- |
|||
| ? | 20Y-62-22790 | BAND, RED | 2 | SN: 80001- KIT-FLAG: _- SERIALNO: 80001- |
|||
| ? | 20Y-62-22810 | BAND, YELLOW | 2 | SN: 80001- KIT-FLAG: _- SERIALNO: 80001- |
|||
| ? | 20Y-62-51930 | HOSE, 650MM | 1 | SN: 80001- KIT-FLAG: _- SERIALNO: 80001- |
|||
| ? | 20Y-62-51940 | HOSE, 1350MM | 1 | SN: 80001- KIT-FLAG: _- SERIALNO: 80001- |
|||
| ? | 20Y-62-51993 | HOSE, 600MM | 1 | SN: 80001- KIT-FLAG: _- SERIALNO: 80001- |
|||
| ? | 20Y-62-51910 | HOSE, 400MM | 1 | SN: 80001- KIT-FLAG: _- SERIALNO: 80001- |
|||
| ? | 20Y-62-51260 | HOSE, 1200MM | 1 | SN: 80001- KIT-FLAG: _- SERIALNO: 80001- |
|||
| ? | 20Y-62-22860 | BAND, BROWN | 2 | SN: 80001- KIT-FLAG: _- SERIALNO: 80001- |
|||
| ? | 20Y-62-51960 | HOSE, 700MM | 1 | SN: 80001- KIT-FLAG: _- SERIALNO: 80001- |
|||
| ? | 20Y-62-22810 | BAND, YELLOW | 2 | SN: 80001- KIT-FLAG: _- SERIALNO: 80001- |
|||
| ? | 20Y-62-52121 | HOSE, 1800MM | 1 | SN: 80001- KIT-FLAG: _- SERIALNO: 80001- |
|||
| ? | 208-62-72480 | HOSE, 1080MM | 1 | SN: 80001- KIT-FLAG: _- SERIALNO: 80001- |
|||
| ? | 01010-81085 | BOLT | 2 | SN: 80001- KIT-FLAG: _- SERIALNO: 80001- |
|||
| ? | 01643-31032 | WASHER | 2 | SN: 80001- KIT-FLAG: _- SERIALNO: 80001- |
|||
| ? | 08034-20536 | BAND | 13 | SN: 80001- KIT-FLAG: _- SERIALNO: 80001- |
|||
| ? | 04434-51010 | CLIP | 1 | SN: 80001- KIT-FLAG: _- SERIALNO: 80001- |
|||
| ? | 01010-81020 | BOLT | 1 | SN: 80001- KIT-FLAG: _- SERIALNO: 80001- |
|||
| ? | 01643-31032 | WASHER | 1 | SN: 80001- KIT-FLAG: _- SERIALNO: 80001- |
|||
| ? | 04434-51512 | CLIP | 1 | SN: 80001- KIT-FLAG: _- SERIALNO: 80001- |
|||
| ? | 01010-81225 | BOLT | 1 | SN: 80001- KIT-FLAG: _- SERIALNO: 80001- |
|||
| ? | 01643-31232 | WASHER | 1 | SN: 80001- KIT-FLAG: _- SERIALNO: 80001- |
|||
| ? | 20Y-62-22820 | BAND, BLUE | 2 | SN: 80001- KIT-FLAG: _- SERIALNO: 80001- |
|||
| ? | 02760-00219 | HOSE, 1900MM | 1 | SN: 80001- KIT-FLAG: _- SERIALNO: 80001- |
|||
| ? | 02760-00218 | HOSE | 1 | SN: 80001- KIT-FLAG: _- SERIALNO: 80001- |
|||
| ? | 20Y-62-51930 | HOSE, 650MM | 1 | SN: 80001- KIT-FLAG: _- SERIALNO: 80001- |
|||
| ? | 04434-51212 | CLIP | 1 | SN: 80001- KIT-FLAG: _- SERIALNO: 80001- |
|||
| ? | 01010-81225 | BOLT | 1 | SN: 80001- KIT-FLAG: _- SERIALNO: 80001- |
|||
| ? | 01643-31232 | WASHER | 1 | SN: 80001- KIT-FLAG: _- SERIALNO: 80001- |
|||
| ? | 04434-52212 | CLIP | 1 | SN: 80001- KIT-FLAG: _- SERIALNO: 80001- |
|||
| ? | 04434-51012 | CLIP | 1 | SN: 80001- KIT-FLAG: _- SERIALNO: 80001- |