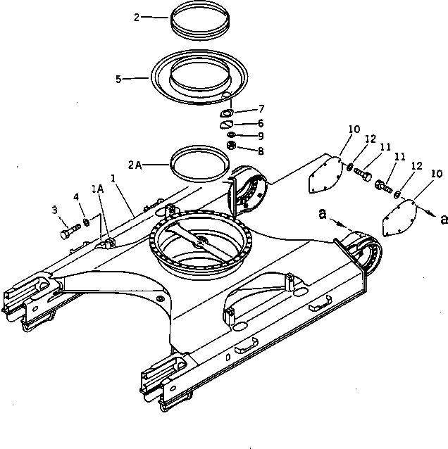
k-part
Номер на схеме Каталожный номер Название Количество Детали
? 206-973-5140 FRAME 1
SN: 36614-
? 20Y-30-11720 • PLATE (WELDED) 4
SN: 35001-
? 205-30-71171 SEAL 1
SN: 37252-
? □205-30-71170 SEAL 1
SN: 35001-37251
? 20Y-30-11370 SEAL 1
SN: 35001-
? 01010-31675 BOLT 8
SN: 35001-
? 01643-31645 WASHER 8
SN: 35001-
? 20Y-30-11232 COVER 1
SN: 35001-
? 205-30-71181 COVER 1
SN: 35001-
? 205-30-71191 GASKET 1
SN: 35001-
? 01580-11008 NUT 2
SN: 35001-
? 01643-31032 WASHER 2
SN: 35001-
? 20Y-30-11420 COVER 2
SN: 35001-
? 01010-51230 BOLT 12
SN: 35001-
? 01643-31232 WASHER 12
SN: 35001-

Excavators Komatsu / PC220LC-5 S/N 35001-UP(pc220lcr) / TRACK FRAME (WITH UNDER COVER)(#36614-)(090040 : 3013)