| Номер на схеме | Каталожный номер | Название | Количество | Детали | |||
|---|---|---|---|---|---|---|---|
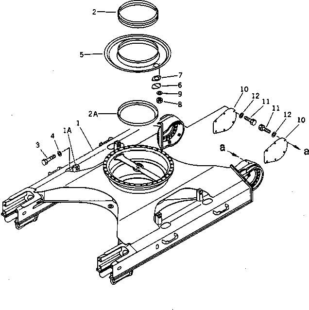
| ? | 206-30-51140 | FRAME | 1 | SN: 36614- KIT-FLAG: _- SERIALNO: 36614- |
|||
| ? | 20Y-30-11720 | • PLATE (WELDED) | 4 | SN: 36614- KIT-FLAG: _- SERIALNO: 36614- |
|||
| ? | 205-30-71171 | SEAL | 1 | SN: 37252- KIT-FLAG: _- SERIALNO: 37252- |
|||
| ? | □205-30-71170 | SEAL | 1 | SN: 35001-37251 KIT-FLAG: _- SERIALNO: 35001-37251 |
|||
| ? | 20Y-30-11370 | SEAL | 1 | SN: 36614- KIT-FLAG: _- SERIALNO: 36614- |
|||
| ? | 01010-31675 | BOLT | 8 | SN: 36614- KIT-FLAG: _- SERIALNO: 36614- |
|||
| ? | 01643-31645 | WASHER | 8 | SN: 36614- KIT-FLAG: _- SERIALNO: 36614- |
|||
| ? | 20Y-30-11232 | COVER | 1 | SN: 36614- KIT-FLAG: _- SERIALNO: 36614- |
|||
| ? | 205-30-71181 | COVER | 1 | SN: 36614- KIT-FLAG: _- SERIALNO: 36614- |
|||
| ? | 205-30-71191 | GASKET | 1 | SN: 36614- KIT-FLAG: _- SERIALNO: 36614- |
|||
| ? | 01580-11008 | NUT | 2 | SN: 36614- KIT-FLAG: _- SERIALNO: 36614- |
|||
| ? | 01643-31032 | WASHER | 2 | SN: 36614- KIT-FLAG: _- SERIALNO: 36614- |
|||
| ? | 20Y-30-11420 | COVER | 2 | SN: 36614- KIT-FLAG: _- SERIALNO: 36614- |
|||
| ? | 01010-51230 | BOLT | 12 | SN: 36614- KIT-FLAG: _- SERIALNO: 36614- |
|||
| ? | 01643-31232 | WASHER | 12 | SN: 36614- KIT-FLAG: _- SERIALNO: 36614- |
