| Номер на схеме | Каталожный номер | Название | Количество | Детали | |||
|---|---|---|---|---|---|---|---|
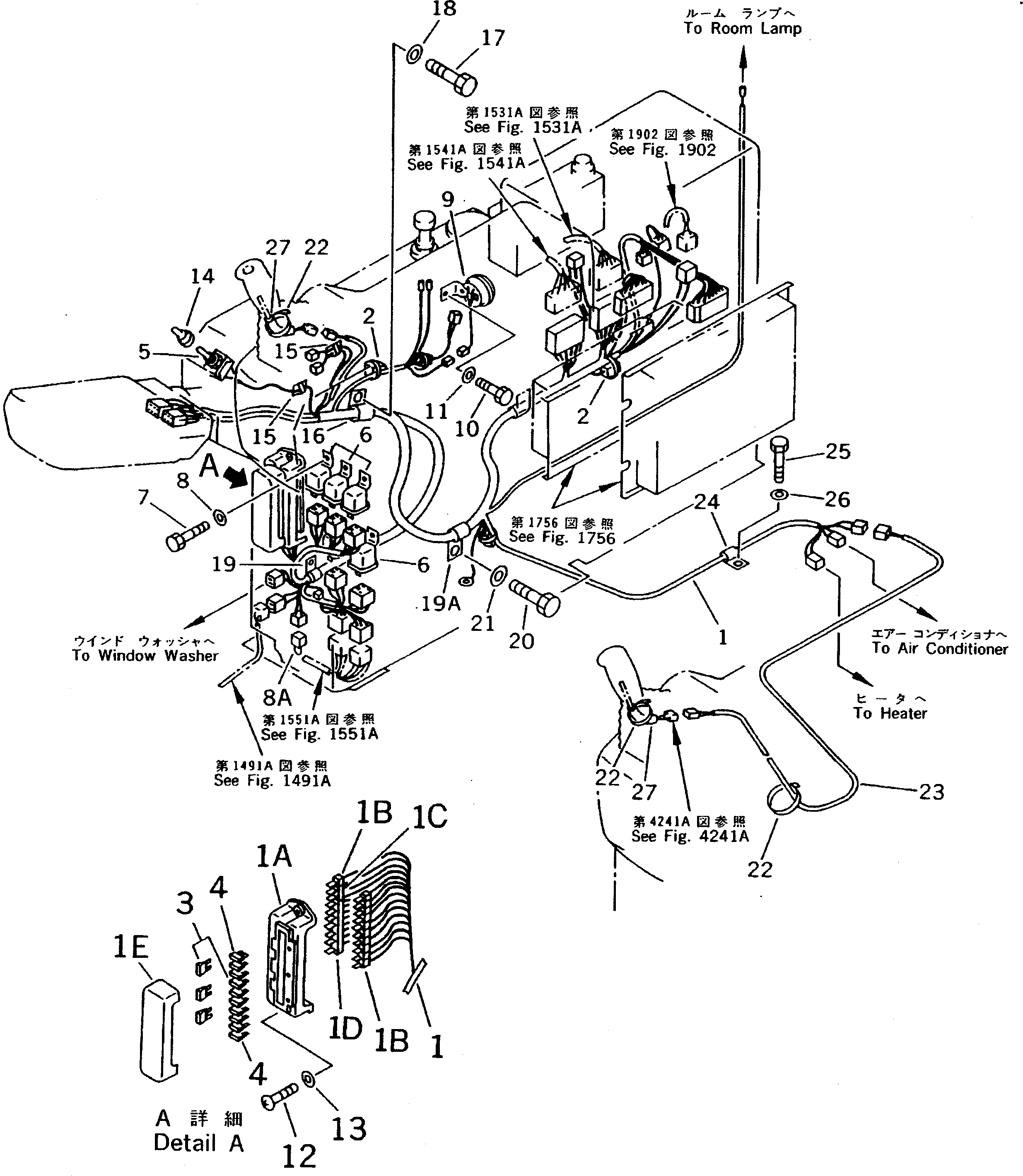
| ? | 20Y-06-16631 | WIRING HARNESS | 1 | SN: 36614- KIT-FLAG: _- SERIALNO: 36614- |
|||
| ? | 20Y-06-16280 | • BOX | 1 | SN: 35001- KIT-FLAG: _- SERIALNO: 35001- |
|||
| ? | 283-06-16160 | • TERMINAL | 11 | SN: 36614- KIT-FLAG: _- SERIALNO: 36614- |
|||
| ? | 283-06-16150 | • TERMINAL | 1 | SN: 36614- KIT-FLAG: _- SERIALNO: 36614- |
|||
| ? | 20Y-06-15930 | • TERMINAL | 1 | SN: 36614- KIT-FLAG: _- SERIALNO: 36614- |
|||
| ? | 195-Z11-2290 | • COVER | 1 | SN: 35001- KIT-FLAG: _- SERIALNO: 35001- |
|||
| ? | 08020-00000 | • DIODE | 5 | SN: 36614- KIT-FLAG: _- SERIALNO: 36614- |
|||
| ? | 205-06-73180 | • FUSE, 15A | 3 | SN: 36614- KIT-FLAG: _- SERIALNO: 36614- |
|||
| ? | 283-06-16190 | • FUSE, 10A | 10 | SN: 36614- KIT-FLAG: _- SERIALNO: 36614- |
|||
| ? | 23S-06-14410 | • SWITCH | 1 | SN: 35001- KIT-FLAG: _- SERIALNO: 35001- |
|||
| ? | 22W-06-13450 | RELAY ASS'Y | 5 | SN: 36614- KIT-FLAG: _- SERIALNO: 36614- |
|||
| ? | 01010-50612 | BOLT | 5 | SN: 36614- KIT-FLAG: _- SERIALNO: 36614- |
|||
| ? | 01643-30623 | WASHER | 5 | SN: 36614- KIT-FLAG: _- SERIALNO: 36614- |
|||
| ? | 206-06-58280 | CONNECTOR | 1 | SN: 36614- KIT-FLAG: _- SERIALNO: 36614- |
|||
| ? | 203-06-56230 | BUZZER ASS'Y | 1 | SN: 35001- KIT-FLAG: _- SERIALNO: 35001- |
|||
| ? | 01010-50616 | BOLT | 1 | SN: 36614- KIT-FLAG: _- SERIALNO: 36614- |
|||
| ? | 01643-30623 | WASHER | 1 | SN: 35001- KIT-FLAG: _- SERIALNO: 35001- |
|||
| ? | 01220-40620 | SCREW | 2 | SN: 36614- KIT-FLAG: _- SERIALNO: 36614- |
|||
| ? | 01642-20608 | WASHER | 2 | SN: 35001- KIT-FLAG: _- SERIALNO: 35001- |
|||
| ? | 203-06-41680 | CAP | 1 | SN: 35001- KIT-FLAG: _- SERIALNO: 35001- |
|||
| ? | 08051-00801 | CLIP | 2 | SN: 35001- KIT-FLAG: _- SERIALNO: 35001- |
|||
| ? | 08036-03014 | CLIP | 1 | SN: 35001- KIT-FLAG: _- SERIALNO: 35001- |
|||
| ? | 01010-51220 | BOLT | 1 | SN: 35001- KIT-FLAG: _- SERIALNO: 35001- |
|||
| ? | 01643-31232 | WASHER | 1 | SN: 35001- KIT-FLAG: _- SERIALNO: 35001- |
|||
| ? | 08036-01814 | CLIP | 1 | SN: 35001- KIT-FLAG: _- SERIALNO: 35001- |
|||
| ? | 08036-02514 | CLIP | 2 | SN: 35001- KIT-FLAG: _- SERIALNO: 35001- |
|||
| ? | 01010-51225 | BOLT | 3 | SN: 36614- KIT-FLAG: _- SERIALNO: 36614- |
|||
| ? | 01643-31232 | WASHER | 3 | SN: 35001- KIT-FLAG: _- SERIALNO: 35001- |
|||
| ? | 08034-00823 | BAND | 3 | SN: 35001- KIT-FLAG: _- SERIALNO: 35001- |
|||
| ? | 20Y-06-16380 | WIRING HARNESS | 1 | SN: 35001- KIT-FLAG: _- SERIALNO: 35001- |
|||
| ? | 08036-01214 | CLIP | 1 | SN: 35001- KIT-FLAG: _- SERIALNO: 35001- |
|||
| ? | 01010-51020 | BOLT | 1 | SN: 35001- KIT-FLAG: _- SERIALNO: 35001- |
|||
| ? | 01643-31032 | WASHER | 1 | SN: 35001- KIT-FLAG: _- SERIALNO: 35001- |
|||
| ? | 20Y-06-16620 | PROTECTOR | 2 | SN: 35001- KIT-FLAG: _- SERIALNO: 35001- |
