| Номер на схеме | Каталожный номер | Название | Количество | Детали | |||
|---|---|---|---|---|---|---|---|
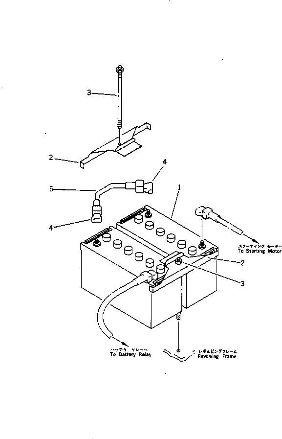
| ? | (☉20Y-06-X4101) | BATTERY GROUP | 1 | SN: 35001- KIT-FLAG: _- SERIALNO: 35001- |
|||
| ? | ==================== | SERIALNO: |
|||||
| ? | 08000-32212 | BATTERY, WET | 2 | SN: 35001- KIT-FLAG: _- SERIALNO: 35001- |
|||
| ? | 205-06-71173 | HOLDER | 2 | SN: 35001- KIT-FLAG: _- SERIALNO: 35001- |
|||
| ? | 205-06-71180 | BOLT | 2 | SN: 35001- KIT-FLAG: _- SERIALNO: 35001- |
|||
| ? | 08038-22511 | CAP | 2 | SN: 35001- KIT-FLAG: _- SERIALNO: 35001- |
|||
| ? | 08028-43030 | CABLE | 1 | SN: 35001- KIT-FLAG: _- SERIALNO: 35001- |
|||
| ? | ==================== | SERIALNO: |
