| Номер на схеме | Каталожный номер | Название | Количество | Детали | |||
|---|---|---|---|---|---|---|---|
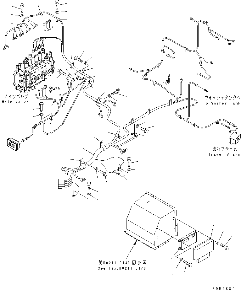
| ? | 7824-68-8000 | CONTROLLER | 1 | SN: 10001-10021 |
|||
| ? | 01010-80825 | BOLT | 4 | SN: 10001-@ |
|||
| ? | 01643-30823 | WASHER | 4 | SN: 10001-@ |
|||
| ? | 22U-54-13220 | COVER | 1 | SN: 10001-10021 |
|||
| ? | 20U-06-21370 | • SHEET | 1 | SN: 10001-10021 |
|||
| ? | 01010-80612 | BOLT | 4 | SN: 10001-@ |
|||
| ? | 01643-30623 | WASHER | 4 | SN: 10001-@ |
|||
| ? | 22U-06-11511 | WIRING HARNESS | 1 | SN: 10001-10021 |
|||
| ? | 22U-06-11270 | • FUSIBLE LINK ? 65A | 2 | SN: 10001-@ |
|||
| ? | 01010-81020 | BOLT | 1 | SN: 10001-@ |
|||
| ? | 01643-31032 | WASHER | 1 | SN: 10001-@ |
|||
| ? | 08036-03014 | CLIP | 2 | SN: 10001-@ |
|||
| ? | 01010-81225 | BOLT | 2 | SN: 10001-@ |
|||
| ? | 01643-31232 | WASHER | 2 | SN: 10001-@ |
|||
| ? | 08053-01512 | CLIP | 2 | SN: 10001-@ |
|||
| ? | 01010-81020 | BOLT | 1 | SN: 10001-10021 |
|||
| ? | 01643-31032 | WASHER | 1 | SN: 10001-10021 |
|||
| ? | 08053-01512 | CLIP | 1 | SN: 10001-@ |
|||
| ? | 01010-51225 | BOLT | 1 | SN: 10001-@ |
|||
| ? | 01643-31232 | WASHER | 1 | SN: 10001-@ |
|||
| ? | 113-899-7950 | CLIP | 3 | SN: 10001-@ |
|||
| ? | 01010-81225 | BOLT | 3 | SN: 10001-@ |
|||
| ? | 01643-31232 | WASHER | 3 | SN: 10001-@ |
|||
| ? | 113-899-7950 | CLIP | 1 | SN: 10001-@ |
|||
| ? | 08053-01512 | CLIP | 1 | SN: 10001-@ |
|||
| ? | 01010-81225 | BOLT | 1 | SN: 10001-@ |
|||
| ? | 01643-31232 | WASHER | 1 | SN: 10001-@ |
|||
| ? | 08036-01214 | CLIP | 1 | SN: 10001-@ |
|||
| ? | 01010-81225 | BOLT | 1 | SN: 10001-@ |
|||
| ? | 01643-31232 | WASHER | 1 | SN: 10001-@ |
|||
| ? | 08036-01214 | CLIP | 1 | SN: 10001-@ |
|||
| ? | 01010-81225 | BOLT | 1 | SN: 10001-@ |
|||
| ? | 01643-31232 | WASHER | 1 | SN: 10001-@ |
|||
| ? | 08034-00536 | BAND | 1 | SN: 10001-@ |
|||
| ? | 08036-02514 | CLIP | 4 | SN: 10001-@ |
|||
| ? | 01010-81225 | BOLT | 4 | SN: 10001-@ |
|||
| ? | 01643-31232 | WASHER | 4 | SN: 10001-@ |
|||
| ? | 08036-02514 | CLIP | 1 | SN: 10001-10021 |
|||
| ? | 01010-51225 | BOLT | 1 | SN: 10001-10021 |
|||
| ? | 01643-31232 | WASHER | 1 | SN: 10001-10021 |
|||
| ? | 08036-01214 | CLIP | 1 | SN: 10001-@ |