k-part
Номер на схеме Каталожный номер Название Количество Детали
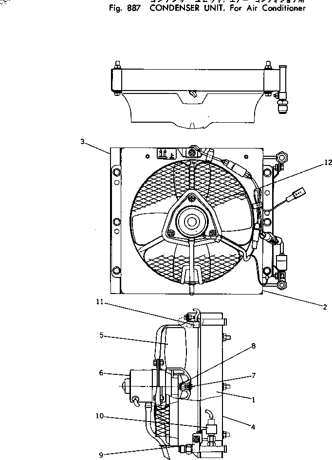
? 205-979-6150 CONDENSER ASS'Y 1
SN: 11001-
KIT-FLAG: _-
SERIALNO: 11001-
? 205-979-7550 • CORE 1
SN: 11001-
KIT-FLAG: _-
SERIALNO: 11001-
? 205-979-7560 • SHROUD 1
SN: 11001-
KIT-FLAG: _-
SERIALNO: 11001-
? 205-979-7570 • BRACKET 1
SN: 11001-
KIT-FLAG: _-
SERIALNO: 11001-
? 205-979-7580 • BRACKET 1
SN: 11001-
KIT-FLAG: _-
SERIALNO: 11001-
? 205-979-7590 • FAN 1
SN: 11001-
KIT-FLAG: _-
SERIALNO: 11001-
? 205-979-7600 • MOTOR ASS'Y 1
SN: 11001-
KIT-FLAG: _-
SERIALNO: 11001-
? 205-979-7610 • NUT 1
SN: 11001-
KIT-FLAG: _-
SERIALNO: 11001-
? 205-979-7620 • WASHER 1
SN: 11001-
KIT-FLAG: _-
SERIALNO: 11001-
? 205-979-7630 • CLAMP 2
SN: 11001-
KIT-FLAG: _-
SERIALNO: 11001-
? 205-979-7640 • SWITCH 1
SN: 11001-
KIT-FLAG: _-
SERIALNO: 11001-
? 205-979-7650 • RESISTOR 1
SN: 11001-
KIT-FLAG: _-
SERIALNO: 11001-
? 205-979-7660 • HARNESS ASS'Y 1
SN: 11001-
KIT-FLAG: _-
SERIALNO: 11001-

Excavators Komatsu / PC220LC-2 S/N 11001-UP(pc220l2c) / CONDENSER UNIT ? FOR AIR CONDITIONER(240650 : 887)