| Номер на схеме | Каталожный номер | Название | Количество | Детали | |||
|---|---|---|---|---|---|---|---|
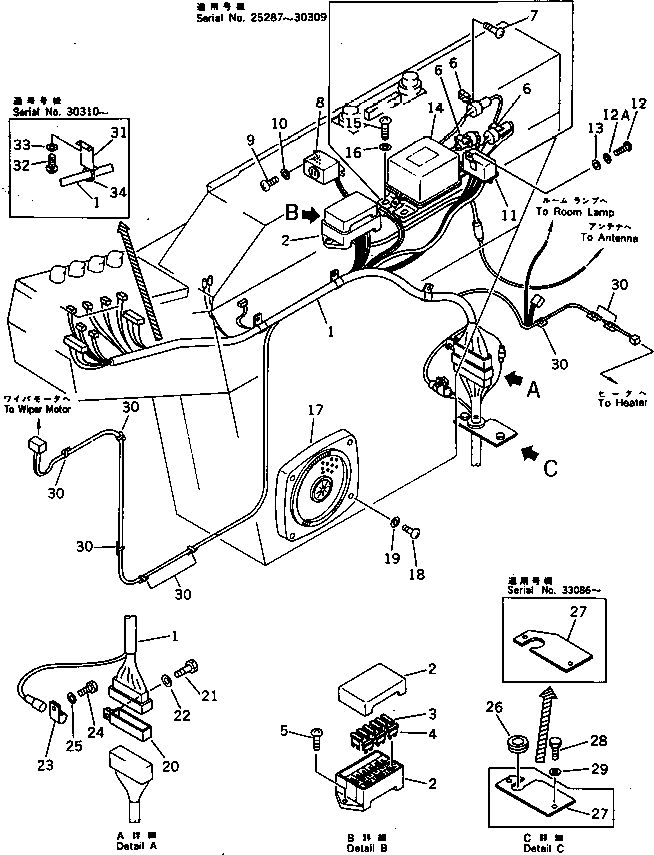
| ? | 207-06-31193 | WIRING HARNESS | 1 | SN: 23189- |
|||
| ? | 207-06-31192 | WIRING HARNESS | 1 | SN: 22628-23188 |
|||
| ? | 207-06-31191 | WIRING HARNESS | 1 | SN: 21556-22627 |
|||
| ? | 205-06-71480 | • FUSE BOX | 1 | SN: 20001- |
|||
| ? | 205-06-73180 | • FUSE ? 15A | 8 | SN: 21556- |
|||
| ? | 22W-06-13160 | • FUSE ? 20A | 1 | SN: 21556- |
|||
| ? | 01220-40616 | SCREW | 2 | SN: 20001- |
|||
| ? | 283-06-17130 | CLIP | 3 | SN: 21556-22627 |
|||
| ? | 01220-40616 | SCREW | 3 | SN: 21556-22627 |
|||
| ? | 207-06-31160 | BUZZER | 1 | SN: 21556- |
|||
| ? | 01220-40412 | SCREW | 2 | SN: 21556- |
|||
| ? | 01642-20405 | WASHER | 2 | SN: 21556- |
|||
| ? | 206-06-41130 | RELAY,HORN | 1 | SN: 20001- |
|||
| ? | 01220-40616 | SCREW | 1 | SN: 20001- |
|||
| ? | 01602-20619 | WASHER,SPRING | 1 | SN: 21556- |
|||
| ? | 01643-30623 | WASHER | 1 | SN: 20001- |
|||
| ? | 7861-72-3000 | CONTROLLER ASS'Y | 1 | SN: 21349-22627 |
|||
| ? | 01220-40616 | SCREW | 3 | SN: 20001-22627 |
|||
| ? | 01643-30623 | WASHER | 3 | SN: 20001-22627 |
|||
| ? | 20G-06-15120 | SPEAKER,SPEAKER | 1 | SN: 20001- |
|||
| ? | 01220-40420 | SCREW | 4 | SN: 20001- |
|||
| ? | 01641-20405 | WASHER | 4 | SN: 20001- |
|||
| ? | 142-06-13530 | CLIP | 1 | SN: 20001- |
|||
| ? | 01010-51220 | BOLT | 1 | SN: 21556- |
|||
| ? | 01643-31232 | WASHER | 1 | SN: 21556- |
|||
| ? | 195-06-41830 | CLIP | 1 | SN: 23164- |
|||
| ? | □08036-02514 | CLIP | 1 | SN: 20001-23163 |
|||
| ? | 01010-51220 | BOLT | 1 | SN: 20001- |
|||
| ? | 01643-31232 | WASHER | 1 | SN: 20001- |
|||
| ? | 205-06-72410 | GROMMET | 1 | SN: 20213- |
|||
| ? | 205-06-72211 | COVER | 1 | SN: 20213- |
|||
| ? | 01010-51025 | BOLT | 2 | SN: 21556- |
|||
| ? | 01643-31032 | WASHER | 2 | SN: 21556- |
|||
| ? | 205-54-72710 | CLIP | 9 | SN: 21556- |
|||
| ? | 205-06-72620 | PLATE | 1 | SN: 22628- |
|||
| ? | 01235-50408 | SCREW | 2 | SN: 22628- |
|||
| ? | 01641-20405 | WASHER | 2 | SN: 22628- |
|||
| ? | 08034-00414 | BAND | 1 | SN: 22628- |
