k-part
Номер на схеме Каталожный номер Название Количество Детали
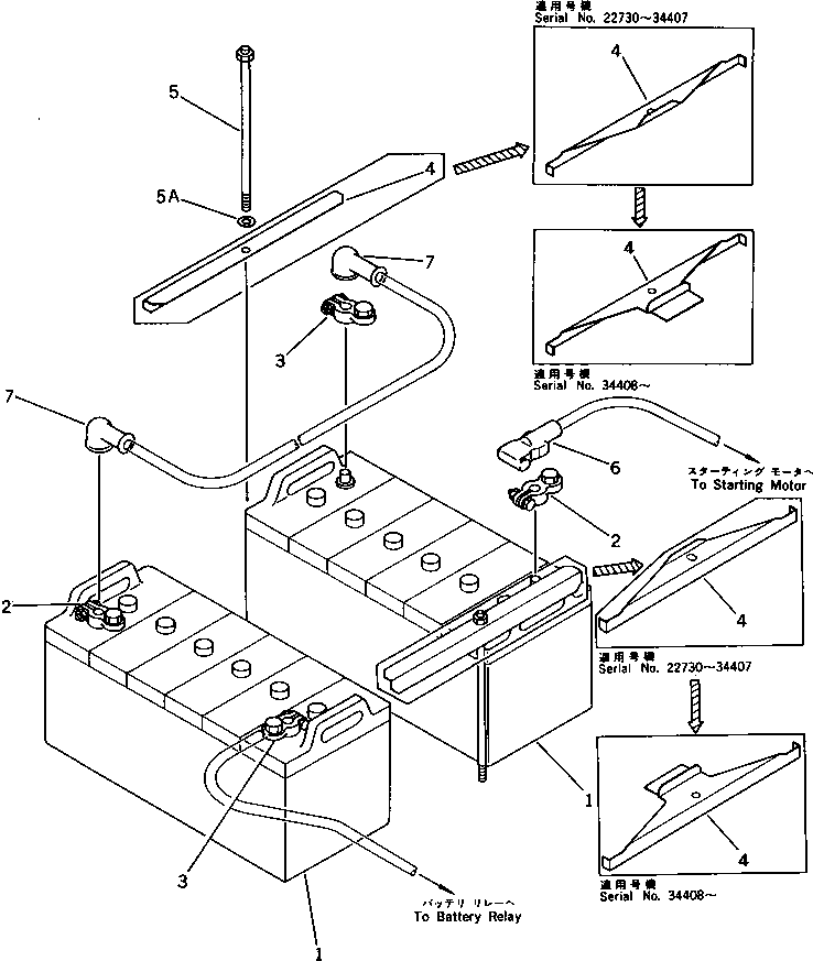
? 08000-32212 BATTERY (115E41R),(NS120) 2
SN: 20001-
? 08000-00000 TERMINAL ? (+) 2
SN: 20001-
? 08000-00001 TERMINAL ? (-) 2
SN: 20001-
? 205-06-71173 HOLDER 2
SN: 23298-
? 205-06-71172 HOLDER 2
SN: 20588-23297
? □205-06-71171 HOLDER 2
SN: 20001-20587
? 205-06-71180 BOLT 2
SN: 20001-
? 01643-31232 WASHER 2
SN: 21708-
? 08038-22511 CAP 1
SN: 23385-
? □08038-22009 CAP 1
SN: 20001-23384
? 08038-22009 CAP 2
SN: 21440-
? □08038-00035 CAP 2
SN: 20001-21439

Excavators Komatsu / PC220-3 S/N 20001-UP(pc220-3r) / BATTERY(030160 : 1401)