k-part
Номер на схеме Каталожный номер Название Количество Детали
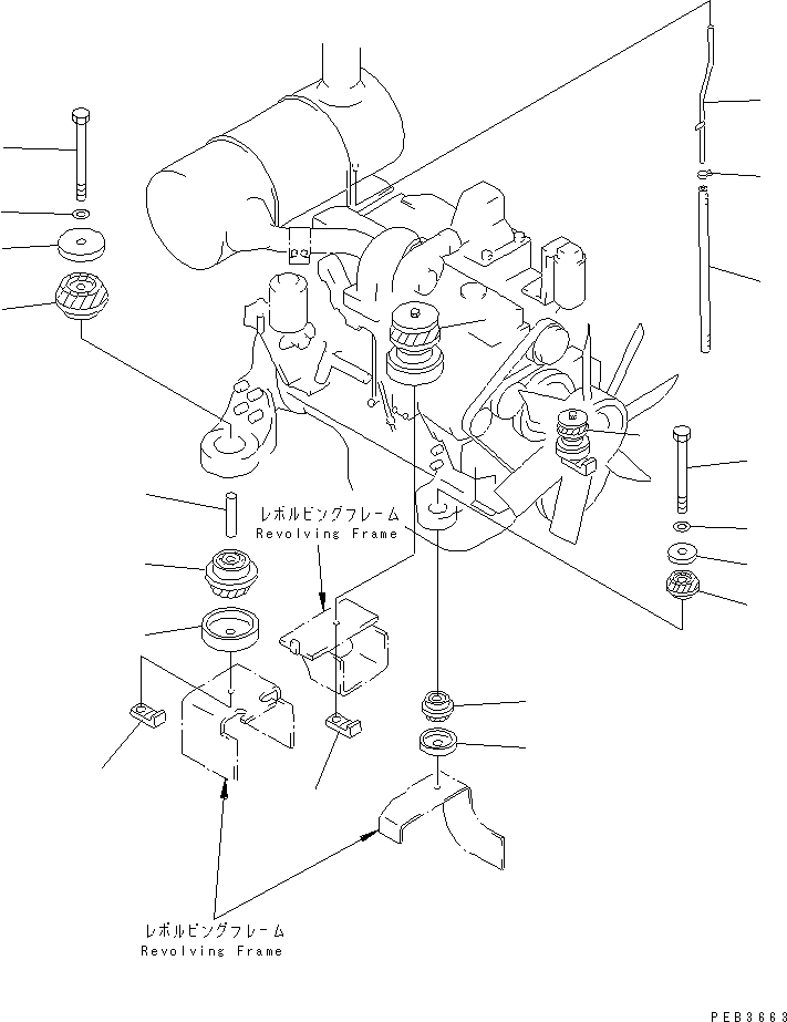
? 20Y-01-12210 CUSHION 4
SN: 30059-@
? 20Y-01-12141 STOPPER 2
SN: 31091-@
? 20Y-01-12140 STOPPER 2
SN: 30001-31090
? 20Y-01-11141 WASHER 2
SN: 30001-@
? 20Y-01-22111 NUT 3
SN: 30690-@
? 20Y-01-12221 CUSHION 4
SN: 30059-@
? 20Y-01-12160 STOPPER 2
SN: 30001-@
? 20Y-01-12180 WASHER 2
SN: 30001-@
? 20Y-01-12280 BOLT 2
SN: 30001-@
? 20Y-01-12250 SPACER 2
SN: 30001-@
? 01643-31645 WASHER 2
SN: 30001-@
? 20Y-01-12270 BOLT 2
SN: 30001-@
? 01643-31645 WASHER 2
SN: 30001-@
? 6209-11-5480 TUBE 1
SN: 30001-@
? 07260-20950 HOSE 1
SN: 30001-@
? 07285-00155 CLIP 1
SN: 30001-@

Excavators Komatsu / PC210-6 S/N 30001-UP(pc210-6r) / ENGINE MOUNT(#30690-31650)(030040 : B0100-01A0A)
?
?
?
?
?
?
?
?
?
?
?
?
?
?
?
?
?
?
?
?