k-part
Номер на схеме Каталожный номер Название Количество Детали
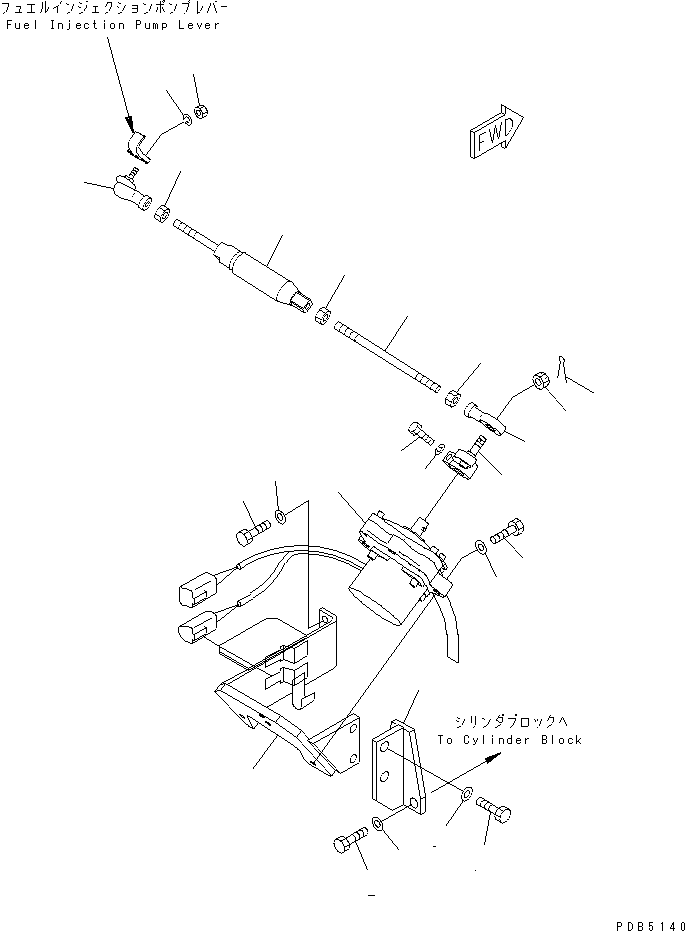
? 20Y-43-23461 BRACKET 1
SN: 30916-@
? 01010-81230 BOLT 2
SN: 30916-@
? 01643-31232 WASHER 2
SN: 30916-@
? 20Y-43-23432 BRACKET 1
SN: 30916-@
? 01010-80825 BOLT 2
SN: 30916-@
? 01643-30823 WASHER 2
SN: 30916-@
? 01010-81230 BOLT 2
SN: 30916-@
? 01643-31232 WASHER 2
SN: 30916-@
? 7834-40-2000 MOTOR ASS'Y 1
SN: 30001-@
? 01010-81040 BOLT 3
SN: 30916-@
? 01643-31032 WASHER 3
SN: 30001-@
? 20Y-43-12143 LEVER 1
SN: 30916-@
? 01010-81030 BOLT 1
SN: 30916-@
? 01602-21030 WASHER 1
SN: 30001-@
? 20Y-43-23441 SPRING ASS'Y 1
SN: 30916-@
? 01582-11008 NUT 1
SN: 30001-@
? 04248-31018 ROD 1
SN: 30916-@
? 01508-41006 NUT 1
SN: 30916-@
? 04250-91056 END 1
SN: 30916-@
? 01593-31008 NUT 1
SN: 30001-@
? 04050-12018 PIN 1
SN: 30001-@
? 01582-11008 NUT 1
SN: 30001-@
? 20Y-43-12180 JOINT 1
SN: 30001-@
? 01602-20619 WASHER 1
SN: 30001-@
? 01580-10605 NUT 1
SN: 30001-@

Excavators Komatsu / PC210-6 S/N 30001-UP(pc210-6r) / FUEL CONTROL(#30916-30979)(030170 : B0400-01A0B)
?
?
?
?
?
?
?
?
?
?
?
?
?
?
?
?
?
?
?
?
?
?
?
?
?