| Номер на схеме | Каталожный номер | Название | Количество | Детали | |||
|---|---|---|---|---|---|---|---|
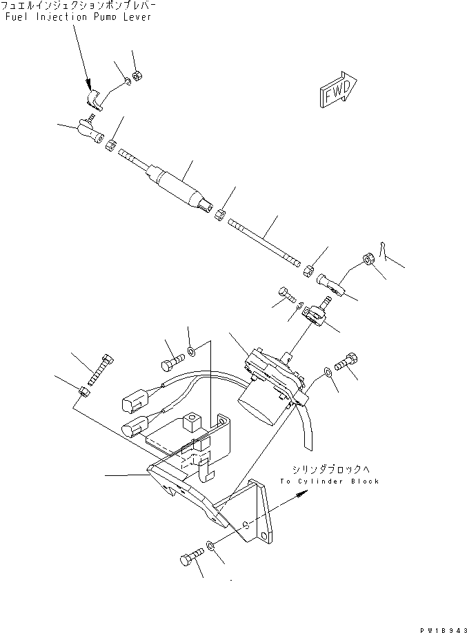
| ? | 20Y-43-31310 | BRACKET | 1 | SN: 40001-50000 |
|||
| ? | 01010-81230 | BOLT | 1 | SN: 40001-@ |
|||
| ? | 01643-31232 | WASHER | 1 | SN: 40001-@ |
|||
| ? | 01010-80820 | BOLT | 2 | SN: 40001-@ |
|||
| ? | 01643-30823 | WASHER | 2 | SN: 40001-@ |
|||
| ? | 7834-41-2001 | MOTOR ASS'Y | 1 | SN: 40312-@ |
|||
| ? | 7834-41-2000 | MOTOR ASS'Y | 1 | SN: 40001-40311 |
|||
| ? | 01010-81040 | BOLT | 3 | SN: 40001-@ |
|||
| ? | 01643-31032 | WASHER | 3 | SN: 40001-@ |
|||
| ? | 20Y-43-12143 | LEVER | 1 | SN: 40001-@ |
|||
| ? | 01010-81030 | BOLT | 1 | SN: 40001-@ |
|||
| ? | 01602-21030 | WASHER | 1 | SN: 40001-@ |
|||
| ? | 01016-51070 | BOLT | 1 | SN: 40001-@ |
|||
| ? | 01580-11008 | NUT | 1 | SN: 40001-@ |
|||
| ? | 20Y-43-23441 | SPRING ASS'Y | 1 | SN: 40001-@ |
|||
| ? | 01582-11008 | NUT | 1 | SN: 40001-@ |
|||
| ? | 04248-31018 | ROD | 1 | SN: 40001-@ |
|||
| ? | 01508-41006 | NUT | 1 | SN: 40001-@ |
|||
| ? | 04250-91056 | END | 1 | SN: 40001-@ |
|||
| ? | 01593-31008 | NUT | 1 | SN: 40001-@ |
|||
| ? | 04050-12018 | PIN | 1 | SN: 40001-@ |
|||
| ? | 01582-11008 | NUT | 1 | SN: 40001-@ |
|||
| ? | 20Y-43-12180 | JOINT | 1 | SN: 40001-@ |
|||
| ? | 01602-20619 | WASHER | 1 | SN: 40001-@ |
|||
| ? | 01580-10605 | NUT | 1 | SN: 40001-@ |