k-part
Номер на схеме Каталожный номер Название Количество Детали
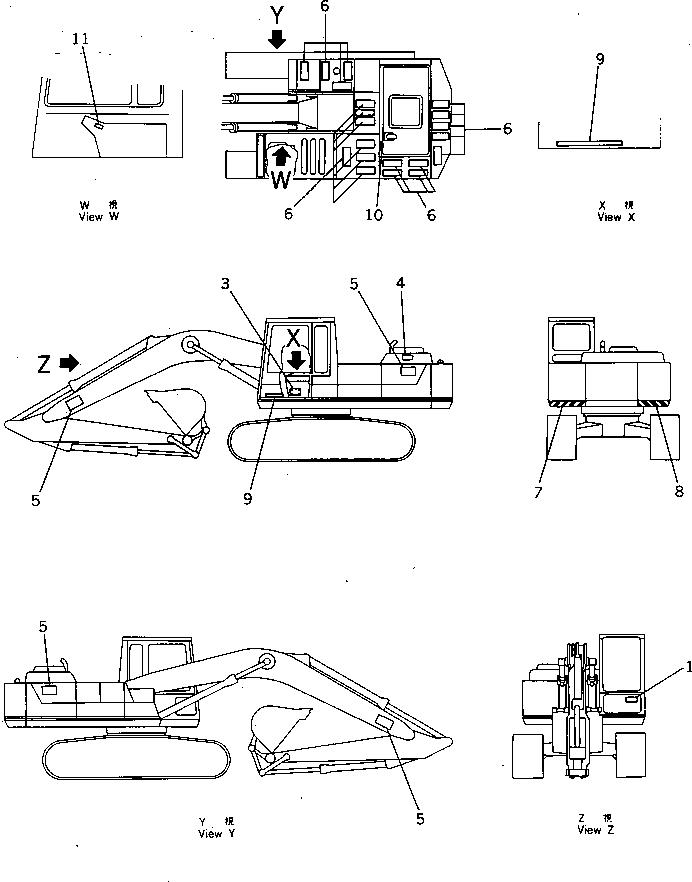
? 205-00-66110 PLATE, OPERATING 1
SN: 20001-
KIT-FLAG: _-
SERIALNO: 20001-
? 09602-22643 PLATE, NAME 1
SN: 26777-
KIT-FLAG: _-
SERIALNO: 26777-
? □09602-21643 PLATE, NAME 1
SN: 20001-26776
KIT-FLAG: _-
SERIALNO: 20001-26776
? 01220-60408 SCREW 4
SN: 20001-
KIT-FLAG: _-
SERIALNO: 20001-
? 205-00-66130 PLATE, SAFETY 1
SN: 20001-
KIT-FLAG: _-
SERIALNO: 20001-
? 20T-98-22240 PLATE, SAFETY 4
SN: 20001-
KIT-FLAG: _-
SERIALNO: 20001-
? 154-54-23260 SEAT,NONSKID 20
SN: 20001-
KIT-FLAG: _-
SERIALNO: 20001-
? 205-00-74211 DECALCOMANIA 1
SN: 20001-
KIT-FLAG: _-
SERIALNO: 20001-
? 205-00-74221 DECALCOMANIA 1
SN: 20001-
KIT-FLAG: _-
SERIALNO: 20001-
? 205-54-77250 SHEET 1
SN: 20001-
KIT-FLAG: _-
SERIALNO: 20001-
? 205-00-66130 PLATE, SAFETY 1
SN: 20001-
KIT-FLAG: _-
SERIALNO: 20001-
? 205-00-74260 PLATE 1
SN: 20001-25923
KIT-FLAG: _-
SERIALNO: 20001-25923

Excavators Komatsu / PC200LC-3 S/N 20001-UP(pc200l5c) / MARKS AND PLATES (TBG SPEC.)(270160 : 9016)