| Номер на схеме | Каталожный номер | Название | Количество | Детали | |||
|---|---|---|---|---|---|---|---|
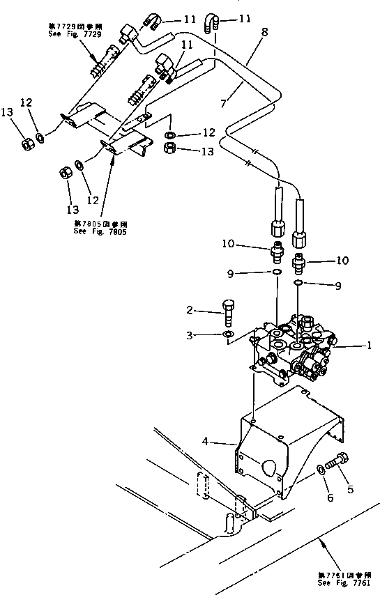
| ? | (700-824-8000) | VALVE ASS'Y | 1 | SN: 20001- |
|||
| ? | 01010-51225 | BOLT | 3 | SN: 20001- |
|||
| ? | 01643-31232 | WASHER | 3 | SN: 20001- |
|||
| ? | 205-917-2320 | BRACKET | 1 | SN: 20001- |
|||
| ? | 01010-51225 | BOLT | 4 | SN: 20001- |
|||
| ? | 01643-31232 | WASHER | 4 | SN: 20001- |
|||
| ? | 205-966-3221 | TUBE | 1 | SN: 20001- |
|||
| ? | 205-966-3231 | TUBE | 1 | SN: 20001- |
|||
| ? | 07002-12434 | O-RING | 2 | SN: 20001- |
|||
| ? | 07230-20522 | UNION | 2 | SN: 36208- |
|||
| ? | 07230-10522 | UNION | 2 | SN: 20001-36207 |
|||
| ? | 07283-22236 | CLIP | 3 | SN: 20001- |
|||
| ? | 01643-31032 | WASHER | 6 | SN: 20001- |
|||
| ? | 01599-01011 | NUT | 6 | SN: 20001- |
