| Номер на схеме | Каталожный номер | Название | Количество | Детали | |||
|---|---|---|---|---|---|---|---|
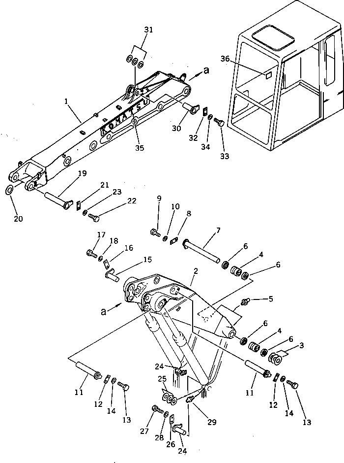
| ? | 205-946-7130 | BOOM,UPPER | 1 | SN: 20001- |
|||
| ? | 205-946-7110 | BOOM,LOWER | 1 | SN: 20001- |
|||
| ? | 205-70-51450 | SPACER ? 1.0MM | 3 | SN: 20001- |
|||
| ? | 205-70-71291 | BUSHING | 2 | SN: 29385- |
|||
| ? | □205-70-71240 | BUSHING | 2 | SN: 20001-29384 |
|||
| ? | 07020-00000 | FITTING,GREASE | 2 | SN: 20001- |
|||
| ? | 07145-00080 | SEAL,DUST | 4 | SN: 20001- |
|||
| ? | 205-70-71160 | PIN | 1 | SN: 20001- |
|||
| ? | 205-70-71311 | PLATE | 1 | SN: 27913- |
|||
| ? | 205-70-71310 | PLATE | 1 | SN: 20001-27912 |
|||
| ? | 01010-51640 | BOLT | 2 | SN: 27913- |
|||
| ? | 01010-51235 | BOLT | 2 | SN: 20001-27912 |
|||
| ? | 01643-31645 | WASHER | 2 | SN: 27913- |
|||
| ? | 01643-31232 | WASHER | 2 | SN: 20001-27912 |
|||
| ? | 205-946-7170 | PIN | 2 | SN: 20001- |
|||
| ? | 205-70-66580 | PLATE | 2 | SN: 20001- |
|||
| ? | 01010-51235 | BOLT | 4 | SN: 20001- |
|||
| ? | 01643-31232 | WASHER | 4 | SN: 20001- |
|||
| ? | 205-70-65750 | PIN | 2 | SN: 20001- |
|||
| ? | 205-70-66580 | PLATE | 2 | SN: 20001- |
|||
| ? | 01010-51235 | BOLT | 4 | SN: 20001- |
|||
| ? | 01643-31232 | WASHER | 4 | SN: 20001- |
|||
| ? | 205-70-65680 | PIN | 1 | SN: 20001- |
|||
| ? | 206-70-45220 | SPACER ? 1.0MM | 1 | SN: 20001- |
|||
| ? | 205-70-71310 | PLATE | 1 | SN: 20001- |
|||
| ? | 01010-51235 | BOLT | 2 | SN: 20001- |
|||
| ? | 01643-31232 | WASHER | 2 | SN: 20001- |
|||
| ? | 205-70-71210 | PIN | 2 | SN: 20001- |
|||
| ? | 203-70-24170 | SPACER ? 1.0MM | 6 | SN: 20001- |
|||
| ? | 205-70-66580 | PLATE | 2 | SN: 20001- |
|||
| ? | 01010-51235 | BOLT | 4 | SN: 20001- |
|||
| ? | 01643-31232 | WASHER | 4 | SN: 20001- |
|||
| ? | 07020-00000 | FITTING,GREASE | 2 | SN: 20001- |
|||
| ? | 205-70-71320 | PIN | 1 | SN: 20001- |
|||
| ? | 205-70-51520 | SPACER ? 1.0MM | 3 | SN: 20001- |
|||
| ? | 205-70-66580 | PLATE | 1 | SN: 20001- |
|||
| ? | 01010-51235 | BOLT | 2 | SN: 20001- |
|||
| ? | 01643-31232 | WASHER | 2 | SN: 20001- |
|||
| ? | 205-00-63171 | PLATE ? MARK | 1 | SN: 20001- |
|||
| ? | 205-946-6370 | PLATE ? CAUTION,(JAPANESE) | 1 | SN: 20001- |
|||
| ? | 205-946-6260 | PLATE ? CAUTION,(ENGLISH) | 1 | SN: 20001- |
|||
| ? | 205-946-6360 | PLATE ? CAUTION,(ARABIC) | 1 | SN: 20001- |
|||
| ? | 205-946-6350 | PLATE ? CAUTION,(INDONESIAN) | 1 | SN: 20001- |
|||
| ? | 205-946-6290 | PLATE ? CAUTION,(SPANISH) | 1 | SN: 20001- |
|||
| ? | 205-946-6330 | PLATE ? CAUTION,(CHINESE) | 1 | SN: 20001- |
|||
| ? | 205-946-6340 | PLATE ? CAUTION,(GERMAN) | 1 | SN: 20001- |
|||
| ? | 205-946-6310 | PLATE ? CAUTION,(FRENCH) | 1 | SN: 20001- |
|||
| ? | 205-946-6320 | PLATE ? CAUTION,(RUSSIAN) | 1 | SN: 20001- |
