| Номер на схеме | Каталожный номер | Название | Количество | Детали | |||
|---|---|---|---|---|---|---|---|
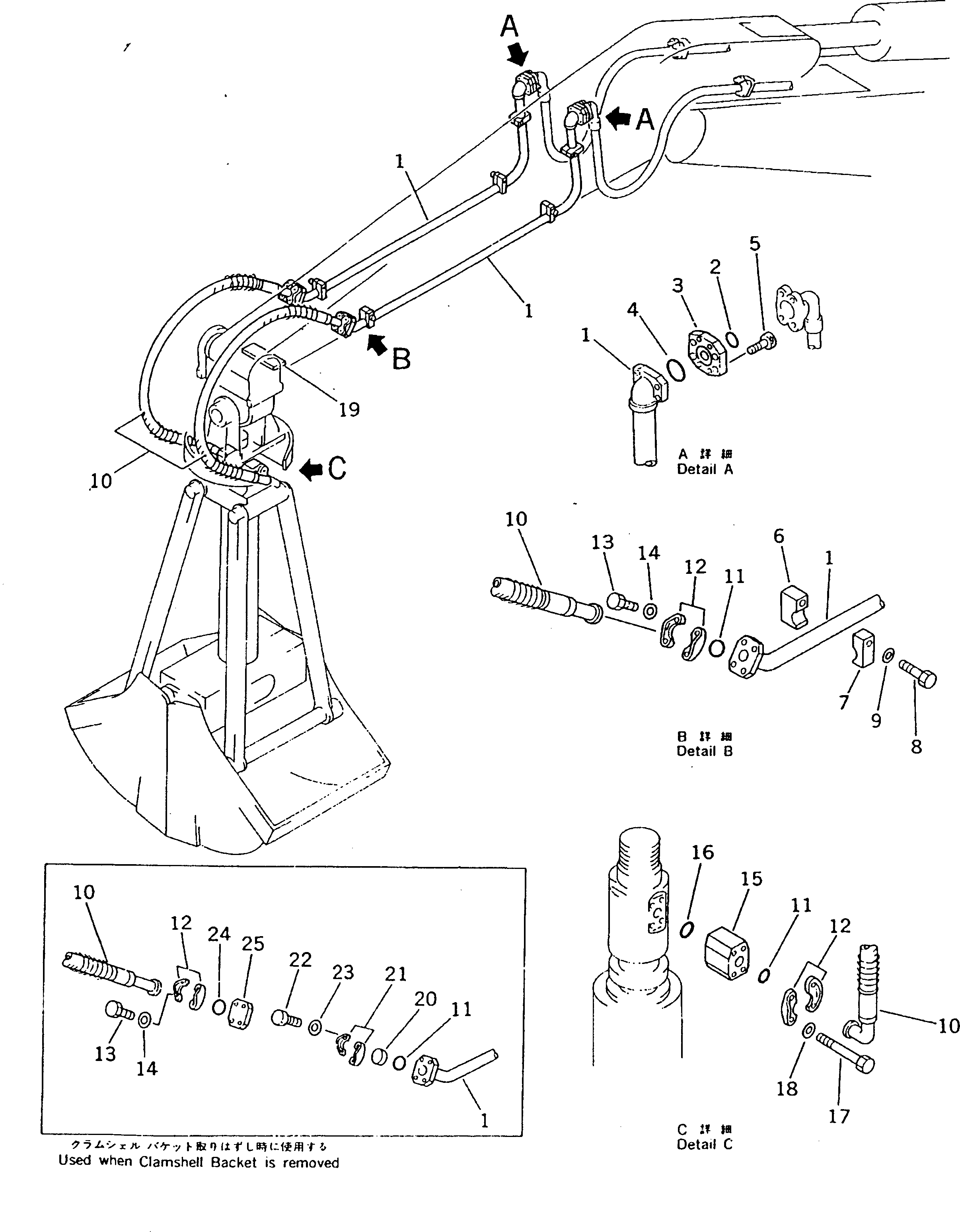
| ? | 205-931-7110 | TUBE,(FOR STANDARD ARM) | 2 | SN: 20001- |
|||
| ? | (07000-13025) | O-RING | 2 | SN: 20001- |
|||
| ? | 209-62-12730 | PLATE | 2 | SN: 20001- |
|||
| ? | 07000-13035 | O-RING | 2 | SN: 20001- |
|||
| ? | 01252-41020 | BOLT | 8 | SN: 20001- |
|||
| ? | 205-931-6120 | CLAMP (WELDED) | 6 | SN: 20001- |
|||
| ? | 205-931-6130 | CLAMP | 6 | SN: 20001- |
|||
| ? | 01010-31250 | BOLT | 6 | SN: 20001- |
|||
| ? | 01643-31232 | WASHER | 6 | SN: 20001- |
|||
| ? | 07098-21020 | HOSE | 2 | SN: 20001- |
|||
| ? | 07000-13032 | O-RING | 4 | SN: 20001- |
|||
| ? | 07371-31049 | FLANGE,SPLIT | 8 | SN: 20001- |
|||
| ? | 07372-01030 | BOLT | 8 | SN: 20001- |
|||
| ? | 01643-51032 | WASHER | 8 | SN: 20001- |
|||
| ? | 205-931-3150 | FLANGE | 2 | SN: 20001- |
|||
| ? | 07000-13035 | O-RING | 2 | SN: 20001- |
|||
| ? | 205-931-6140 | BOLT | 8 | SN: 20001- |
|||
| ? | 01643-51032 | WASHER | 8 | SN: 20001- |
|||
| ? | 205-931-3170 | PLATE (WELDED) | 1 | SN: 20001- |
|||
| ? | 07378-11000 | HEAD,SLEEVE | 2 | SN: 20001- |
|||
| ? | 07371-31049 | FLANGE,SPLIT | 4 | SN: 20001- |
|||
| ? | 07372-01030 | BOLT | 8 | SN: 20001- |
|||
| ? | 01643-51032 | WASHER | 8 | SN: 20001- |
|||
| ? | 07000-13032 | O-RING | 2 | SN: 20001- |
|||
| ? | 07379-01044 | FLANGE | 2 | SN: 20001- |
