k-part
Номер на схеме Каталожный номер Название Количество Детали
? 205-62-68330 HOSE 1
SN: 20001-@
? 208-09-11110 CLAMP 4
SN: 20001-@
? 205-62-71277 TUBE 1
SN: 36208-@
? □205-62-71276 TUBE 1
SN: 26574-36207
? 07000-03035 O-RING 1
SN: 20001-@
? 01010-51085 BOLT 2
SN: 20001-@
? 01643-31032 WASHER 2
SN: 20001-@
? 205-62-71971 PLUG 1
SN: 20001-@
? 135-60-17110 SPRING 1
SN: 20001-@
? 205-60-71230 POPPET 1
SN: 20001-@
? 07002-05234 O-RING 1
SN: 20001-@
? 205-62-71952 BRACKET 1
SN: 26574-@
? 01010-51230 BOLT 2
SN: 20001-@
? 01643-31232 WASHER 2
SN: 20001-@
? 07283-24346 CLIP 1
SN: 20001-@
? 01599-01011 NUT 2
SN: 20001-@
? 01643-31032 WASHER 2
SN: 20001-@
? 205-62-71913 TUBE 1
SN: 36208-@
? □205-62-71912 TUBE 1
SN: 26574-36207
? 205-62-71923 TUBE 1
SN: 36208-@
? □205-62-71922 TUBE 1
SN: 26574-36207
? 07000-02065 O-RING 2
SN: 26574-@
? 01010-51035 BOLT 2
SN: 26574-@
? 01010-51070 BOLT 2
SN: 26574-@
? 01643-31032 WASHER 4
SN: 20001-@
? 205-62-68330 HOSE 2
SN: 20001-@
? 208-09-11110 CLAMP 8
SN: 20001-@

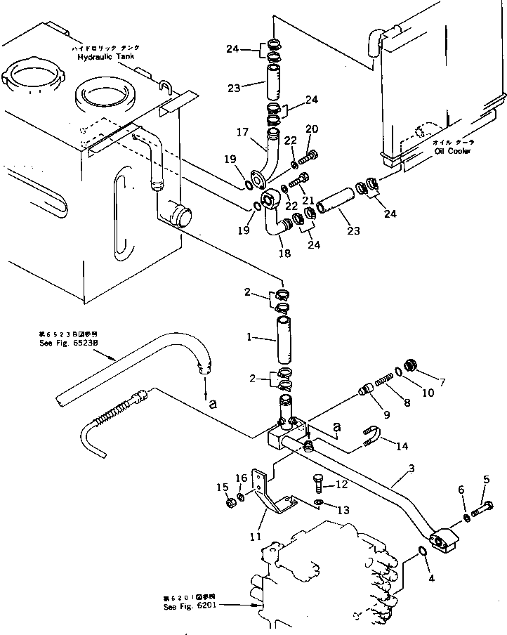
Excavators Komatsu / PC200LC-3 S/N 20001-UP(pc200l7r) / HYDRAULIC PIPING (RETURN AND OIL COOLER) (WITH AUTO DECELERATION) (WITH SWING MECHANICAL BRAKE)(#26574-36207)(180730 : 6521C)