| Номер на схеме | Каталожный номер | Название | Количество | Детали | |||
|---|---|---|---|---|---|---|---|
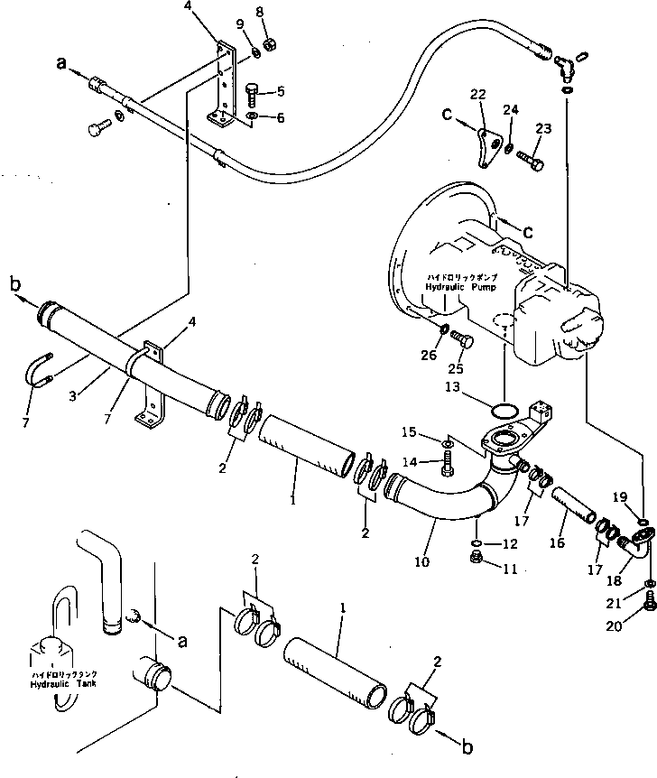
| ? | 205-62-74650 | HOSE | 2 | SN: 20720- |
|||
| ? | 20D-09-11130 | CLAMP | 8 | SN: 20001- |
|||
| ? | 205-62-71253 | TUBE | 1 | SN: 36208- |
|||
| ? | 205-62-71941 | BRACKET | 2 | SN: 26574- |
|||
| ? | 01010-51230 | BOLT | 4 | SN: 20001- |
|||
| ? | 01643-31232 | WASHER | 4 | SN: 20001- |
|||
| ? | 07283-27663 | CLIP | 2 | SN: 20001- |
|||
| ? | 01599-01011 | NUT | 4 | SN: 20001- |
|||
| ? | 01643-31032 | WASHER | 4 | SN: 20001- |
|||
| ? | 205-62-71242 | TUBE | 1 | SN: 36208- |
|||
| ? | 07040-11812 | PLUG | 1 | SN: 20001- |
|||
| ? | 07002-01823 | O-RING | 1 | SN: 20001- |
|||
| ? | 07000-02075 | O-RING | 1 | SN: 20001- |
|||
| ? | 01010-51235 | BOLT | 4 | SN: 20001- |
|||
| ? | 01643-31232 | WASHER | 4 | SN: 20001- |
|||
| ? | 07260-02616 | HOSE | 1 | SN: 20001- |
|||
| ? | 07281-00489 | CLAMP | 4 | SN: 20001- |
|||
| ? | 205-62-71261 | TUBE | 1 | SN: 37000- |
|||
| ? | 07000-03028 | O-RING | 1 | SN: 20001- |
|||
| ? | 01010-51030 | BOLT | 2 | SN: 20001- |
|||
| ? | 01643-31032 | WASHER | 2 | SN: 20001- |
|||
| ? | 205-01-67170 | PLATE | 1 | SN: 20001- |
|||
| ? | 01010-51055 | BOLT | 2 | SN: 20001- |
|||
| ? | 01643-31032 | WASHER | 2 | SN: 20001- |
|||
| ? | 01010-51040 | BOLT | 10 | SN: 20001- |
|||
| ? | 01643-31032 | WASHER | 10 | SN: 20001- |
