k-part
Номер на схеме Каталожный номер Название Количество Детали
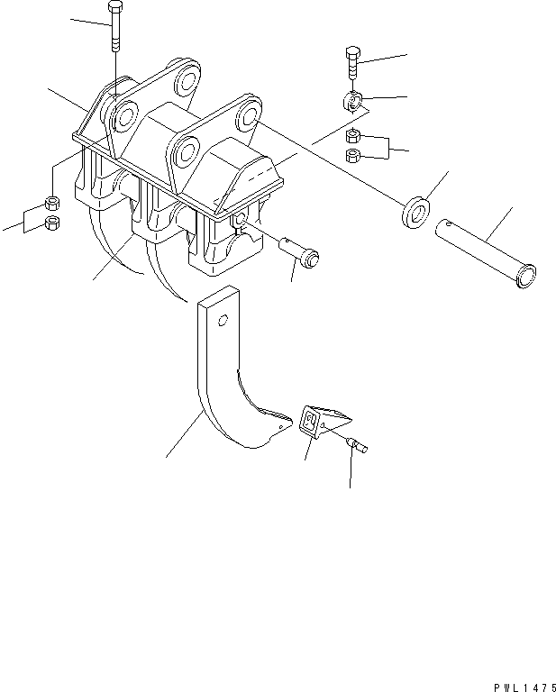
? 205-951-0013 RIPPER ASS'Y 1
SN: 80001-
KIT-FLAG: _-
SERIALNO: 80001-
? • BRACKET 1
SN: 80001-
KIT-FLAG: _-
SERIALNO: 80001-
? 205-951-6120 • • HOLDER 3
SN: 80001-
KIT-FLAG: _-
SERIALNO: 80001-
? 205-951-0020 • SHANK ASS'Y 3
SN: 80001-
KIT-FLAG: _-
SERIALNO: 80001-
? • • SHANK 1
SN: 80001-
KIT-FLAG: _-
SERIALNO: 80001-
? 131-78-31190 • • POINT 1
SN: 80001-
KIT-FLAG: _-
SERIALNO: 80001-
? 09244-02489 • • PIN 1
SN: 80001-
KIT-FLAG: _-
SERIALNO: 80001-
? 205-951-6140 • PIN 3
SN: 80001-
KIT-FLAG: _-
SERIALNO: 80001-
? 205-951-6150 • COLLAR 3
SN: 80001-
KIT-FLAG: _-
SERIALNO: 80001-
? 01019-11205 • BOLT 3
SN: 80001-
KIT-FLAG: _-
SERIALNO: 80001-
? 01580-11210 • NUT 6
SN: 80001-
KIT-FLAG: _-
SERIALNO: 80001-
? 205-70-74410 COLLAR 1
SN: 80001-
KIT-FLAG: _-
SERIALNO: 80001-
? 205-70-73270 PIN 1
SN: 80001-
KIT-FLAG: _-
SERIALNO: 80001-
? 205-70-73190 BOLT 2
SN: 80001-
KIT-FLAG: _-
SERIALNO: 80001-
? 01580-12016 NUT 4
SN: 80001-
KIT-FLAG: _-
SERIALNO: 80001-

Excavators Komatsu / PC200LC-6 S/N 80001-UP (Overseas Version)(pc200l2c) / THREE SHANK RIPPER(361160 : T1510-01D4)
?
?
?
?
?
?
?
?
?
?
?
?
?