| Номер на схеме | Каталожный номер | Название | Количество | Детали | |||
|---|---|---|---|---|---|---|---|
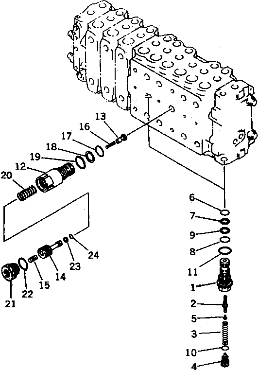
| ? | (723-49-12101) | VALVE ASS'Y | 1 | SN: 89799-94998 KIT-FLAG: _- SERIALNO: 89799-94998 |
|||
| ? | THIS ASSEMBLY CONSISTS OF ALL PARTS SHOWN IN FIGS.Y1666-01A0C T0 Y1666-11A0C . | SERIALNO: |
|||||
| ? | 723-40-56302 | • VALVE ASS'Y,UNLOAD | 2 | SN: 88000-@ KIT-FLAG: _- SERIALNO: 88000-@ |
|||
| ? | ☆ | • • SLEEVE | 1 | SN: 88000-@ KIT-FLAG: _- SERIALNO: 88000-@ |
|||
| ? | ☆ | • • VALVE | 1 | SN: 88000-@ KIT-FLAG: _- SERIALNO: 88000-@ |
|||
| ? | ☆ | • • SPRING | 1 | SN: 88000-@ KIT-FLAG: _- SERIALNO: 88000-@ |
|||
| ? | ☆ | • • PLUG | 1 | SN: 88000-@ KIT-FLAG: _- SERIALNO: 88000-@ |
|||
| ? | ☆ | • • PLUG | 1 | SN: 88000-@ KIT-FLAG: _- SERIALNO: 88000-@ |
|||
| ? | 07000-12014 | • • O-RING | 1 | SN: 80001-@ KIT-FLAG: _- SERIALNO: 80001-@ |
|||
| ? | 723-40-56350 | • • RING | 1 | SN: 80001-@ KIT-FLAG: _- SERIALNO: 80001-@ |
|||
| ? | 07000-12016 | • • O-RING | 1 | SN: 80001-@ KIT-FLAG: _- SERIALNO: 80001-@ |
|||
| ? | 723-60-22230 | • • RING,BACK-UP | 1 | SN: 80001-@ KIT-FLAG: _- SERIALNO: 80001-@ |
|||
| ? | ☆ | • • O-RING | 1 | SN: 80001-@ KIT-FLAG: _- SERIALNO: 80001-@ |
|||
| ? | 07002-12434 | • • O-RING | 1 | SN: 80001-@ KIT-FLAG: _- SERIALNO: 80001-@ |
|||
| ? | 723-40-60101 | • VALVE ASS'Y | 1 | SN: 89799-@ KIT-FLAG: _- SERIALNO: 89799-@ |
|||
| ? | ☆ | • • SLEEVE | 1 | SN: 80001-@ KIT-FLAG: _- SERIALNO: 80001-@ |
|||
| ? | ☆ | • • VALVE | 1 | SN: 80001-@ KIT-FLAG: _- SERIALNO: 80001-@ |
|||
| ? | ☆ | • • PISTON | 1 | SN: 89799-@ KIT-FLAG: _- SERIALNO: 89799-@ |
|||
| ? | ☆ | • • PISTON | 1 | SN: 80001-@ KIT-FLAG: _- SERIALNO: 80001-@ |
|||
| ? | ☆ | • • SPRING | 1 | SN: 80001-@ KIT-FLAG: _- SERIALNO: 80001-@ |
|||
| ? | 07000-12020 | • • O-RING,BACK-UP | 1 | SN: 80001-@ KIT-FLAG: _- SERIALNO: 80001-@ |
|||
| ? | 07001-02020 | • • RING | 1 | SN: 80001-@ KIT-FLAG: _- SERIALNO: 80001-@ |
|||
| ? | 709-25-11390 | • • O-RING | 1 | SN: 80001-@ KIT-FLAG: _- SERIALNO: 80001-@ |
|||
| ? | ☆ | • • SPRING | 1 | SN: 80001-@ KIT-FLAG: _- SERIALNO: 80001-@ |
|||
| ? | ☆ | • • PLUG | 1 | SN: 80001-@ KIT-FLAG: _- SERIALNO: 80001-@ |
|||
| ? | ☆ | • • O-RING | 1 | SN: 80001-@ KIT-FLAG: _- SERIALNO: 80001-@ |
|||
| ? | ☆ | • • SEAL | 1 | SN: 89799-@ KIT-FLAG: _- SERIALNO: 89799-@ |
|||
| ? | ☆ | • • O-RING | 1 | SN: 80001-@ KIT-FLAG: _- SERIALNO: 80001-@ |
