k-part
Номер на схеме Каталожный номер Название Количество Детали
? 08034-00536 BAND 2
SN: 80001-
? 20Y-62-23422 HOSE ? 1300MM 1
SN: 102229-
? 20Y-62-22810 BAND ? YELLOW 2
SN: 80001-
? 20Y-62-23432 HOSE ? 1600MM 1
SN: 102229-
? 08034-00536 BAND 2
SN: 80001-
? 20Y-62-25522 HOSE 1
SN: 102229-
? 20Y-62-22840 BAND ? BLACK 2
SN: 80001-
? 20Y-62-25532 HOSE 1
SN: 102229-
? 20Y-62-22860 BAND ? BROWN 2
SN: 80001-
? 08034-00536 BAND 3
SN: 80001-
? 21T-72-23270 CLIP 2
SN: 80001-
? 01010-81230 BOLT 1
SN: 102229-
? 01643-31232 WASHER 1
SN: 80001-

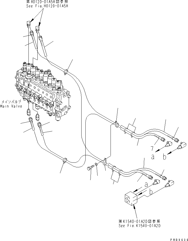
Excavators Komatsu / PC200-6J S/N 80001-UP(pc200-9r) / PPC MAIN LINE (PPC MAIN LINES) (2 ACTUATOR)(#102229-)(151750 : H1840-02A5A)
?
?
?
?
?
?
?
?
?
?
?
?
?
?
?
?
?
?
?
?
?