k-part
Номер на схеме Каталожный номер Название Количество Детали
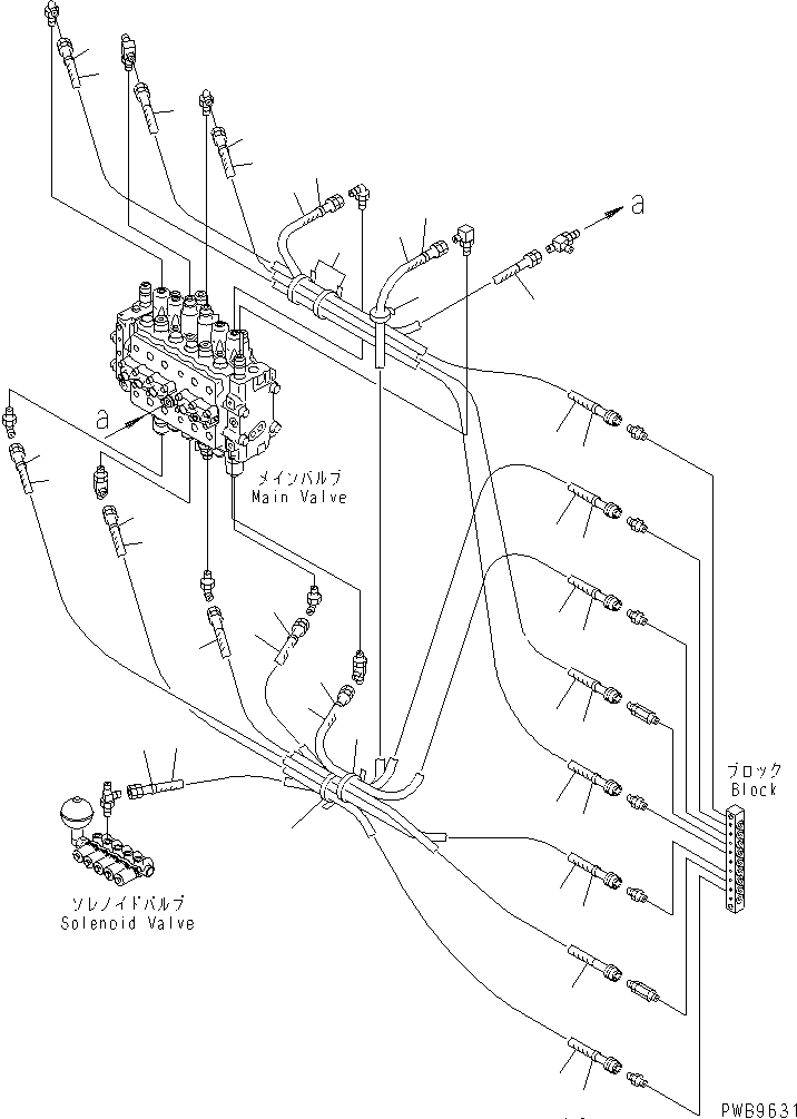
? 203-62-52310 HOSE ? 700MM 1
SN: 96514-
? 203-62-62632 HOSE ? 450MM 1
SN: 102229-
? 20Y-62-22672 HOSE ? 355MM 1
SN: 102229-
? 20Y-62-22782 HOSE ? 650MM 1
SN: 102229-
? 20Y-62-22790 BAND ? RED 2
SN: 96514-
? 20Y-62-22830 BAND ? WHITE 2
SN: 96514-
? 20Y-62-22840 BAND ? BLACK 2
SN: 96514-
? 08034-00536 BAND 2
SN: 96514-
? 20Y-62-22772 HOSE ? 700MM 1
SN: 102229-
? 20Y-62-22662 HOSE ? 470MM 1
SN: 102229-
? 20Y-62-22722 HOSE ? 535MM 2
SN: 102229-
? 20Y-62-23832 HOSE ? 800MM 1
SN: 102229-
? 203-62-52280 HOSE ? 900MM 1
SN: 96514-
? 20Y-62-22810 BAND ? YELLOW 2
SN: 96514-
? 20Y-62-22820 BAND ? BLUE 2
SN: 96514-
? 20Y-62-22830 BAND ? WHITE 2
SN: 96514-
? 20Y-62-22850 BAND ? GREEN 2
SN: 96514-
? 20Y-62-22860 BAND ? BROWN 2
SN: 96514-
? 08034-00536 BAND 3
SN: 96514-

Excavators Komatsu / PC200-6J S/N 80001-UP(pc200-9r) / PPC MAIN LINE (VALVE PPC LINES)(#102229-)(151710 : H1840-01A1H)
?
?
?
?
?
?
?
?
?
?
?
?
?
?
?
?
?
?
?
?
?
?
?
?
?
?
?
?
?
?
?
?
?
?
?
?
?
?
?
?