k-part
Номер на схеме Каталожный номер Название Количество Детали
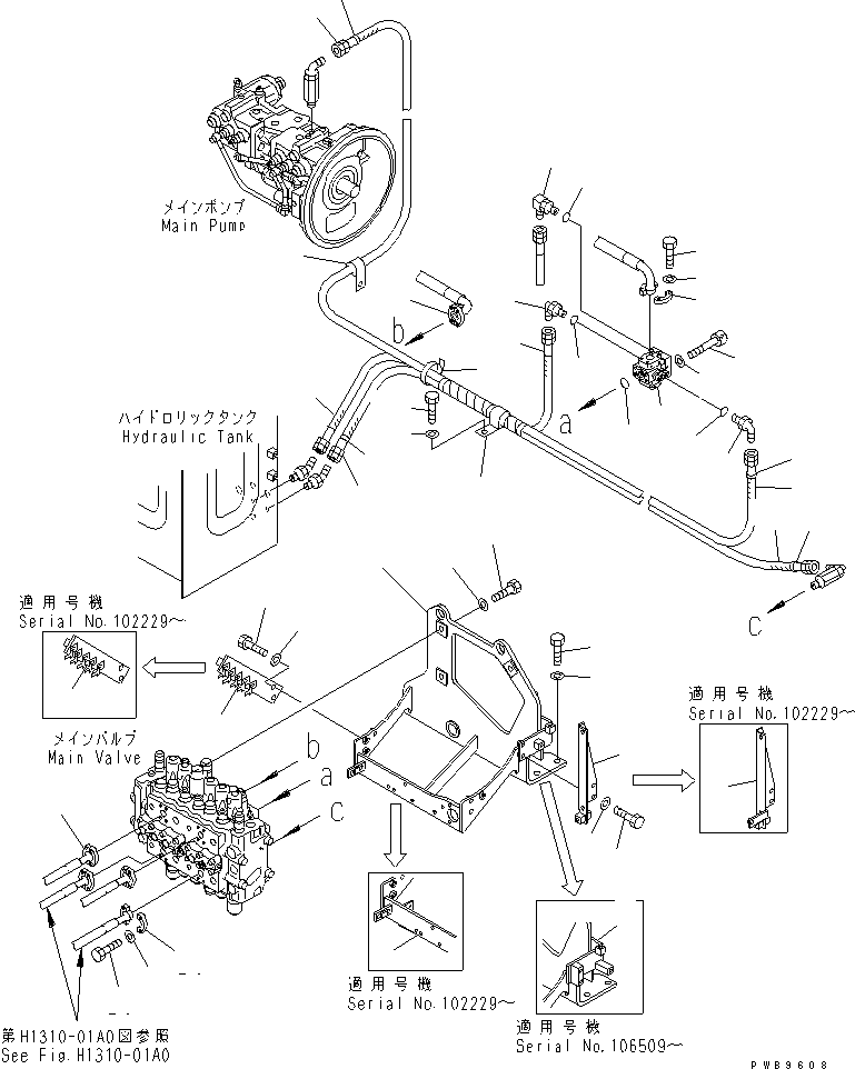
? 20Y-62-27413 BRACKET 1
SN: 106509-
? 20Y-62-27412 BRACKET 1
SN: 102229-106508
? 20Y-62-27411 BRACKET 1
SN: 96514-102228
? 01010-81655 BOLT 4
SN: 96514-
? 01643-31645 WASHER 4
SN: 80001-
? 01010-81650 BOLT 3
SN: 96514-
? 01643-31645 WASHER 3
SN: 80001-
? 20Y-62-27192 BRACKET 1
SN: 102229-
? 20Y-62-27191 BRACKET 1
SN: 96514-102228
? 01010-81230 BOLT 2
SN: 96514-
? 01643-31232 WASHER 2
SN: 96514-
? 20Y-62-21264 BRACKET 1
SN: 102229-
? 20Y-62-21263 BRACKET 1
SN: 83948-102228
? 01010-81235 BOLT 2
SN: 96514-
? 01643-31232 WASHER 2
SN: 80001-
? (702-21-09147) VALVE ASS'Y 1
SN: 99850-
? (702-21-09146) VALVE ASS'Y 1
SN: 98100-99849
? (702-21-09145) VALVE ASS'Y 1
SN: 96905-98099
? (702-21-09143) VALVE ASS'Y 1
SN: 96514-96904
? 21T-09-11460 O-RING 1
SN: 96514-
? 708-27-12560 BOLT 4
SN: 96514-
? 01643-51032 WASHER 4
SN: 96514-
? 07371-31049 FLANGE 4
SN: 80001-
? 07372-21035 BOLT 8
SN: 80001-
? 01643-51032 WASHER 8
SN: 80001-
? 21Y-62-17810 ELBOW 1
SN: 96514-
? 07002-12434 O-RING 1
SN: 96514-
? 07235-10210 ELBOW 1
SN: 96514-
? 07002-11423 O-RING 1
SN: 96514-
? 07235-10210 ELBOW 1
SN: 96514-
? 07002-11423 O-RING 1
SN: 96514-
? 07371-31049 FLANGE 8
SN: 80001-
? 07372-21035 BOLT 16
SN: 80001-
? 01643-51032 WASHER 16
SN: 80001-
? 203-62-52280 HOSE ? 900MM 1
SN: 96514-
? 20Y-62-22881 HOSE 1
SN: 96514-
? 20Y-62-22820 BAND ? BLUE 2
SN: 96514-
? 07096-00221 HOSE 1
SN: 96514-
? 20Y-62-22810 BAND ? YELLOW 2
SN: 96514-
? 04434-52712 CLIP 1
SN: 96514-
? 01010-81225 BOLT 1
SN: 96514-
? 01643-31232 WASHER 1
SN: 80001-
? 08034-00519 BAND 2
SN: 96514-
? 04434-51512 CLIP 1
SN: 96514-

Excavators Komatsu / PC200-6Z S/N 80001-UP(pc200-br) / MAIN VALVE (VALVE BRACKET)(#96514-)(150410 : H0120-02A0D)
?
?
?
?
?
?
?
?
?
?
?
?
?
?
?
?
?
?
?
?
?
?
?
?
?
?
?
?
?
?
?
?
?
?
?
?
?
?
?
?
?
?
?
?
?
?
?
?