| Номер на схеме | Каталожный номер | Название | Количество | Детали | |||
|---|---|---|---|---|---|---|---|
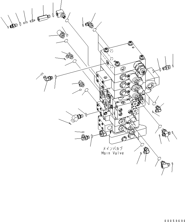
| ? | 02782-10210 | ELBOW | 5 | SN: 20001- KIT-FLAG: _- SERIALNO: 20001- |
|||
| ? | 02896-11008 | O-RING | 5 | SN: 20001- KIT-FLAG: _- SERIALNO: 20001- |
|||
| ? | 07002-11423 | O-RING | 5 | SN: 20001- KIT-FLAG: _- SERIALNO: 20001- |
|||
| ? | 11Y-62-12250 | TEE | 1 | SN: 20001- KIT-FLAG: _- SERIALNO: 20001- |
|||
| ? | 02896-11008 | O-RING | 2 | SN: 20001- KIT-FLAG: _- SERIALNO: 20001- |
|||
| ? | 07002-11423 | O-RING | 1 | SN: 20001- KIT-FLAG: _- SERIALNO: 20001- |
|||
| ? | 22B-62-21810 | TEE | 2 | SN: 20001- KIT-FLAG: _- SERIALNO: 20001- |
|||
| ? | 22B-62-22690 | TEE | 2 | SN: 20001- KIT-FLAG: _- SERIALNO: 20001- |
|||
| ? | 02896-11008 | O-RING | 4 | SN: 20001- KIT-FLAG: _- SERIALNO: 20001- |
|||
| ? | 07002-11423 | O-RING | 4 | SN: 20001- KIT-FLAG: _- SERIALNO: 20001- |
|||
| ? | 02782-10210 | ELBOW | 1 | SN: 20001- KIT-FLAG: _- SERIALNO: 20001- |
|||
| ? | 02896-11008 | O-RING | 1 | SN: 20001- KIT-FLAG: _- SERIALNO: 20001- |
|||
| ? | 07002-11423 | O-RING | 1 | SN: 20001- KIT-FLAG: _- SERIALNO: 20001- |
|||
| ? | 02782-10210 | ELBOW | 1 | SN: 20001- KIT-FLAG: _- SERIALNO: 20001- |
|||
| ? | 02896-11008 | O-RING | 1 | SN: 20001- KIT-FLAG: _- SERIALNO: 20001- |
|||
| ? | 07002-11423 | O-RING | 1 | SN: 20001- KIT-FLAG: _- SERIALNO: 20001- |
|||
| ? | 22B-62-21381 | ELBOW | 2 | SN: 20001- KIT-FLAG: _- SERIALNO: 20001- |
|||
| ? | 02896-11008 | O-RING | 2 | SN: 20001- KIT-FLAG: _- SERIALNO: 20001- |
|||
| ? | 07002-11423 | O-RING | 2 | SN: 20001- KIT-FLAG: _- SERIALNO: 20001- |
|||
| ? | 11Y-62-12510 | ELBOW | 1 | SN: 20001- KIT-FLAG: _- SERIALNO: 20001- |
|||
| ? | 07002-11423 | O-RING | 1 | SN: 20001- KIT-FLAG: _- SERIALNO: 20001- |
|||
| ? | 02896-11009 | O-RING | 1 | SN: 20001- KIT-FLAG: _- SERIALNO: 20001- |
|||
| ? | 20F-61-12460 | ELBOW | 1 | SN: 20001- KIT-FLAG: _- SERIALNO: 20001- |
|||
| ? | 07002-11423 | O-RING | 1 | SN: 20001- KIT-FLAG: _- SERIALNO: 20001- |
|||
| ? | 20Y-62-41701 | VALVE ASS'Y | 1 | SN: 20001- KIT-FLAG: _- SERIALNO: 20001- |
|||
| ? | 20Y-60-22210 | • BODY | 1 | SN: 20001- KIT-FLAG: _- SERIALNO: 20001- |
|||
| ? | 20Y-60-22270 | • POPPET | 1 | SN: 20001- KIT-FLAG: _- SERIALNO: 20001- |
|||
| ? | 701-20-61230 | • SPRING | 1 | SN: 20001- KIT-FLAG: _- SERIALNO: 20001- |
|||
| ? | 07002-11423 | • O-RING | 1 | SN: 20001- KIT-FLAG: _- SERIALNO: 20001- |
|||
| ? | 20Y-62-47630 | • NIPPLE | 1 | SN: 20001- KIT-FLAG: _- SERIALNO: 20001- |
|||
| ? | 07002-11423 | O-RING | 1 | SN: 20001- KIT-FLAG: _- SERIALNO: 20001- |
|||
| ? | 02896-11008 | O-RING | 1 | SN: 20001- KIT-FLAG: _- SERIALNO: 20001- |
|||
| ? | 02781-0031D | UNION | 1 | SN: 20001- KIT-FLAG: _- SERIALNO: 20001- |
|||
| ? | 02896-11009 | O-RING | 1 | SN: 20001- KIT-FLAG: _- SERIALNO: 20001- |
|||
| ? | 07002-11423 | O-RING | 1 | SN: 20001- KIT-FLAG: _- SERIALNO: 20001- |
|||
| ? | 02782-10210 | ELBOW | 1 | SN: 20001- KIT-FLAG: _- SERIALNO: 20001- |
|||
| ? | 02896-11008 | O-RING | 1 | SN: 20001- KIT-FLAG: _- SERIALNO: 20001- |
|||
| ? | 07002-11423 | O-RING | 1 | SN: 20001- KIT-FLAG: _- SERIALNO: 20001- |