| Номер на схеме | Каталожный номер | Название | Количество | Детали | |||
|---|---|---|---|---|---|---|---|
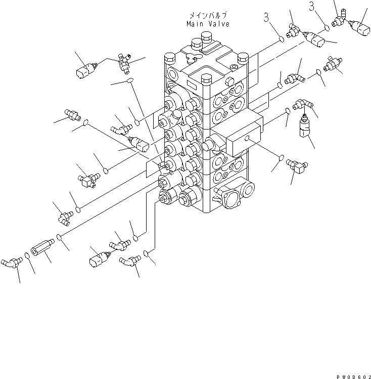
| ? | 8233-62-3150 | ELBOW | 4 | SN: 2601- |
|||
| ? | 207-62-26240 | ELBOW | 1 | SN: 2601- |
|||
| ? | 07002-11423 | O-RING | 5 | SN: 2601- |
|||
| ? | 208-26-11611 | TEE | 1 | SN: 2601- |
|||
| ? | 07002-11423 | O-RING | 1 | SN: 2601- |
|||
| ? | 207-62-62991 | ELBOW | 4 | SN: 2601- |
|||
| ? | 07002-11423 | O-RING | 4 | SN: 2601- |
|||
| ? | 22B-62-12470 | TEE | 1 | SN: 2601- |
|||
| ? | 07002-11423 | O-RING | 1 | SN: 2601- |
|||
| ? | 208-62-17550 | TEE | 1 | SN: 2601- |
|||
| ? | 07002-11423 | O-RING | 1 | SN: 2601- |
|||
| ? | 07230-20210 | UNION | 1 | SN: 2601- |
|||
| ? | 07002-11423 | O-RING | 1 | SN: 2601- |
|||
| ? | 07235-10210 | ELBOW | 1 | SN: 2601- |
|||
| ? | 07002-11423 | O-RING | 1 | SN: 2601- |
|||
| ? | 22B-62-12420 | ELBOW | 1 | SN: 2601- |
|||
| ? | 22B-62-12430 | ELBOW | 1 | SN: 2601- |
|||
| ? | 07002-11423 | O-RING | 2 | SN: 2601- |
|||
| ? | 20Y-970-1731 | ELBOW | 1 | SN: 2601- |
|||
| ? | 07002-11423 | O-RING | 1 | SN: 2601- |
|||
| ? | 207-62-62460 | ADAPTER | 1 | SN: 2601- |
|||
| ? | 07002-11423 | O-RING | 1 | SN: 2601- |
|||
| ? | 07235-10210 | ELBOW | 1 | SN: 2601- |
|||
| ? | 07002-11423 | O-RING | 1 | SN: 2601- |
|||
| ? | (206-06-61130) | SWITCH | 8 | SN: 2601- |