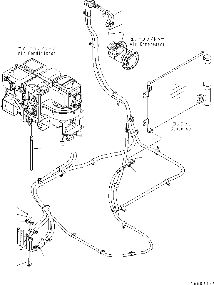
| Номер на схеме | Каталожный номер | Название | Количество | Детали | |||
|---|---|---|---|---|---|---|---|
| ? | 208-979-7640 | HOSE, 300MM | 1 | SN: 20001- KIT-FLAG: _- SERIALNO: 20001- |
|||
| ? | 21K-979-7451 | HOSE ASS'Y | 1 | SN: 20001- KIT-FLAG: _- SERIALNO: 20001- |
|||
| ? | 20Y-979-3130 | • O-RING | 2 | SN: 20001- KIT-FLAG: _- SERIALNO: 20001- |
|||
| ? | 21K-979-7441 | HOSE ASS'Y | 1 | SN: 20001- KIT-FLAG: _- SERIALNO: 20001- |
|||
| ? | 20Y-979-3150 | • O-RING | 2 | SN: 20001- KIT-FLAG: _- SERIALNO: 20001- |
|||
| ? | 208-979-7650 | CONNECTOR | 1 | SN: 20001- KIT-FLAG: _- SERIALNO: 20001- |
|||
| ? | 01435-40620 | BOLT | 1 | SN: 20001- KIT-FLAG: _- SERIALNO: 20001- |