| Номер на схеме | Каталожный номер | Название | Количество | Детали | |||
|---|---|---|---|---|---|---|---|
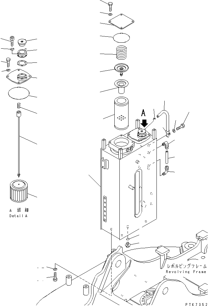
| ? | 22B-60-00010YN | TANK ASS'Y | 1 | SN: 5001- KIT-FLAG: _- SERIALNO: 5001- |
|||
| ? | ☆ | TANK | 1 | SN: 5001- KIT-FLAG: _- SERIALNO: 5001- |
|||
| ? | 203-60-31160 | • TUBE | 1 | SN: 5001- KIT-FLAG: _- SERIALNO: 5001- |
|||
| ? | 203-60-31100 | • ELBOW ASS'Y | 2 | SN: 5001- KIT-FLAG: _- SERIALNO: 5001- |
|||
| ? | 07063-51100 | ELEMENT | 1 | SN: 5001- KIT-FLAG: _- SERIALNO: 5001- |
|||
| ? | 07069-24200 | STRAINER | 1 | SN: 5001- KIT-FLAG: _- SERIALNO: 5001- |
|||
| ? | 07069-04200 | VALVE | 1 | SN: 5001- KIT-FLAG: _- SERIALNO: 5001- |
|||
| ? | 07069-34088 | SPRING | 1 | SN: 5001- KIT-FLAG: _- SERIALNO: 5001- |
|||
| ? | 07000-15155 | O-RING | 1 | SN: 5001- KIT-FLAG: _- SERIALNO: 5001- |
|||
| ? | 203-60-61130SG | COVER (YELLOW) | 1 | SN: 5001- KIT-FLAG: _- SERIALNO: 5001- |
|||
| ? | 01010-81225 | BOLT | 4 | SN: 5001- KIT-FLAG: _- SERIALNO: 5001- |
|||
| ? | 01643-31232 | WASHER | 4 | SN: 5001- KIT-FLAG: _- SERIALNO: 5001- |
|||
| ? | 22B-60-11160 | STRAINER | 1 | SN: 5001- KIT-FLAG: _- SERIALNO: 5001- |
|||
| ? | 22B-60-11140 | ROD | 1 | SN: 5001- KIT-FLAG: _- SERIALNO: 5001- |
|||
| ? | 12R-60-11230 | SPRING | 1 | SN: 5001- KIT-FLAG: _- SERIALNO: 5001- |
|||
| ? | 07000-15150 | O-RING | 1 | SN: 5001- KIT-FLAG: _- SERIALNO: 5001- |
|||
| ? | 22B-60-11151SG | COVER (YELLOW) | 1 | SN: 5001- KIT-FLAG: _- SERIALNO: 5001- |
|||
| ? | 01010-81225 | BOLT | 4 | SN: 5001- KIT-FLAG: _- SERIALNO: 5001- |
|||
| ? | 01643-31232 | WASHER | 4 | SN: 5001- KIT-FLAG: _- SERIALNO: 5001- |
|||
| ? | 20Y-60-21340 | GASKET | 1 | SN: 5001- KIT-FLAG: _- SERIALNO: 5001- |
|||
| ? | 20Y-60-21460SG | NECK (YELLOW) | 1 | SN: 5001- KIT-FLAG: _- SERIALNO: 5001- |
|||
| ? | 01252-70516 | BOLT | 6 | SN: 5001- KIT-FLAG: _- SERIALNO: 5001- |
|||
| ? | 01601-20513 | WASHER | 6 | SN: 5001- KIT-FLAG: _- SERIALNO: 5001- |
|||
| ? | 20Y-60-21440 | CAP | 1 | SN: 5001- KIT-FLAG: _- SERIALNO: 5001- |
|||
| ? | 07044-12412 | PLUG | 1 | SN: 5001- KIT-FLAG: _- SERIALNO: 5001- |
|||
| ? | 07002-12434 | O-RING | 1 | SN: 5001- KIT-FLAG: _- SERIALNO: 5001- |
|||
| ? | 22B-60-11610 | TUBE | 1 | SN: 7870- KIT-FLAG: _- SERIALNO: 7870- |
|||
| ? | 203-60-61190 | TUBE | 1 | SN: 5001-7869 KIT-FLAG: _- SERIALNO: 5001-7869 |
|||
| ? | 07285-00155 | CLIP | 1 | SN: 5001- KIT-FLAG: _- SERIALNO: 5001- |
|||
| ? | 08036-01814 | CLIP | 2 | SN: 5001- KIT-FLAG: _- SERIALNO: 5001- |
|||
| ? | 01010-81220 | BOLT | 2 | SN: 5001- KIT-FLAG: _- SERIALNO: 5001- |
|||
| ? | 01643-31232 | WASHER | 2 | SN: 5001- KIT-FLAG: _- SERIALNO: 5001- |
|||
| ? | 01010-81650 | BOLT | 4 | SN: 5001- KIT-FLAG: _- SERIALNO: 5001- |
|||
| ? | 01643-31645 | WASHER | 4 | SN: 5001- KIT-FLAG: _- SERIALNO: 5001- |