| Номер на схеме | Каталожный номер | Название | Количество | Детали | |||
|---|---|---|---|---|---|---|---|
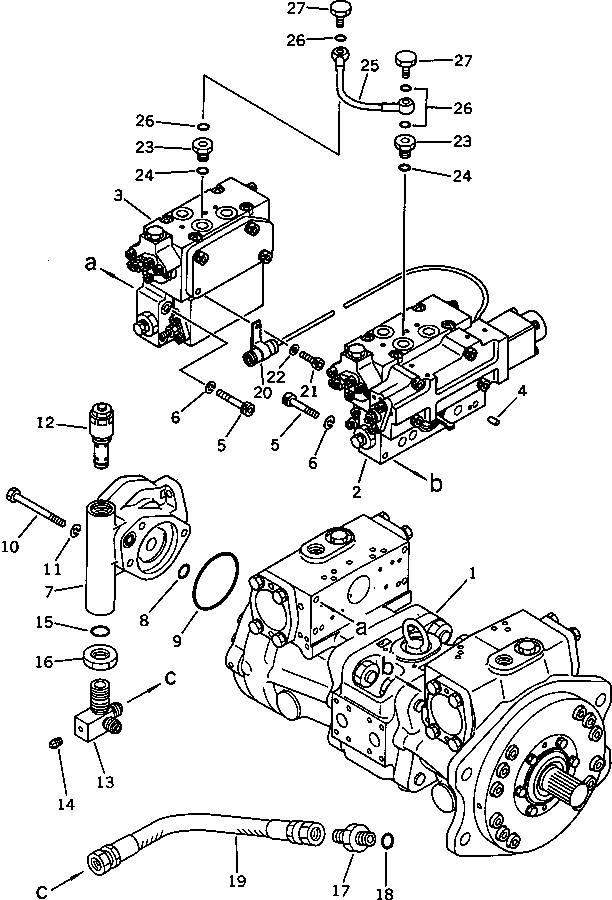
| ? | 708-23-01012 | PUMP ASS'Y (HPV55+55) | 1 | SN: 23820- |
|||
| ? | □708-23-01011 | PUMP ASS'Y (HPV55+55) | 1 | SN: ..-23819 |
|||
| ? | □708-23-01010 | PUMP ASS'Y (HPV55+55) | 1 | SN: 21655-.. |
|||
| ? | □708-23-10101 | PUMP ASS'Y (HPV55+55) | 1 | SN: 18001-21654 |
|||
| ? | THESE ASSEMBLIES CONSIST OF ALL PARTS SHOWN IN FIGS.6001 TO 6021. | ||||||
| ? | (708-23-11101) | • PUMP SUB ASS'Y | 1 | SN: 21655- |
|||
| ? | (□708-23-11100) | • PUMP SUB ASS'Y | 1 | SN: 18001-21654 |
|||
| ? | (708-23-07111) | • SERVO VALVE ASS'Y,FRONT | 1 | SN: 23820- |
|||
| ? | (708-23-07110) | • SERVO VALVE ASS'Y,FRONT | 1 | SN: ..-23819 |
|||
| ? | (708-23-15100) | • SERVO VALVE ASS'Y,FRONT | 1 | SN: 18001-.. |
|||
| ? | (708-23-07211) | • SERVO VALVE ASS'Y,REAR | 1 | SN: 23820- |
|||
| ? | (708-23-07210) | • SERVO VALVE ASS'Y,REAR | 1 | SN: ..-23819 |
|||
| ? | (708-23-16100) | • SERVO VALVE ASS'Y,REAR | 1 | SN: 18001-.. |
|||
| ? | 04020-00616 | • PIN,DOWEL | 4 | SN: 18001- |
|||
| ? | 708-25-19130 | • BOLT | 8 | SN: 18001- |
|||
| ? | 01602-00825 | • WASHER,SPRING | 8 | SN: 18001- |
|||
| ? | (704-24-26401) | • PUMP ASS'Y | 1 | SN: 18001- |
|||
| ? | (☒704-24-26400) | • PUMP ASS'Y | 1 | SN: (18001-21654) |
|||
| ? | 07000-02018 | • O-RING | 1 | SN: 18001- |
|||
| ? | 07000-02075 | • O-RING | 1 | SN: 18001- |
|||
| ? | 01010-51085 | • BOLT | 3 | SN: 18001- |
|||
| ? | 01602-01030 | • WASHER,SPRING | 3 | SN: 18001- |
|||
| ? | (708-23-14801) | • VALVE ASS'Y | 1 | SN: 18001- |
|||
| ? | (☒708-23-14800) | • VALVE ASS'Y | 1 | SN: (18001-21654) |
|||
| ? | 708-23-19110 | • ELBOW | 1 | SN: 18001- |
|||
| ? | 07042-30108 | • PLUG | 1 | SN: 18001- |
|||
| ? | 07002-02434 | • O-RING | 1 | SN: 18001- |
|||
| ? | 07239-12410 | • NUT | 1 | SN: 18001- |
|||
| ? | 07230-10315 | • UNION | 1 | SN: 18001- |
|||
| ? | 07002-02034 | • O-RING | 1 | SN: 18001- |
|||
| ? | 07102-20303 | • HOSE | 1 | SN: 18001- |
|||
| ? | 08036-21814 | • CLIP | 1 | SN: 18001- |
|||
| ? | 01010-30812 | • BOLT | 1 | SN: 18001- |
|||
| ? | 01643-30823 | • WASHER | 1 | SN: 18001- |
|||
| ? | 706-46-53260 | • PLUG | 2 | SN: 18001- |
|||
| ? | 07002-01423 | • O-RING | 2 | SN: 18001- |
|||
| ? | 708-23-19120 | • TUBE | 1 | SN: 18001- |
|||
| ? | 07000-02012 | • O-RING | 4 | SN: 18001- |
|||
| ? | 706-46-53180 | • BOLT,EYE | 2 | SN: 18001- |
